1.Cel ćwiczenia.
Celem ćwiczenia jest uzyskanie i obserwacje na oscyloskopie dynamicznej pętli histerezy dla blachy transformatorowej oraz badanie zjawisk towarzyszących nasyceniu rdzenia.
2.Wiadomości wstępne.
Własności magnetyczne ferromagnetyka są określone jego charakterystykami magnetycznymi: krzywą magnesowania i pętlą histerezy, przedstawiającymi zależności indukcji magnetycznej B od natężenia pola magnetycznego H. Kształt pętli histerezy zależy od składników materiału ferromagnetycznego i jego obróbki cieplnej, stanu elastyczności.
Na podstawie pętli histerezy można określić stopień użyteczności materiału ferromagne-tycznego. Materiały magnetyczne dzielą się na dwie zasadnicze grupy:
materiały magnetyczne twarde (o szerokiej pętli histerezy), stosowane do urządzeń prądu stałego ( Br-duże, Hk-duże).
materiały magnetyczne miękkie (o wąskiej pętli histerezy), stosowane do urządzeń prądu zmiennego ( Br-małe, Hk-małe).
Pole pętli histerezy jest miarą gęstości przestrzennej energii, potrzebnej do jednego cyklu przemagnesowywania danego materiału magnetycznego.
Rozróżniamy następujące charakterystyki magnesowania:
krzywą pierwotną magnesowania - otrzymuje się ją dla próbki ferromagnetycznej magnesowanej po raz pierwszy od stanu H=0 i B=0 przy monotonicznie rosnącym natężeniu H.
statyczna pętla histerezy magnetycznej - otrzymuje się ją przy powolnej zmianie pola magnetycznego. Sposób ten umożliwia wierne przedstawienie własności materiału (nie uwzględnia się sposobu wykonania rdzenia ani jego izolacji) za pomocą kształtu pętli histerezy, czego nie zapewni dynamiczna pętla histerezy.
statyczna podstawowa krzywa magnesowania - jest miejscem geometrycznym wierzchołków statycznych pętli histerezy o różnych wartościach Hmax i odpowiadającym im wartością Bmax.
dynamiczna pętla histerezy magnetycznej - jest zależnością między średnią chwilową wartościa indukcji przekroju blachy bb [t] a chwilową wartością natężenia pola na powierzchni blachy hb [t] w czasie przemagnesowywania napięciem przemiennym. Dynamiczna pętla przy tym samym natężeniu pola magnetycznego różni się znacznie kształtem i powierzchnią od pętli histerezy statycznej. Kształt i powierzchnia tej pętli zależą nie tylko od własności fizycznych materiału ferromagnetycznego, ale i od struktury próbki, o grubości izolowanych wzajemnie blaszek blachy transformatorowej, izolowanych ziaren, a także od elektrycznych parametrów obwodu, w którym została ona pomierzona np. częstotliwość, kształtu krzywej prądu magnesowania.
dynamiczna krzywa magnesowania H=f(B) jest miejscem geometrycznym wierzchołków (Hm i Bm) rodziny dynamicznych pętli histerezy.
3. Wykaz przyrządów.
woltomierz elektromagnetyczny o klasie dokładności 1,
amperomierz elektromagnetyczny o klasie dokładności 0,5,
miliamperomierz magnetoelektryczny o klasie dokładności 0,5,
oscyloskop,
autotransformator,
zasilacz stabilizowany,
transformator 220/272/65/224,
kondensator C=10 μF,
rezystory R=100kΩ, R=5Ω,
opornik dekadowy,
dławik.

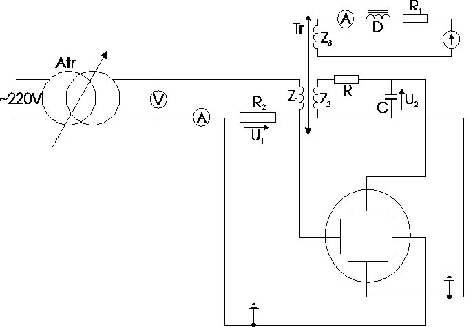
4. Schemat pomiarowy.
5. Tabele wyników.
Wyniki pomiarów przy podmagnesowywaniu uzwojenia wtórnego prądem stałym.
U=100 V
Lp. |
- |
1 |
2 |
3 |
4 |
5 |
6 |
7 |
8 |
9 |
10 |
Is |
[mA] |
2,2 |
5,1 |
8,2 |
23,4 |
32,7 |
43 |
51,2 |
56,8 |
63,2 |
75 |
Io |
[mA] |
30 |
30 |
30 |
32 |
35 |
40 |
35 |
40 |
45 |
50 |
Io/Is |
- |
13,63 |
5,88 |
3,65 |
1,36 |
1,07 |
0,93 |
0,68 |
0,7 |
0,71 |
0,66 |
U=120
Lp. |
- |
1 |
2 |
3 |
4 |
5 |
6 |
7 |
8 |
9 |
10 |
Is |
[mA] |
2,5 |
5,5 |
13,5 |
22,2 |
26,3 |
41,5 |
49 |
55,7 |
66 |
75 |
Io |
[mA] |
35 |
35 |
35 |
37 |
37 |
45 |
47 |
40 |
44 |
48 |
Io/Is |
- |
14 |
6,36 |
2,59 |
1,66 |
1,4 |
1,08 |
0,95 |
0,71 |
0,66 |
0,64 |
U=150 V
Lp. |
- |
1 |
2 |
3 |
4 |
5 |
6 |
7 |
8 |
9 |
10 |
Is |
[mA] |
3 |
7,8 |
15,2 |
21,5 |
29,5 |
40 |
52,5 |
57,2 |
65 |
75 |
Io |
[mA] |
44 |
60 |
62 |
65 |
65 |
67 |
70 |
72 |
75 |
80 |
Io/Is |
- |
14,6 |
7,69 |
4,07 |
3,02 |
2,2 |
1,67 |
1,33 |
1,25 |
1,15 |
1,06 |
6.Wnioski.
Obwody ferromagnetyczne stanowią dla prądu przemiennego znaczną reaktancję, ale tylko przy napięciach zasilania mniejszych od pewnej wartości UN , przy której następuje nasycenie rdzenia. W zakresie zmian napięcia zasilającego U od 0 do UN w obwodzie płynie tylko prąd magnesujący. Przekroczenie napięcia UN prowadzi do nasycenia rdzenia przed upływem danego półokresu napięcia zasilania i punkt pracy przechodzi na poziomą część charakterystyki magnesowania, przenikalność rdzenia maleje do wartości bliskiej przenikalności powietrza, a w wodzie pojawia się prąd ograniczony impedancją odbiornika. Ten sam efekt nasycenia się rdzenia można uzyskać w przypadku wprowadzenia składowej stałej strumienia magnetycznego, jeżeli weźmiemy obwód elektryczny złożony
z transformatora z rdzeniem ferromagnetycznym, którego jedno uzwojenie (sterujące) zasilany jest ze źródła prądu stałego, a drugie robocze ze źródła prądu sinusoidalnego.
Dla zanalizowania obwodu należy więc wprowadzić zależności:
![]()
![]()
XL=ω*L=f(μ)
Widzimy więc, że wraz ze wzrostem indukcji magnetycznej oraz natężenia pola magnetycznego μ dana jedną z powyższych zależności maleje. W związku z tym maleje również indukcyjność cewki uzwojenia roboczego co powoduje równierz zmniejszenie reaktancji tego uzwojenia. Zmniejszenie reaktancji wpływa oczywiście na impedancję wypadkową obwodu wtórnego gdyż rezystancja nie odgrywa większego znaczenia a to z kolei na zwiększenie prądu obciążenia
Jeżeli prąd sterujący jest równy zero, a amplituda napięcia doprowadzonego do uzwojenia roboczego jest tak mała, że nie nasyca rdzenia to indukcyjność dławika proporcjonalna do przenikalności magnetycznej jest duża. Prąd zmienny w obciążenia jest mały. Jeżeli w uzwojeniu sterującym płynie prąd IS to powstaje natężenie pola magnetycznego HS, któremu odpowiada indukcja BS. Punkt pracy na charakterystyce B=f(H) przesunie się w kierunku nasycenia.
Tak pokrótce można opisać najprostszym wzmacniacz magnetyczny. Wzmacniacz dlatego, że prąd obciążenia obwodu wtórnego (zależy od przenikalności magnetycznej
a ta z kolei od strumienia magnetycznego)jest funkcją prądu sterującego.
