POLITECHNIKA LUBELSKA W LUBLINIE |
PROTOKÓŁ Z LABORATORIUM SIECI ELEKTROENERGETYCZNYCH |
||
Wykonujący: Mochol Paweł, Koślak Patrycja, Koń Dariusz, Kaczanowski Paweł |
SEMESTR
VI |
GRUPA ED 6.4 |
ROK AKADEM.
2005/2006 |
|
|
nr. zespołu: IV |
|
SPRAWOZDANIE: Badanie przetworników prądowych stosowanych w elektroenergetycznej automatyce zabezpieczeniowej. Składowe symetryczne w stanach zakłóceniowych sieci. |
DATA WYK. 13.03.2006r. |
|
|
Pomiar błędu prądowego ∆I%:
Ip |
P1 |
P2 |
P3 |
P5 |
P6 |
|||||||
|
Is |
∆I% |
Is |
∆I% |
Is |
∆I% |
Us |
Iz |
∆I% |
Us |
Iz |
∆I% |
A |
A |
% |
A |
% |
A |
% |
V |
A |
% |
mV |
A |
% |
|
|
|
|
|
|
|
|
|
|
|
|
|
|
|
|
|
|
|
|
|
|
|
|
|
|
|
|
|
|
|
|
|
|
|
|
|
|
|
|
|
|
|
|
|
|
|
|
|
|
|
|
|
|
|
|
|
|
|
|
|
|
|
|
|
|
|
|
|
|
|
|
|
|
|
|
|
|
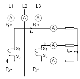
Pomiar prądów w układzie połączeń przekładników prądowych w pełną gwiazdę:
(zwarcie jednofazowe z ziemią)
|
Strona pierwotna |
Storna wtórna |
|||||||||||||||||||||
I1 |
I2 |
I3 |
I11 |
I22 |
I33 |
I0 |
U0 |
I |
U1 |
U2 |
U3 |
U12 |
U13 |
U23 |
U1 |
U2 |
U3 |
U12 |
U13 |
U23 |
|||
A |
A |
A |
A |
A |
A |
A |
V |
A |
V |
V |
V |
V |
V |
V |
V |
V |
V |
V |
V |
V |
|||
zwarcie |
|
|
|
|
|
|
|
|
|
|
|
|
|
|
|
|
|
|
|
|
|
z uziem. pkt zerowym |
I |
p. n. |
|
|
|
|
|
|
|
|
|
|
|
|
|
|
|
|
|
|
|
|
|
|
|
|
|
|
|
|
|
|
|
|
|
|
|
|
|
|
|
|
|
|
|
|
|||
zwarcie |
|
|
|
|
|
|
|
|
|
|
|
|
|
|
|
|
|
|
|
|
|
z izolow. pkt. zerowym |
II |
p. n. |
|
|
|
|
|
|
|
|
|
|
|
|
|
|
|
|
|
|
|
|
|
|
|
1.3 Pomiar prądów w układzie połączeń przekładników prądowych w niepełną gwiazdę:
(zwarcie dwufazowe z ziemią)

Przekładnia |
Strona pierwotna |
Storna wtórna |
||||||||||||||||||||||||||||||||||||
I1 |
I2 |
I3 |
I11 |
I22 |
I33 |
I0 |
U0 |
I |
U1 |
U2 |
U3 |
U12 |
U13 |
U23 |
U1 |
U2 |
U3 |
U12 |
U13 |
U23 |
||||||||||||||||||
A |
A |
A |
A |
A |
A |
A |
V |
A |
V |
V |
V |
V |
V |
V |
V |
V |
V |
V |
V |
V |
||||||||||||||||||
zwarcie |
|
|
|
|
|
|
|
|
|
|
|
|
|
|
|
|
|
|
|
|
|
z uziem. pkt zerowym |
I |
|||||||||||||||
p. n. |
|
|
|
|
|
|
|
|
|
|
|
|
|
|
|
|
|
|
|
|
|
|
|
|||||||||||||||
|
|
|
|
|
|
|
|
|
|
|
|
|
|
|
|
|
|
|
|
|
||||||||||||||||||
zwarcie |
|
|
|
|
|
|
|
|
|
|
|
|
|
|
|
|
|
|
|
|
|
z izolow. pkt. zerowym |
II |
|||||||||||||||
p. n. |
|
|
|
|||||||||||||||||||||||||||||||||||
1