MERCEDES BENZ 560SEC 1988

background image

WIRING DIAGRAMS

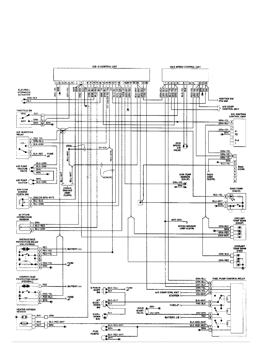
Fig. 1: CIS-E Wiring Diagram - 190E 2.3L & 2.6L (Calif.)

1988 Mercedes-Benz 560SEC

For DIAKOM-AUTO http://www.diakom.ru Taganrog support@diakom.ru (8634)315187

Copyright © 1998 Mitchell Repair Information Company, LLC

Wednesday, November 29, 2000 07:25PM

cdr@wp.pl

background image

WIRING DIAGRAMS

Fig. 5: CIS-E Wiring Diagram - 420 & 560 Series (Ex. 560SL)

1988 Mercedes-Benz 560SEC

For DIAKOM-AUTO http://www.diakom.ru Taganrog support@diakom.ru (8634)315187

Copyright © 1998 Mitchell Repair Information Company, LLC

Wednesday, November 29, 2000 07:26PM

background image

WIRING DIAGRAMS

Fig. 6: CIS-E Wiring Diagram - 560SL

1988 Mercedes-Benz 560SEC

For DIAKOM-AUTO http://www.diakom.ru Taganrog support@diakom.ru (8634)315187

Copyright © 1998 Mitchell Repair Information Company, LLC

Wednesday, November 29, 2000 07:26PM

background image

WIRING DIAGRAMS

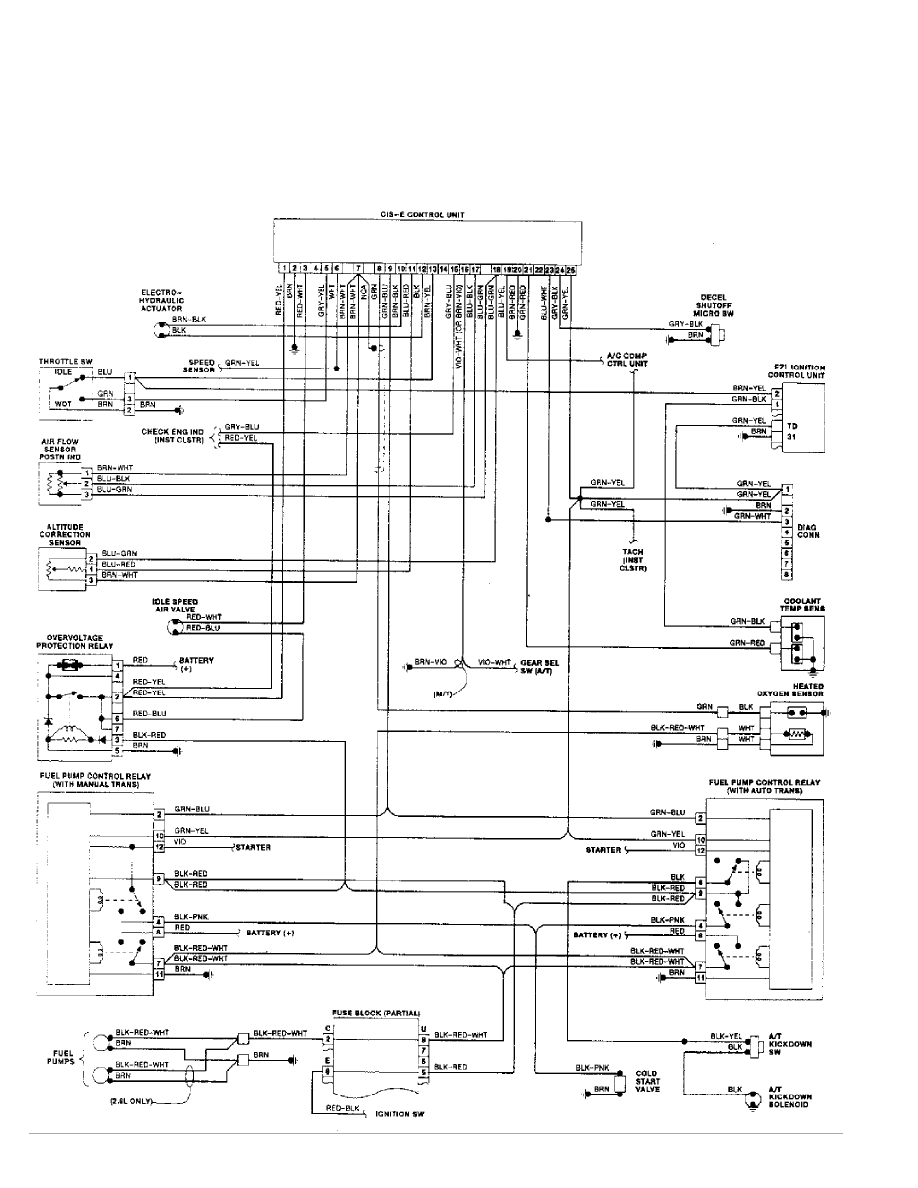
Fig. 2: CIS-E Wiring Diagram - 190E 2.3L & 2.6L (Fed.)

1988 Mercedes-Benz 560SEC

For DIAKOM-AUTO http://www.diakom.ru Taganrog support@diakom.ru (8634)315187

Copyright © 1998 Mitchell Repair Information Company, LLC

Wednesday, November 29, 2000 07:25PM

background image

WIRING DIAGRAMS

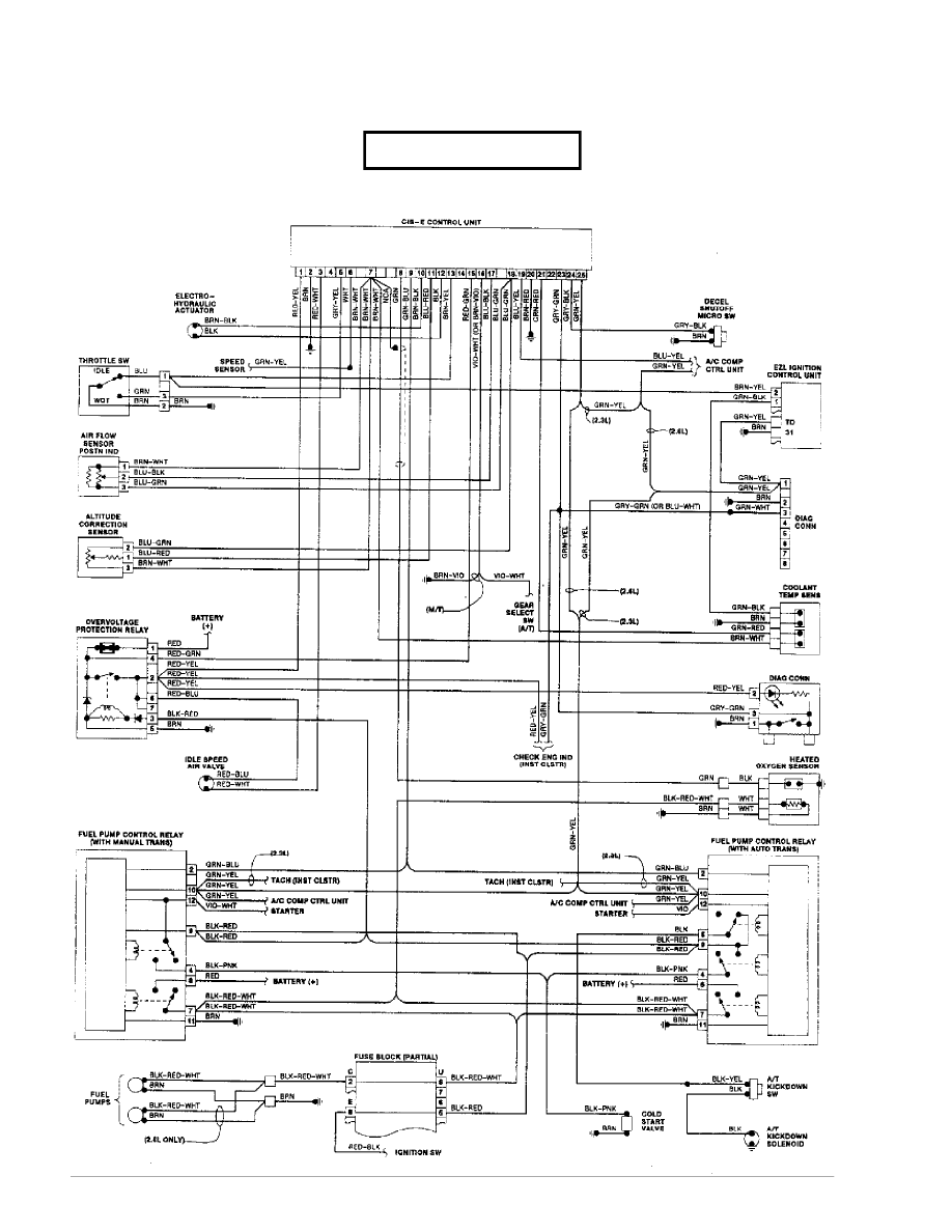
Fig. 3: CIS-E Wiring Diagram - 260E, 300E, 300CE & 300TE

1988 Mercedes-Benz 560SEC

For DIAKOM-AUTO http://www.diakom.ru Taganrog support@diakom.ru (8634)315187

Copyright © 1998 Mitchell Repair Information Company, LLC

Wednesday, November 29, 2000 07:26PM

background image

WIRING DIAGRAMS

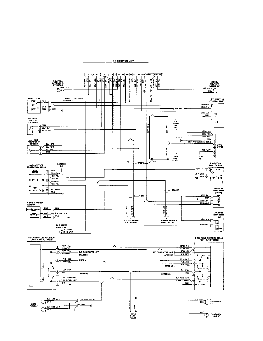
Fig. 4: CIS-E Wiring Diagram - 300SE & 300SEL

1988 Mercedes-Benz 560SEC

For DIAKOM-AUTO http://www.diakom.ru Taganrog support@diakom.ru (8634)315187

Copyright © 1998 Mitchell Repair Information Company, LLC

Wednesday, November 29, 2000 07:26PM


Wyszukiwarka

Podobne podstrony:
MERCEDES BENZ 300CE 1988
MERCEDES BENZ 190E 1988
MERCEDES BENZ 420SEL 1988
MERCEDES BENZ 560SEC 1987
MERCEDES BENZ 260E 1988
MERCEDES BENZ 190E 1988
MERCEDES BENZ 300SE 1988
MERCEDES BENZ 560SEC 1989
MERCEDES BENZ 560SEC 1986
MERCEDES BENZ 190D 1988
MERCEDES BENZ 560SEC 1991
MERCEDES BENZ 560SL 1988
MERCEDES BENZ 300E 1988
MERCEDES BENZ 560SEC 1990
MERCEDES BENZ 420SEL 1988
MERCEDES BENZ 300TE 1988
MERCEDES BENZ 300TE 1988
mercedes benz

więcej podobnych podstron