15. UKŁADY POŁĄCZEŃ PRZEKŁADNIKÓW PRĄDOWYCH I NAPIĘCIOWYCH
15.1. Cel i zakres ćwiczenia
Celem ćwiczenia jest zapoznanie się z najczęściej spotykanymi układami połączeń przekładników prądowych i napięciowych stosowanymi w sieciach i stacjach elektroenergetycznych. W ramach ćwiczenia badane są wybrane układy przekładników pracujące w sieci trójfazowej.
15.2. Wiadomości podstawowe
Pomiar prądu i napięcia w sieci trójfazowej wymaga zastosowania określonego układu połączeń przekładników prądowych i napięciowych. Łączenie przekładników w odpowiednie układy ma na celu przede wszystkim uzyskanie sygnałów wypadkowych będących wynikiem różnych operacji na sygnałach wyjściowych (np. sumowanie, odejmowanie), dostosowanych do określonego celu pomiarów w układach zabezpieczeń i automatyki. Nie bez znaczenia są również względy oszczędnościowe, pozwalające na zmniejszenie liczby przekładników oraz przewodów łączących je z zasilanymi obwodami.
Ze względu na bezpieczeństwo obsługi wymaga się, aby jeden punkt obwodu, galwanicznie połączony z uzwojeniem wtórnym przekładników, był uziemiony. Jako zasadę przyjęto uziemienie punktu bezpośrednio przy przekładniku, a nie przy miernikach, które przekładnik zasila. Należy również pamiętać o tym, że przerwa w obwodzie wtórnym przekładnika prądowego może spowodować wzrost napięcia na jego zaciskach do wartości niebezpiecznych dla obsługi oraz przegrzanie rdzenia, prowadzące do uszkodzenia izolacji przekładnika. Dlatego połączenia w obwodach wtórnych przekładników prądowych powinny być wykonane w taki sposób, aby zmniejszyć do minimum ryzyko powstania przerwy.
Układy połączeń przekładników prądowych. W zależności od potrzeb przekładniki prądowe w zainstalowane w sieci trójfazowej mogą pracować w następujących układach połączeń:
gwiazdowym,
niepełnej gwizdy,
trójkątowym,
krzyżowym,
Holmgreena.
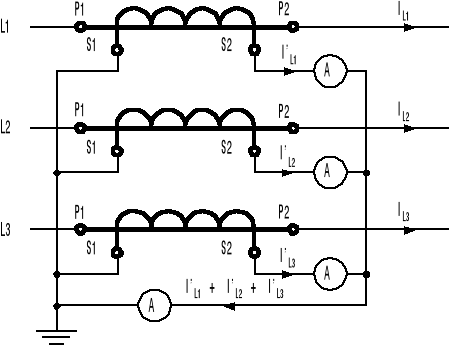
Układ gwiazdowy (rys. 15.1) jest stosowany w sieciach o uziemionym punkcie neutralnym Przyrządy pomiarowe bądź przekaźniki są zainstalowane w przewodach fazowych oraz w przewodzie łączącym punkty gwiazdowe obwodu wtórnego. Dzięki temu możliwy jest pomiar zarówno prądów fazowych jak i prądu składowej kolejności zerowej, wynikającej z sumy geometrycznej tych prądów (przy założeniu, że przebiegi prądów są nieodkształconymi przebiegami sinusoidalnymi). W automatyce zabezpieczeniowej układ gwiazdowy służy do zasilania zabezpieczeń od zwarć międzyfazowych i doziemnych.

Rys. 15.1. Schemat układu gwiazdowego przekładników prądowych.
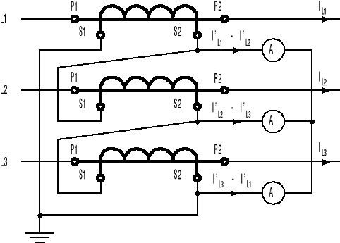
Układ trójkątowy (rys. 15.2) jest stosowany zwykle w układach automatyki zabezpieczeniowej do zasilania zabezpieczeń wykorzystujących w swym działaniu różnicę prądów fazowych (zabezpieczenia odległościowe, zabezpieczenia transformatorów o przynajmniej jednym uzwojeniu połączonym w gwiazdę, przekaźniki różnicowe). W układzie tym przekaźniki lub przyrządy pomiarowe mierzą różnicę prądów fazowych. Prąd składowej kolejności zerowej nie jest mierzony, gdyż zamyka się wewnątrz trójkąta uzwojeń wtórnych przekładników. Urządzenia pomiarowe reagują w tym układzie w różny sposób na różne rodzaje zwarć, dlatego układ trójkątowy nie może być wykorzystywany do zasilania zabezpieczeń nadprądowych.
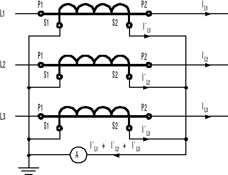
Układ niepełnej gwiazdy (rys. 15.3), nazywany również układem „V” umożliwia pomiar prądu w fazach, w których zainstalowane są przekładniki, natomiast pomiar w fazie trzeciej jest możliwy w przypadku obciążenia symetrycznego (suma prądów fazowych jest równa zeru). Układ ten nie reaguje na jednofazowe zwarcia doziemne występujące w fazie, w której nie zainstalowano przekładnika. Z tego względu jest stosowany w sieciach z izolowanym punktem neutralnym, o niewielkim prądzie zwarcia doziemnego.

Rys. 15.2. Schemat układu połączeń przekładników prądowych w trójkąt.

Rys. 15.3. Schemat układu połączeń przekładników prądowych połączonych w niepełną gwiazdę.
Układ krzyżowy (rys. 15.4) umożliwia pomiar różnicy geometrycznej prądów dwóch faz. Jest stosowany w układach automatyki zabezpieczeniowej w sieciach o nieuziemionym bezpośrednio punkcie neutralnym. Podobnie jak układ niepełnej gwiazdy, nie reaguje on na zwarcia z ziemią tej fazy, w której nie ma przekładnika. Wartość mierzonego prądu w różny sposób zależy od rodzaju zwarcia w sieci, jak to zilustrowano na ry. 15.4.
Układ Holmgreena (rys. 15.5) jest stosowany do pomiaru składowej symetrycznej zerowej prądu w sieci trójfazowej i przeznaczony zasadniczo do zasilania zabezpieczeń ziemnozwarciowych. Przekładniki prądowe stosowane w tym układzie powinny mieć identyczne parametry, gdyż w przeciwnym razie pojawiają się w układzie prądy wyrównawcze zmniejszające czułość zabezpieczenia.

Rys. 15.4. Schemat połączeń przekładników prądowych w układzie krzyżowym oraz wykresy wskazowe prądów dla charakterystycznych stanów zwarcia

Rys. 15.5. Schemat połączeń przekładników prądowych w układzie Holmgreena.
Układy połączeń przekładników napięciowych. Przekładniki napięciowe służą do transformacji wysokiego napięcia na niższe, przy którym jest możliwe bezpośrednie podłączenie przyrządów pomiarowych i zabezpieczeniowych. W przeciwieństwie do przekładników prądowych, uzwojenia pierwotne przekładników napięciowych są włączane do sieci równolegle, a więc ich działanie jest identyczne jak transformatorów. Wyróżnia się dwie konstrukcje przekładników napięciowych [15.3]:
indukcyjne, które są transformatorami pomiarowymi z uzwojeniem pierwotnym przyłączonym bezpośrednio do sieci; są one budowane przeważnie na napięcia znamionowe strony pierwotnej w zakresie napięć średnich, tj. od 6 kV do 30 kV,
pojemnościowe, w których transformator pomiarowy jest zasilany z pojemnościowego dzielnika napięciowego, dzięki czemu izolacja samego transformatora może być zbudowana na znacznie niższe napięcie niż w przekładnikach indukcyjnych; przekładniki pojemnościowe są stosowane w sieciach najwyższych napięć, tj. dla napięć znamionowych 110 kV i wyższych.

Rys. 15.6. Schemat układu połączeń przekładników napięciowych w niepełną gwiazdę (układ V).
W zakres ćwiczenia wchodzi badanie przekładników napięciowych indukcyjnych. Przekładniki napięciowe budowane są zwykle jako aparaty jednofazowe, które do pracy w sieci trójfazowej są łączone w odpowiednie układy połączeń. Najczęściej są stosowane dwa układy połączeń przekładników napięciowych:
układ niepełnej gwiazdy (układ oszczędnościowy nazywany układem „V”),
układy gwiazdowe.
Układ niepełnej gwiazdy (rys. 15.6) składa się z dwóch przekładników włączonych na napięcia międzyprzewodowe, dzięki czemu można odtworzyć wartości wszystkich trzech napięć międzyprzewodowych. Układ ten jest stosowany na ogół w sieciach z izolowanym punktem neutralnym.
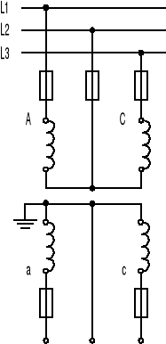
Układy gwiazdowe (rys. 15.7) są stosowane zarówno w sieciach z uziemionym jak i izolowanym punktem neutralnym, odpowiednio z uziemionym (rys. 15a) lub izolowanym (rys. 15b) punktem gwiazdowym uzwojeń pierwotnych. Produkowane są również przekładniki napięciowe trójuzwojeniowe, wyposażone w dwa uzwojenia wtórne (rys.15.7c). Uzwojenia dodatkowe łączy się w otwarty trójkąt. Przekładnik trójuzwojeniowy umożliwia pomiar napięć fazowych i przewodowych (rys. 15.8) oraz pomiar napięć w przypadku asymetrii sieci trójfazowej względem ziemi.

Rys. 15.7. Układy gwiazdowe połączeń przekładników napięciowych;

Rys. 15.8. Wykresy wskazowe napięć mierzonych w układzie przekładników z rys. 15.7.c podczas normalnej pracy sieci (a) oraz podczas doziemienia fazy L3 poprzez impedancję; UL1L2, UL3L2, UL2L1 napięcia międzyprzewodowe, UZL1, UZL2, UZL3 - napięcia względem faz i ziemi, UL1N, UL2N, UL3N - napięcia względem faz i punktu neutralnego sieci, UZN = U0 - napięcie pomiędzy ziemią a punktem neutralnym sieci podczas doziemienia jednej z faz przez impedancję, równe napięciu kolejności zerowej.
15.3. Niezbędne przygotowanie studenta
Przed przystąpieniem do ćwiczenia studenci powinni zapoznać się z materiałem dotyczącym układów połączeń przekładników zawartym m.in. w pozycjach [15.3 i 15.4].
15.4. Opis stanowiska laboratoryjnego
Stanowisko laboratoryjne jest wyposażone w trójfazowy autotransformator, zestaw przekładników prądowych i napięciowych, regulowanych dławików i rezystorów oraz zestaw przyrządów pomiarowych, umożliwiających budowę różnych układów połączeń, zgodnie ze schematami z rys. 15.1 - 15.7. Schemat połączenia obwodów pierwotnych układu laboratoryjnego do badania przekładników prądowych przedstawiono na rys. 15.9. Obwody wtórne przekładników w tym układzie należy połączyć zgodnie ze wskazaniami prowadzącego ćwiczenie, wykorzystując schematy z rys. 15.1 - 15.5. Podobnie należy połączyć układ badanych przekładników napięciowych.
Symulacja określonego rodzaju obciążenia układu przekładników (symetrycznego lub niesymetrycznego, dla stanu obciążenia roboczego i stanu zwarcia) przeprowadzana jest przez odpowiednią kombinację połączeń łączników K1, K2 i K3 oraz dobór odpowiedniej reaktancji L i rezystancji R obwodu.
Podczas łączenia układu pomiarowego należy pamiętać, aby jeden punkt obwodu wtórnego przekładników, znajdujący się bezpośrednio przy zaciskach wtórnych, był uziemiony.

Rys. 15.9. Schemat układu laboratoryjnego ilustrujący połączenie obwodów pierwotnych przekładników prądowych; Atr - autotransformator trójfazowy, L, R - zestaw regulowanych indukcyjności i rezystancji trójfazowych, W - łącznik główny, K1, K2, K3 - łączniki do symulacji symetrycznych i niesymetrycznych stanów obciążenia.
15.5. Program ćwiczenia
Program ćwiczenia przewiduje zestawienie i przebadanie wybranych, wskazanych przez prowadzącego, układów połączeń przekładników prądowych i napięciowych, przedstawionych na schematach z rys. 15.1 - 15.7, w układzie laboratoryjnym z rys. 15.9. Badania należy przeprowadzić z uwzględnieniem właściwości poszczególnych układów opisanych w punkcie 15.2 oraz zgodnie z zakresem prac podanych przez prowadzącego.
15.6. Opracowanie wyników badań
Sprawozdanie z ćwiczenia powinno zawierać:
Opis przebadanych układów połączeń przekładników wraz z ich schematami.
Zestawienie wyników pomiarów dla różnych, charakterystycznych stanów obciążenia.
Wnioski wynikające z przeprowadzonych badań.
15.7. Literatura
[15.1] PN-EN 60044-1 Przekładniki. Przekładniki prądowe. PKN 2000.
[15.2] PN-EN 60044-2 Przekładniki. Przekładniki napięciowe indukcyjne. PKN 2001.
[15.3] Markiewicz H.: Urządzenia elektroenergetyczne, WNT, Warszawa, 2001.
[15.4] Markiewicz H.: Aparaty elektryczne, PWN, Warszawa 1989.