Wykład 21
Prąd elektryczny i pole magnetyczne
Prąd elektryczny
Natężenie prądu elektrycznego
![]()
(21.1)
Jednostka: 1 amper, 1A.
Gęstość prądu elektrycznego
![]()
(21.2)
W nieobecności zewnętrznego pola elektrycznego elektrony poruszają się chaotycznie we wszystkich kierunkach. W zewnętrznym polu E uzyskują wypadkową (stałą z założenia) prędkość unoszenia vu.
Jeżeli n jest koncentracją elektronów to ilość ładunku Q jaka przepływa przez przewodnik o długości l w czasie t = l/vu wynosi

Q = nSle
Tak więc natężenie prądu wynosi

(21.3)
a gęstość prądu
![]()
(21.4)
gdzie ρ jest gęstością ładunku.
UMOWA: kierunek prądu = kierunek ruchu ładunków dodatnich.
Przykład 1
Prąd o natężeniu 1A płynie w drucie miedzianym o przekroju 1 mm2. Jaka jest średnia prędkość unoszenia elektronów przewodnictwa ? Masa atomowa miedzi μ = 63.8 g/mol, a gęstość ρ = 8.9 g/cm3.
Z równania na natężenie prądu otrzymujemy
![]()
Zakładamy, że na jeden atom przypada 1 elektron przewodnictwa (Cu+1). Możemy więc obliczyć koncentrację nośników
![]()
n = 8.4·1028 atom/m3
Wstawiając do równania na prędkość otrzymujemy
vu = 7.4·10-5 m/s = 0.074 mm/s
Prądy mogą też płynąć w gazach i cieczach. Lampy jarzeniowe są przykładem wykorzystania przepływu prądu w gazach. W gazach prąd jest wynikiem ruchu nie tylko elektronów ale i jonów dodatnich. Jednak lżejsze elektrony są znacznie szybsze i ich wkład do prądu jest dominujący. W zderzeniu elektronu z jonem lub atomem gazu energia może zostać zaabsorbowana przez atom, a następnie wypromieniowana w postaci promieniowania elektromagnetycznego w tym również widzialnego.
Prawo Ohma
Jeżeli do przewodnika przyłożymy różnicę potencjałów V, to przez przewodnik płynie prąd I. Na początku XIX wieku Ohm zdefiniował opór przewodnika jako napięcie podzielone przez natężenie prądu
![]()
(21.5)
Jest to definicja oporu. Ten stosunek jest stały pod warunkiem, że utrzymuje się stałą temperaturę.
Jednostką oporu (SI) jest 1 (Ohm) 1Ω.
Wyprowadzenie prawa Ohma
Bez pola elektrycznego prędkość ruchu chaotycznego u (nie powoduje przepływu prądu). Prędkość u jest związana ze średnią drogą swobodną λ i średnim czasem pomiędzy zderzeniami Δt zależnością: u = λ/Δt.
Jeżeli przyłożymy napięcie to na każdy elektron będzie działała siła F = eE i po czasie Δt każdy elektron osiągnie prędkość unoszenia vu = Δu daną II zasadą Newtona
![]()
Stąd
![]()
Podstawiając Δt = λ/u otrzymujemy
![]()
(21.6)
Prędkość unoszenia ma ten sam kierunek (przeciwny do E) dla wszystkich elektronów. Przy każdym zderzeniu elektron traci prędkość unoszenia.
Średnia droga swobodna λ jest tak mała, że vu jest zawsze mniejsza od u.
Obliczamy teraz natężenie prądu wstawiając wyrażenie na vu do wyrażenia (21.3) na natężenie I.
![]()
Dla elementu przewodnika o długości l (rysunek) obliczymy opór korzystając z faktu, że napięcie U = El.
Z prawa Ohma
![]()
(21.7)
R jest proporcjonalny do długości przewodnika i odwrotnie proporcjonalny do przekroju. Zauważmy, że R pozostaje stały tak długo jak długo u jest stałe, a u zależy tylko od temperatury (patrz wykład 15).
Równanie (21.7) przepiszmy w postaci
![]()
(21.8)
Stałą ρ nazywamy oporem właściwym.
Typowa zależność oporu od temperatury dla przewodników metalicznych jest pokazana na rysunku na następnej stronie.
Z dobrym przybliżeniem jest to zależność liniowa ρ ~ T za wyjątkiem temperatur bliskich zera bezwzględnego. Wtedy zaczyna odgrywać rolę tzw. opór resztkowy ρ0 zależny w dużym stopniu od czystości metalu. Istnieją jednak metal i stopy, dla których obserwujemy w dostatecznie niskich temperaturach całkowity zanik oporu. Zjawisko to nosi nazwę nadprzewodnictwa. Prądy wzbudzone w stanie nadprzewodzącym utrzymują się w obwodzie bez zasilania zewnętrznego. Ta możliwość utrzymania stale płynącego prądu rokuje duże nadzieje na zastosowania techniczne, które znacznie wzrosły po odkryciu w 1987 r materiałów przechodzących w stan nadprzewodzący w stosunkowo wysokich temperaturach, około 100 K. Materiały te noszą nazwę wysokotemperaturowych nadprzewodników a ich odkrywcy Bednorz i Müller zostali wyróżnieni Nagrodą Nobla.

Straty cieplne
Gdy elektron zderza się z atomem traci nadwyżkę energii, którą uzyskał w polu elektrycznym. Ponieważ energia kinetyczna nie wzrasta, cała energia stracona przez elektrony daje
dEcieplna = Udq
gdzie dq jest ładunkiem przepływającym(elektronów przewodnictwa).
Dzieląc obie strony przez dt otrzymujemy
![]()
P = UI (21.8)
przedstawia straty mocy elektrycznej.
Siła elektromotoryczna
Aby utrzymać prąd potrzeba źródła energii elektrycznej. Np. baterie, generatory. Nazywamy je źródłami siły elektromotorycznej SEM. W takich źródłach jeden rodzaj energii jest zamieniany na drugi. SEM oznaczamy ε i definiujemy
![]()
(21.9)
gdzie W jest energią elektryczną przekazywaną ładunkowi q, gdy przechodzi on przez źródło SEM.
Obwody prądu stałego
Łączenie oporów:
szeregowe (ten sam prąd przez oporniki) Rz = R1 + R2 + .....
równoległe (to samo napięcie na opornikach) 1/Rz = 1/R1 + 1/R2 + .....
Prawa Kirchoffa
Twierdzenie o obwodzie zamkniętym: algebraiczna suma przyrostów napięć w dowolnym obwodzie zamkniętym jest równa zeru. (Spadek napięcia jest przyrostem ujemnym napięcia).
Twierdzenie o punkcie rozgałęzienia: algebraiczna suma natężeń prądów przepływających przez punkt rozgałęzienia jest równa zeru.
Twierdzenie o obwodzie zamkniętym jest wynikiem prawa zachowania energii, a twierdzenie o punkcie rozgałęzienia wynika z prawa zachowania ładunku.
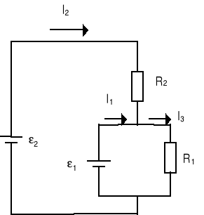
Przykład 2

Regulator napięcia (rysunek na następnej stronie). Opornik R1 ma napięcie określone przez ε1 a prąd pobiera z ε2.
W każdej gałęzi obwodu trzeba z osobna przyjąć kierunek prądu i jego natężenie. Prawdziwy kierunek rozpoznamy po znaku obliczonego natężenia. Spadek napięcia pojawia się przy przejściu przez każdy opornik w kierunku zgodnym z prądem. Przyrost napięcia pojawia się przy przejściu przez źródło od "-" do "+".
Zastosowanie I prawa Kirhoffa do "dużej" pętli daje
ε2 - I2R2 - I3R1 = 0
a dla "małej" pętli
ε1 - I3R1 = 0
Po odjęciu stronami otrzymamy
ε2 - ε1 - I2R2 = 0
![]()
Dla węzła
I1 + I2 - I3 = 0
skąd

Zauważmy, że gdy dobrać warunki tak aby

to I1 = 0 i ε1 nie daje żadnego prądu. Taki układ ma ważne zastosowanie praktyczne. Napięcie ε1 może być niskoprądowym ogniwem wzorcowym, mimo że R1 może pobierać duży prąd (głównie z ε2).
Pole magnetyczne
Doświadczalnie stwierdzamy, że występuje oddziaływanie:
magnesów naturalnych (Fe3O4)
oddziaływanie przewodników z prądem na ładunki w ruchu (kineskop)
oddziaływanie przewodników z prądem na siebie
Magnesem jest sama Ziemia. Jej działanie na igłę kompasu jest znane od Starożytności.
Te oddziaływania opisujemy wprowadzając pojęcie pola magnetycznego.
Siła magnetyczna
Pole grawitacyjne (natężenie) ![]()
Pole elektryczne (natężenie) ![]()
Pole magnetyczne (indukcja) ![]()
(Siła działa na ładunki w ruchu i jest proporcjonalna do qv).
Jednostką B jest tesla; 1T = N/(Am)
Powyższy wzór jest prawdziwy dla ruchu ładunku prostopadle do B ale siła Fmagn (siła Lorentza) zależy od kierunku v. Ta zależność od kierunku jest zapisana poprzez równanie wektorowe
![]()
(21.10)
gdzie kierunek definiuje się z reguły śruby prawoskrętnej (iloczyn wektorowy).
Zauważmy, że Fmagn jest zawsze prostopadłe do v. Zatem, zgodnie z twierdzeniem o pracy i energii Fmagn nie może zmienić energii kinetycznej poruszającego się ładunku i ładunek krąży po okręgu. Stąd
![]()
![]()
jest promieniem okręgu.
Siła działa na ładunki w ruchu więc działa na cały przewodnik z prądem.
F = evuB
![]()
W przewodniku o długości l znajduje się nSl elektronów, więc całkowita siła
![]()
Równanie w ogólnym przypadku ma postać
![]()
(21.11)
Działanie pola magnetycznego na obwód z prądem
Rozważymy teraz działanie pola magnetycznego na zamknięty obwód z prądem.

Prostokątną ramkę o bokach a i b umieszczamy w jednorodnym polu magnetycznym o indukcji B. Przez ramkę płynie prąd o natężeniu I, a normalna do płaszczyzny ramki tworzy kąt z polem B (rysunek).
Rozpatrujemy siłę działającą na każdy z boków. Siły Fb działające na odcinki b znoszą się wzajemnie. Siły Fa działające na odcinki a też się znoszą ale tworzą parę sił dającą wypadkowy moment siły
![]()
lub wektorowo (na podstawie definicji iloczynu wektorowego)
![]()
Siła Fa wynosi
![]()
więc
![]()
(21.12)
gdzie S = ab jest powierzchnią ramki. Równanie (21.12) możemy zapisać w postaci wektorowej
![]()
(21.13)
gdzie S jest wektorem powierzchni.
Wielkość
![]()
(21.14)
nazywamy magnetycznym momentem dipolowym. Pole magnetyczne działa więc na ramkę z prądem (dipol magnetyczny) momentem skręcającym obracając ją. Położenie równowagi ramki (dipola magnetycznego) występuje dla = 0 tj. gdy ramka jest ustawiona prostopadle do pola B. Przykładem dipola magnetycznego jest igła kompasu, która umieszczona w polu magnetycznym obraca się ustawiając zgodnie z polem.
Taką "kołową ramką z prądem" jest również elektron krążący po orbicie w atomie. Moment dipolowy elektronu krążącego po orbicie o promieniu r wynosi
![]()
Natężenie prądu wytwarzanego przez elektron o ładunku e przebiegający orbitę w czasie T (okres obiegu) wynosi
![]()
gdzie v jest prędkością elektronu. Stąd
![]()
gdzie L = mvr jest momentem pędu elektronu. Elektron, krążący po orbicie jest więc elementarnym dipolem magnetycznym. Własności magnetyczne ciał są właśnie określone przez zachowanie się tych elementarnych dipoli w polu magnetycznym. Własności te omówimy na dalszych wykładach.
Z momentem siły działającym na dipol związana jest tzw. energia magnetyczna dipola Można również pokazać, że ta energia wyraża się wzorem
Em = - B = - Bcos (21.15)
Zauważmy, że minimum energii odpowiada ustawieniu dipola w kierunku równoległym do pola magnetycznego B ( = 0).
Efekt Halla

Jeżeli płytkę metalu (lub półprzewodnika) umieścimy w polu magnetycznym, prostopadłym do kierunku przepływu prądu, to na ładunki będzie działała siła odchylająca powodująca zakrzywienie torów ładunków w kierunku jednej ze ścianek bocznych płytki. Niezależnie czy prąd jest związany z ruchem ładunków dodatnich czy ujemnych mamy do czynienia z odchylaniem ładunków w kierunku jednej krawędzi. Przesunięcie ładunków powoduje powstanie poprzecznego pola elektrycznego Halla EH. To pole przeciwdziała dalszemu przesuwaniu ładunków. Pole Halla jest dane wzorem
![]()
W stanie równowagi odchylające pole magnetyczne jest równoważone przez pole elektryczne
qEH + q(vu × B) = 0
Stąd
EH = - vu × B
Wynika stąd, że jeżeli zmierzymy EH i B to możemy znaleźć vu.
Gdy vu i B są prostopadłe to
EH = vuB
Ponieważ:
vu = j/ne
więc
EH = (jB)/(ne) lub n = (jB)/(eEH)
Możemy wyznaczyć n.
Można też wykorzystać ten efekt do pomiaru pola magnetycznego.
20-10
21-1



