POLITECHNIKA ŚWIĘTOKRZYSKA W KIELCACH
|
||
LABORATORIUM MASZYN ELEKTRYCZNYCH
|
||
Ćwiczenie nr 2 |
Temat: Badanie silnika synchronicznego. |
Nr . grupy : 22a Dobrowolski Grzegorz Fornalczyk Jacek Grudzień Jacek Góralski Wojtek |
Data wykonania ćwiczenia. 16.10.1998. rok |
Data oddania sprawozdania. 23.10.1998. rok |
Ocena. |
1.Cel ćwiczenia:
a) pomiar krzywych "v" silnika synchronicznego ,
b) pomiar charakterystyki elektromechanicznej silnika.
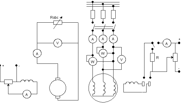
2.Schemat pomiarowy do badania charakterystyk.

3. Parametry:
a) Silnika hamujacego.
TYP PZMb44a IP14 NR 468088 PN=2,2kW UN=110V IN=24,2A
![]()
Prąd wzbudzenia 0,66A PN-65/E-06000
b) Prądnicy.
TYP 6B0d22b Nr 6385 PN=4kW UN=400V IN=7,2A ![]()
![]()
![]()
![]()
PN-65/E-06000
4. Tabele pomiarowe :
Dla charakterystyki elektromechanicznej.
Lp. |
I1 |
I2 |
I3 |
PA |
PB |
P1 |
P2* |
M |
|
|
W |
W |
Nm |
- |
|||||
1. |
0,9 |
0 |
0,75 |
280 |
200 |
480 |
150 |
|
|
2. |
1,1 |
0,3 |
1 |
320 |
300 |
620 |
260 |
|
|
3. |
1,8 |
0,5 |
1,65 |
520 |
520 |
1040 |
600 |
|
|
4. |
2,65 |
1 |
2,5 |
780 |
820 |
1600 |
1120 |
|
|
5. |
3,2 |
1,1 |
3,05 |
1120 |
980 |
2100 |
1450 |
|
|
b) Dla charakterystyk pomiaru krzywych ” V ”.
Lp. |
PZ=0 |
|
|
|||
|
W |
W |
W |
|||
|
IA |
IF |
IA |
IF |
IA |
IF |
|
A |
A |
A |
|||
1. |
5,7 |
0 |
6,1 |
0 |
8,7 |
0 |
2. |
4,7 |
0,5 |
5,05 |
0,5 |
7,4 |
0,35 |
3. |
3,3 |
1 |
3,9 |
0,9 |
6,15 |
0,7 |
4. |
2,2 |
1,4 |
2,75 |
1,4 |
5,25 |
1 |
5. |
1,3 |
1,7 |
2 |
1,6 |
4 |
1,5 |
6. |
0 |
2,2 |
1,48 |
2,15 |
2,9 |
2,3 |
7. |
0,8 |
2,6 |
2,1 |
2,3 |
3,8 |
3,3 |
8. |
1,75 |
3 |
3 |
3,3 |
4,9 |
3,9 |
9. |
2,8 |
3,45 |
4,25 |
3,9 |
5,75 |
4,3 |
10. |
3,65 |
3,80 |
5,2 |
4,3 |
7 |
4,9 |
11. |
4,5 |
4,1 |
6,2 |
4,7 |
7,9 |
5,3 |
12. |
5,7 |
4,65 |
|
|
8,7 |
5,6 |

5. Wzory i przykładowe obliczenia:
Na podstawie otrzymanych pomiarów i charakterystyk mogliśmy wyliczyć następujące wielkości hybrydowe:
współczynnik wzmocnienia prądowego z charakterystyki IC = f ( IB ), który wyraża się wzorem
![]()
przy UCE =const.
Dla stałego napięcia UCE = 7 V
ΔIC = 5,98 - 2,94 = 3,04 mA
ΔIB = 22 - 12 = 10 μA
Dla stałego napięcia UCE = 12 V
ΔIC = 6,17 - 2,01 = 4,16 mA
ΔIB = 20 - 8 = 12 μA
przewodność wyjściową z charakterystyki IC = f ( UCE ), wyrażoną wzorem
przy IB = const.
Dla stałego prądu bazy IB = 12 μA
ΔIC = 3,32 - 2,64 = 0,68 mA
ΔUCE = 13 - 4 = 9 V
Dla stałego prądu bazy IB = 32 μA
ΔIC = 12,41 - 7,65 = 4,76 mA
ΔUCE = 15 - 3 = 12 V
![]()
Na podstawie otrzymanych wyników obliczeń mogliśmy wyliczyć parametry h tranzystorów połączonych w układzie wspólnego kolektora i wspólnej bazy.
a ) Dla układu wspólnej bazy:
- przypadek 1:obliczenia na podstawie ch-yk wyjściowej przy UCE = 7 V i prądowej przy IB = 12 μA
![]()

- przypadek 2:obliczenia na podstawie ch-yk wyjściowej przy UCE = 12 V i prądowej przy IB = 32 μA
![]()

b ) Dla układu wspólnego kolektora:
- przypadek 1: obliczenia na podstawie ch-yk wyjściowej przy UCE = 7 V i prądowej przy IB = 12 μA
![]()
![]()
- przypadek 2:obliczenia na podstawie ch-yk wyjściowej przy UCE = 12 V i prądowej przy IB = 32 μA
![]()
![]()
6. Wnioski :
Podczas ćwiczenia badaliśmy metodą punkt po punkcie wygląd charakterystyk prądowych i wyjściowych tranzystora typu n-p-n. Z otrzymanych wyników widać, że ich wygląd jest podobny do przewidywanych charakterystyk.
Z charakterystyk wyjściowych dowiedzieliśmy się, że ze wzrostem napięcia kolektor-emiter (UCE) prąd kolektora (IC) narasta w dwojaki sposób. Wpierw narasta bardzo szybko wraz z małymi zmianami napięcia UCE , po czym zaczyna narastać w sposób co raz to łagodniejszy aż prawie do linii poziomej. Wówczas tranzystor zaczyna wchodzić w stan nasycenia, jednak nie jest to dokładnie przedstawione na wykresie uzyskanym podczas ćwiczenia. Dokładniejszą charakterystykę można by było uzyskać zwiększając zakres napięcia UCE , pilnując aby nie przekroczyć mocy admisyjnej badanego tranzystora.
Kolejnym zauważalnym faktem jest wygląd charakterystyk wyjściowych w zależności od różnych wartości stałego prądu bazy (IB) , przy którym te charakterystyki były zdejmowane. Dla większego prądu bazy tranzystor zaczynał wpadać w stan nasycenia przy większej wartości napięcia UCE .
Z charakterystyk wyjściowych wyliczyliśmy parametr jakim jest przewodność wyjściowa - h22e. Parametr ten zmienił się przy różnych obliczeniach wykonywanych ze względu na przyjęty stały prąd bazy. Dla większego prądu bazy wartość tego parametru zwiększyła się kilkakrotnie, co oznacza, że ze wzrostem IB maleje rezystancja wyjścia będąca odwrotnością przewodności.
Przy pomocy parametru h22e obliczonego dla tranzystora w układzie wspólnego emitera mogliśmy wyliczyć tenże parametr dla tranzystorów pracujących w układach wspólnego kolektora i wspólnej bazy.
Dla układu wspólnego kolektora parametr ten ma takie same wartości, zaś dla układu wspólnej bazy wartości wyliczonego parametru zmniejszyły się kilkusetkrotnie, co oznacza, że w układzie wspólnej bazy rezystancja wyjściowa jest bardzo duża.
Kolejną uzyskaną na ćwiczeniach grupą charakterystyk są charakterystyki prądowe. Wykonaliśmy je dla różnych wartości napięcia UCE . Zauważyliśmy, że prąd kolektora zmienia się wraz ze wzrostem prądu bazy w sposób prawie liniowy. Wygląd charakterystyki uzależniony jest od wartości napięcia UCE .Dla większego napięcia UCE nachylenie charakterystyki zwiększa się.
Z tych charakterystyk wyliczyliśmy parametr będący współczynnikiem wzmocnienia - h21e .Otrzymane wyniki zgadzają się z przewidywanymi wartościami dla tranzystora typu BC-107.Po przeliczeniu tego parametru dla układów wspólnego kolektora i wspólnej bazy zauważyliśmy, że dla układu wspólnego kolektora otrzymaliśmy takie same wyniki lecz ze znakiem ujemnym, zaś dla układu wspólnej bazy współczynnik wzmocnienia prądowego równy jest prawie 1, czyli, że w układzie tym brak jest wzmocnienia prądowego.