Karta instrukcyjna obróbki |
Symbol, rysunek, części : |
Znak : |
|||||||||||||||||||||||||||
Treść operacji : Cięcie pręta Ø 38 na wymiar l = 183,8 [mm] |
Stanowisko robocze : Przecinarka taśmowa BEG - 200 |
Nr operacji: 5 |
|||||||||||||||||||||||||||
Ustawienie |
Pozycja |
Zabieg |
Liczba przejść |
Opis zabiegu |
Narzędzie |
Warunki skrawania |
Czas masz. [min] |
||||||||||||||||||||||
|
|
|
|
|
|
D, d B |
L |
ap |
f |
fz |
vf |
vc |
n |
i |
|
||||||||||||||
1 |
1 |
1 |
1 |
Ciąć pręt Ø 38 na |
Piła taśmowa |
38 |
183,8 |
- |
0,5 |
- |
- |
60 |
- |
1 |
0.8 |
||||||||||||||
|
|
|
|
|
|
|
|
|
|
|
|
|
|
|
|
||||||||||||||
|
|
|
|
|
|
|
|
|
|
|
|
|
|
|
|
||||||||||||||
|
|
|
|
|
|
|
|
|
|
|
|
|
|
|
|
||||||||||||||
|
|
|
|
|
|
|
|
|
|
|
|
|
|
|
|
||||||||||||||
|
|
|
|
|
|
|
|
|
|
|
|
|
|
|
|
||||||||||||||
|
|
|
|
|
|
|
|
|
|
|
|
|
|
|
|
||||||||||||||
|
|
|
|
|
|
|
|
|
|
|
|
|
|
|
|
||||||||||||||
|
|
|
|
|
|
|
|
|
|
|
|
|
|
|
|
||||||||||||||
|
|
|
|
|
|
|
|
|
|
|
|
|
|
|
|
||||||||||||||
Szkic, uwagi :
|
Przyrządy i uchwyty obróbkowe :
- Uchwyt hydrauliczny; - Opaski do zamocowania pakietu prętów (5-6); |
||||||||||||||||||||||||||||
|
Przyrządy i uchwyty narzędziowe :
- Piła taśmowa; |
||||||||||||||||||||||||||||
|
Narzędzia pomiarowe :
- Przymiar kreskowy; |
||||||||||||||||||||||||||||
|
Opracował: Konrad Kulikowski Mariusz Michalski |
Sprawdził: dr inż Jacek Habel |
Zatwierdził: dr inż Jacek Habel |
||||||||||||||||||||||||||
Karta instrukcyjna obróbki |
Symbol, rysunek, części: |
Znak: |
|||||||||||||||||||||||||||
Treść operacji: Frezowanie powierzchni czołowych i wykonanie nakiełków |
Stanowisko robocze: Frezarka WCF 40 |
Nr operacji: 10 |
|||||||||||||||||||||||||||
Ustawienie |
Pozycja |
Zabieg |
Liczba przejść |
Opis zabiegu |
Narzędzie |
Warunki skrawania |
Czas masz. [min] |
||||||||||||||||||||||
|
|
|
|
|
|
D, d B |
L |
ap |
f |
fz |
vf |
vc |
n |
i |
|
||||||||||||||
1 |
1 |
1 |
1 |
Planowanie czół zachowując wymiar 180 mm |
03680 |
38 |
38 |
3,8 |
0,8 |
|
144 |
142 |
190 |
1 |
0,28 |
||||||||||||||
|
|
2 |
1 |
Wykonanie nakiełka B2.5 |
NWRd4 |
2,5 |
10 |
1,25 |
0,06 |
|
84 |
11 |
140 |
1 |
0,19 |
||||||||||||||
|
|
|
|
|
|
|
|
|
|
|
|
|
|
|
|
||||||||||||||
|
|
|
|
|
|
|
|
|
|
|
|
|
|
|
|
||||||||||||||
|
|
|
|
|
|
|
|
|
|
|
|
|
|
|
|
||||||||||||||
Szkic, uwagi :
|
Przyrządy i uchwyty obróbkowe:
-Pryzmy stałe |
||||||||||||||||||||||||||||
|
Przyrządy i uchwyty narzędziowe:
-Głowica 03680 -Nakiełczak NWRd4 |
||||||||||||||||||||||||||||
|
Narzędzia pomiarowe:
- Przymiar |
||||||||||||||||||||||||||||
|
Opracował : Konrad Kulikowski Mariusz Michalski |
Sprawdził : dr inż Jacek Habel |
Zatwierdził : dr inż Jacek Habel |
||||||||||||||||||||||||||
Karta instrukcyjna obróbki |
Symbol, rysunek, części : |
Znak : |
||||||||||||||||
Treść operacji : Toczenie zgrubne powierzchni zewnętrznych |
Stanowisko robocze : Tokarka TAE - 45N |
Nr operacji: 15 |
||||||||||||||||
Ustawienie |
Pozycja |
Zabieg |
Liczba przejść |
Opis zabiegu |
Narzędzie |
Warunki skrawania |
Czas masz. [min] |
|||||||||||
|
|
|
|
|
|
D, d B |
L |
ap |
f |
fz |
vf |
vc |
n |
i |
|
|||
1 |
1 |
1 |
1 |
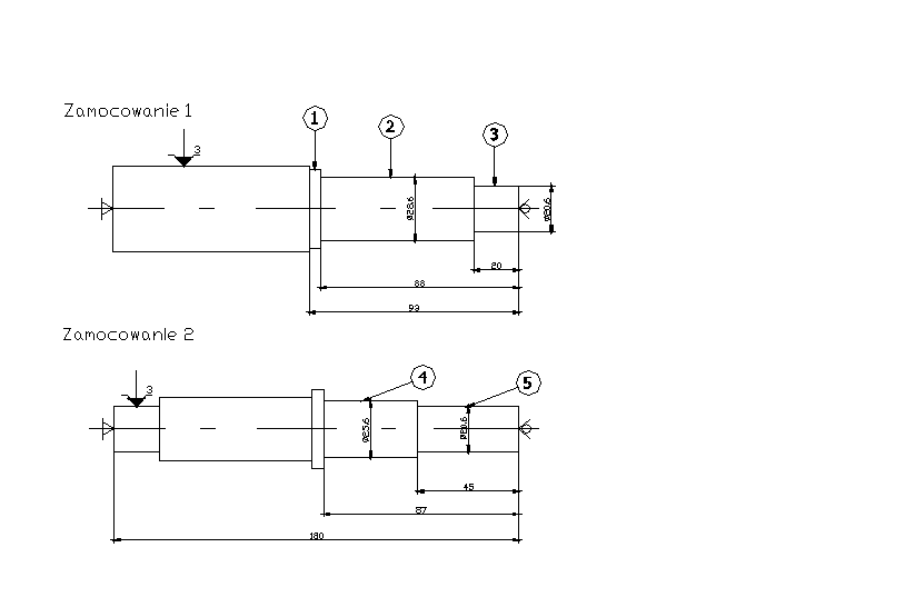
Toczyć powierzchnie 38 na wymiar |
DCLNL 2525M16 |
38 |
103 |
1.5 |
0.4 |
- |
- |
205 |
1718 |
1 |
0.15 |
|||
|
|
2 |
1 |
Toczyć powierzchnie 35 na wymiar |
DCLNL 2525M16 |
35 |
98 |
3.2 |
0.4 |
- |
- |
204 |
1864 |
1 |
0.13 |
|||
|
|
3 |
1 |
Toczyć powierzchnie 28.6 na wymiar |
DCLNL 2525M16 |
28.6 |
30 |
4.0 |
0.4 |
- |
- |
203 |
2282 |
1 |
0.04 |
|||
2 |
2 |
4 |
1 |
Toczyć powierzchnie 38 na wymiar |
DCLNL 2525M16 |
38 |
97 |
6.2 |
0.4 |
- |
- |
205 |
1718 |
1 |
0.14 |
|||
|
|
5 |
1 |
Toczyć powierzchnie 25.6 na wymiar |
DCLNL 2525M16 |
25.6 |
55 |
2.5 |
0.4 |
- |
- |
204 |
2548 |
1 |
0.06 |
|||
|
|
|
|
|
|
|
|
|
|
|
|
|
|
|
|
|||
|
|
|
|
|
|
|
|
|
|
|
|
|
|
|
|
|||
|
|
|
|
|
|
|
|
|
|
|
|
|
|
|
|
|||
|
|
|
|
|
|
|
|
|
|
|
|
|
|
|
|
|||
|
|
|
|
|
|
|
|
|
|
|
|
|
|
|
|
|||
Szkic, uwagi :
|
Przyrządy i uchwyty obróbkowe :
- Uchwyt tokarski samocentrujący trójszczękowy (PUXd 250); - Kieł obrotowy (PZMb3); - Zderzak; |
|||||||||||||||||
|
Przyrządy i uchwyty narzędziowe :
- Oprawka DCLNL2525M16
|
|||||||||||||||||
|
Narzędzia pomiarowe :
- Suwmiarka MAUb 140
|
|||||||||||||||||
|
Opracował: Konrad Kulikowski Mariusz Michalski |
Sprawdził: dr inż Jacek Habel |
Zatwierdził: dr inż Jacek Habel |
|||||||||||||||
Karta instrukcyjna obróbki |
Symbol, rysunek, części : |
Znak : |
||||||||||||||||
Treść operacji : Toczenie kształtujące powierzchni zewnętrznych |
Stanowisko robocze : Tokarka TAE - 45N |
Nr operacji: 15 |
||||||||||||||||
Ustawienie |
Pozycja |
Zabieg |
Liczba przejść |
Opis zabiegu |
Narzędzie |
Warunki skrawania |
Czas masz. [min] |
|||||||||||
|
|
|
|
|
|
D, d B |
L |
ap |
f |
fz |
vf |
vc |
n |
i |
|
|||
1 |
1 |
1 |
1 |
Toczyć powierzchnie 20.6 na wymiar |
DCLNL 2525M12 |
20.6 |
30 |
0.3 |
0.3 |
- |
- |
290 |
4482 |
1 |
0.024 |
|||
|
|
2 |
1 |
Toczyć powierzchnie 28.6 na wymiar 27.5 na długość 7 [mm] |
DCLNL 2525M12 |
28.6 |
17 |
0.55 |
0.3 |
- |
- |
290 |
3228 |
1 |
0.017 |
|||
|
|
3 |
2 |
Toczyć powierzchnie 28.6 na wymiar |
DDJNL 2525M15 |
28.6 |
37 |
1.5 0.8 |
0.3 |
- |
- |
290 |
3228 |
2 |
0.076 |
|||
|
|
4 |
1 |
Toczyć powierzchnie 28.6 na wymiar |
DCLNL 2525M12 |
28.6 |
50 |
0.3 |
0.3 |
- |
- |
290 |
3228 |
1 |
0.052 |
|||
|
|
5 |
1 |
Podtoczyć rowek 2 x 1 na powierzchni |
LF151.22-2525-20 |
20 |
11 |
1 |
0.3 |
- |
- |
204 |
3262 |
1 |
0.011 |
|||
|
|
6 |
1 |
Podtoczyć rowek 2 x 1 na powierzchni |
LF151.22-2525-20 |
28 |
11 |
1 |
0.3 |
- |
- |
289 |
3296 |
1 |
0.011 |
|||
|
|
7 |
1 |
Podtoczyć rowek 2 x 1 na powierzchni |
LF151.22-2525-20 |
28 |
11 |
1 |
0.3 |
- |
- |
289 |
3296 |
1 |
0.011 |
|||
|
|
8 |
1 |
Fazować powierzchnię 20 na wymiar 1 x 45o |
DSSNL 2525M15 |
20 |
11 |
1 |
0.3 |
- |
- |
204 |
3262 |
1 |
0.011 |
|||
|
|
|
|
|
|
|
|
|
|
|
|
|
|
|
|
|||
|
|
|
|
|
|
|
|
|
|
|
|
|
|
|
|
|||
Szkic, uwagi :
|
Przyrządy i uchwyty obróbkowe : - Uchwyt tokarski samocentrujący trójszczękowy (PUXd 250); - Kieł obrotowy (PZMb3); - Zderzak; |
|||||||||||||||||
|
Przyrządy i uchwyty narzędziowe : - Oprawka DCLNL 2525M12
|
|||||||||||||||||
|
Narzędzia pomiarowe :
- Suwmiarka MAUb 140
|
|||||||||||||||||
|
Opracował: Konrad Kulikowski Mariusz Michalski |
Sprawdził: dr inż Jacek Habel |
Zatwierdził: dr inż Jacek Habel |
|||||||||||||||
Karta instrukcyjna obróbki |
Symbol, rysunek, części : |
Znak : |
||||||||||||||||
Treść operacji : Toczenie kształtujące powierzchni zewnętrznych |
Stanowisko robocze : Tokarka TAE - 45N |
Nr operacji: 15 |
||||||||||||||||
Ustawienie |
Pozycja |
Zabieg |
Liczba przejść |
Opis zabiegu |
Narzędzie |
Warunki skrawania |
Czas masz. [min] |
|||||||||||
|
|
|
|
|
|
D, d B |
L |
ap |
f |
fz |
vf |
vc |
n |
i |
|
|||
2 |
1 |
9 |
1 |
Toczyć powierzchnie 20.6 na wymiar |
DCLNL 2525M12 |
20.6 |
55 |
0.3 |
0.3 |
- |
- |
290 |
4482 |
1 |
0.041 |
|||
|
|
10 |
1 |
Toczyć powierzchnie 25.6 na wymiar |
DCLNL 2525M12 |
25.6 |
97 |
0.3 |
0.3 |
- |
- |
290 |
3606 |
1 |
0.089 |
|||
|
|
11 |
1 |
Podtoczyć rowek 2 x 1 na powierzchni |
LF151.22-2525-20 |
20 |
11 |
1 |
0.3 |
- |
- |
204 |
3262 |
1 |
0.011 |
|||
|
|
12 |
1 |
Podtoczyć rowek 2 x 1 na powierzchni |
LF151.22-2525-20 |
20 |
11 |
1 |
0.3 |
- |
- |
204 |
3262 |
1 |
0.011 |
|||
|
|
13 |
1 |
Podtoczyć rowek 2 x 1 na powierzchni |
LF151.22-2525-20 |
25 |
11 |
1 |
0.3 |
- |
- |
289 |
3692 |
1 |
0.010 |
|||
|
|
14 |
1 |
Fazować powierzchnię 20 na wymiar 1 x 45o |
DSSNL 2525M15 |
20 |
11 |
1 |
0.3 |
- |
- |
204 |
3262 |
1 |
0.011 |
|||
|
|
15 |
1 |
Fazować powierzchnię 27.5 na wymiar 2 x 45o |
DDJNL 2525M15 |
27.5 |
12 |
1 |
0.3 |
- |
- |
289 |
3356 |
1 |
0.012 |
|||
|
|
|
|
|
|
|
|
|
|
|
|
|
|
|
|
|||
|
|
|
|
|
|
|
|
|
|
|
|
|
|
|
|
|||
|
|
|
|
|
|
|
|
|
|
|
|
|
|
|
|
|||
Szkic, uwagi :
|
Przyrządy i uchwyty obróbkowe : - Uchwyt tokarski samocentrujący trójszczękowy (PUXd 250); - Kieł obrotowy (PZMb3); - Zderzak;
|
|||||||||||||||||
|
Przyrządy i uchwyty narzędziowe : - Oprawka DCLNL 2525M12
|
|||||||||||||||||
|
Narzędzia pomiarowe :
- Suwmiarka MAUb 140
|
|||||||||||||||||
|
Opracował: Konrad Kulikowski Mariusz Michalski |
Sprawdził: dr inż Jacek Habel |
Zatwierdził: dr inż Jacek Habel |
|||||||||||||||
Karta instrukcyjna obróbki |
Symbol, rysunek, części: |
Znak: |
|||||||||||||||||||||||||||||||
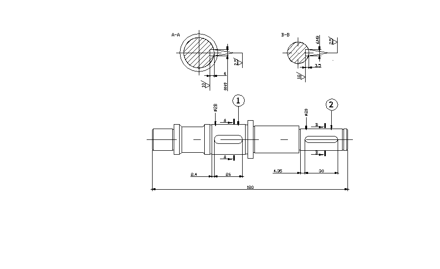
Treść operacji: Frezowanie rowków wpustowych |
Stanowisko robocze: Frezarka FYN-50ND |
Nr operacji: 20 |
|||||||||||||||||||||||||||||||
Ustawienie |
Pozycja |
Zabieg |
Liczba przejść |
Opis zabiegu |
Narzędzie |
Warunki skrawania |
Czas masz. [min] |
||||||||||||||||||||||||||
|
|
|
|
|
|
D, d B |
L |
ap |
f |
fz |
vf |
vc |
n |
i |
|
||||||||||||||||||
1 |
1 |
1 |
1 |
Frezować rowek na wpust na powierzchni φ28 zachowując wymiar 8 x 4 x 26 |
R216.32-08030-BC09N |
28 |
26 |
4 |
- |
0.04 |
68.2 |
149 |
1705 |
1 |
0.38 |
||||||||||||||||||
|
|
2 |
1 |
Frezować rowek na wpust na powierzchni φ20 zachowując wymiar 6 x 3.5 x 30 |
R216.32-06030-BC07N |
20 |
30 |
3.5 |
- |
0.03 |
71.6 |
149 |
2387 |
1 |
0.45 |
||||||||||||||||||
|
|
|
|
|
|
|
|
|
|
|
|
|
|
|
|
||||||||||||||||||
|
|
|
|
|
|
|
|
|
|
|
|
|
|
|
|
||||||||||||||||||
|
|
|
|
|
|
|
|
|
|
|
|
|
|
|
|
||||||||||||||||||
Szkic, uwagi :
|
Przyrządy i uchwyty obróbkowe: -Tarcza zabierakowa PZRa 150 -Kieł stały PZKb2.5 -Zabierak frezarski PZTa50 |
||||||||||||||||||||||||||||||||
|
Przyrządy i uchwyty narzędziowe: -Oprawka C3-391.20-06045 -Frez R216.32-06030-BC07N
|
||||||||||||||||||||||||||||||||
|
Narzędzia pomiarowe:
- Suwmiarka MAUb 140 |
||||||||||||||||||||||||||||||||
|
Opracował : Konrad Kulikowski Mariusz Michalski |
Sprawdził : dr inż Jacek Habel |
Zatwierdził : dr inż Jacek Habel |
||||||||||||||||||||||||||||||
Karta instrukcyjna obróbki |
Symbol, rysunek, części: |
Znak: |
|||||||||||||||||||||||||||||||
Treść operacji: Szlifowanie powierzchni
|
Stanowisko robocze: Szlifierka RUP 28 |
Nr operacji: 25
|
|||||||||||||||||||||||||||||||
Ustawienie |
Pozycja |
Zabieg |
Licz przejść |
Opis zabiegu |
Narzędzie |
Warunki skrawania |
Czas masz. [min] |
||||||||||||||||||||||||||
|
|
|
|
|
|
dp |
ls bs |
L |
f |
ag |
fw |
vp |
np |
i |
|
||||||||||||||||||
1 |
1 |
1 |
10 |
Szlifować powierzchnię nr 1 na wymiar 20 h6 na długości |
T1350 x 50x127 19A60M5V8E |
20 |
20 50 |
30 |
1 |
0.03 |
- |
29 |
477 |
10 |
0.62 |
||||||||||||||||||
|
|
2 |
10 |
Szlifować powierzchnię nr 2 na wymiar 28 g6 na długości |
T1350 x 50x127 19A60M5V8E |
28 |
35 50 |
45 |
1 |
0.03 |
- |
29 |
341 |
10 |
1.31 |
||||||||||||||||||
|
|
3 |
10 |
Szlifować powierzchnię nr 3 na wymiar 25 h6 na długości |
T1350 x 50x127 19A60M5V8E |
25 |
42 50 |
52 |
1 |
0.03 |
- |
30 |
382 |
10 |
1.36 |
||||||||||||||||||
|
|
4 |
10 |
Szlifować powierzchnię nr 4 na wymiar 20 g6 na długości |
T1350 x 50x127 19A60M5V8E |
20 |
45 50 |
55 |
1 |
0.03 |
- |
29 |
477 |
10 |
1.15 |
||||||||||||||||||
|
|
|
|
|
|
|
|
|
|
|
|
|
|
|
|
||||||||||||||||||
|
|
|
|
|
|
|
|
|
|
|
|
|
|
|
|
||||||||||||||||||
|
|
|
|
|
|
|
|
|
|
|
|
|
|
|
|
||||||||||||||||||
Szkic, uwagi:
|
Przyrządy i uchwyty obróbkowe: - Tarcza zabierakowa (PZRa-150); - Zabierak szlifierski (PZTa-50); - Kieł stały (PZKb3) - 2 szt.; - Uchwyt szlif. samocentrujący 3-szczękowy; |
||||||||||||||||||||||||||||||||
|
Przyrządy i uchwyty narzędziowe: - Ściernica płaska Ø 350 (T1);
|
||||||||||||||||||||||||||||||||
|
Narzędzia pomiarowe: - Mikrometr MMZb |
||||||||||||||||||||||||||||||||
|
Opracował : Konrad Kulikowski Mariusz Michalski |
Sprawdził : dr inż Jacek Habel |
Zatwierdził : dr inż Jacek Habel |
||||||||||||||||||||||||||||||