Rafał Tusz ???????
Fizyka ,III rok
Poniedziałek, godz. 1515 - 1815
Multiplekser i Demultiplekser
Ćwiczenie nr 31
Wstęp teoretyczny.
Multiplekser i demultiplekser są to elementy w mikrosystemach których zadaniem jest przekazywanie wektorów informacji cyfrowej z jednego nadajnika do różnych odbiorników lub odwrotnie.
Selektor jest to adresowalny przełącznik wielowejściowy i wielowyjściowy dla którego należy wybór adresu i tylko jedno z wyjść jest połączone z jednym wejściem. Selektor posiada wektor wejść informacji I1…I2n o 2n współrzędnych, wektor wejść adresujących A1…An o n współrzędnych i wektor wyjść informacji O1…O2n o 2n współrzędnych. Każdemu wektorowi wejść adresujących przyporządkowana wzajemnie jednoznacznie jest jedna para (Oi , Ii), przy czym Oi = Ii dla wejść adresujących. Selektory posiadają także dodatkowe wejście sterujące lub zwalniające (wyznacza chwilę w której na wejściu selektora pojawia się sygnał).
Schemat logiczny multipleksera.
Multiplekserem jednowejściowym nazywamy selektor, którego wszystkie wyjścia informacji są wprowadzone na bramkę OR. Przeznaczeniem jego jest wybór określonego spośród swoich wejść i sprzęgnięcie tego wejścia z wejściem innego elementu logicznego. Produkowane są również multipleksery 2-,4-,8- i 16-wejściowe.


Schemat logiczny demultipleksera.
Demultiplekserem jednowejściowym nazywamy selektor, którego wszystkie wejścia zostały połączone (jest to element o działaniu odwrotnym niż multiplekser). Przeznaczeniem jego jest poprzez wprowadzeniem jednego sygnału uzyskanie na wyjściu różnych elementów logicznych.
Rodzaje bramek.
Poniżej przedstawiono kilka rodzajów bramek:
inwenter

Wejście |
Wyjście |
0 |
1 |
1 |
0 |
AND ( „i” koniunkcji):
AND

Wejście A |
Wejście B |
Wyjście |
0 |
0 |
0 |
0 |
1 |
0 |
1 |
0 |
0 |
1 |
1 |
1 |

NOT AND - NAND (bramka AND z zanegowanym wyjściem)
Wejście A |
Wejście B |
Wyjście |
0 |
0 |
1 |
0 |
1 |
1 |
1 |
0 |
1 |
1 |
1 |
0 |
AND z zanegowanymi wejściami

Wejście A |
Wejście B |
Wyjście |
0 |
0 |
1 |
0 |
1 |
0 |
1 |
0 |
0 |
1 |
1 |
0 |
OR ( „lub” suma):
OR

Wejście A |
Wejście B |
Wyjście |
0 |
0 |
0 |
0 |
1 |
1 |
1 |
0 |
1 |
1 |
1 |
1 |
NOT OR - NOR (bramka OR z zanegowanym wyjściem)

Wejście A |
Wejście B |
Wyjście |
0 |
0 |
1 |
0 |
1 |
0 |
1 |
0 |
0 |
1 |
1 |
0 |
OR z zanegowanymi wejściami

Wejście A |
Wejście B |
Wyjście |
0 |
0 |
1 |
0 |
1 |
1 |
1 |
0 |
1 |
1 |
1 |
0 |
EXOR

Wejście A |
Wejście B |
Wyjście |
0 |
0 |
0 |
0 |
1 |
1 |
1 |
0 |
1 |
1 |
1 |
0 |
Rodzaje sygnałów.
Sinusoidalne - są to najczęściej spotykane typy sygnałów w otoczeniu. Opisywany równaniem U = Asin2Πft.

Liniowy

Trójkątne


Szumy

Prostokątne

Impulsy
Skoki i szpilki

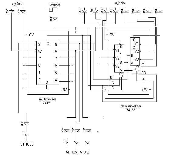
Schemat połączeń.

Tabela 1. |
|
|
Adres C B A |
Numer wejścia multipleksera |
Numer wyjścia demultipleksera |
000 |
0 |
2Y0 |
001 |
1 |
2Y1 |
010 |
2 |
2Y2 |
011 |
3 |
2Y3 |
100 |
4 |
1Y0 |
101 |
5 |
1Y1 |
110 |
6 |
1Y2 |
111 |
7 |
1Y3 |
Wnioski.
Układy typu 74151 (multiplekser) i typu 74155 (demultiplekser) połączono według wyżej przedstawionego schematu. Tego rodzaju połączenie pozwoliło na jednoczesne badanie układu multipleksera i demultipleksera, korzystając z jednego potrójnego wejścia adresującego i jednego wejścia o zmiennym przebiegu stanów. Po włączeniu układu do zasilania, przy konkretnym stanie adresowym i odpowiadającym jemu wejściu multipleksera stany wyjściowy na diodzie W odpowiadał stanom wejściowym, a na diodzie Y negacji stanu wejściowego. Przy podłączeniu do innego wejścia stany wyjściowe nie ulegały zmianom. Na demultiplekserze, przy tym samym adresie, stany wyjściowe (diody) nie ulegały zmianom, jedynie stany na odpowiednim wyjściu odpowiadającym adresowi zmieniał się zgodnie ze zmianą stanu wejścia. Np. przy wprowadzeniu na wejście adresu 0 0 1 (tzn. włącznik A włączony, a pozostałe wyłączone) i podłączeniu wejścia na multiplekserze pod złącze nr 1, na wyjściach pojawił się stan wejściowy i negacji wejścia. A na demultipleksera jedynie stany na wyjście o numerze 2Y2 ulegał zmianie. Pozostałe przypadki adresów i połączeń wejść i wyjść zobrazowane są w Tablicy 1. Dowodzi ona poprawności i zgodności działania układów z wynikami rozważań teoretycznych.
1
6