POLITECHNIKA LUBELSKA W LUBLINIE |
Laboratorium Podstaw Elektrotechniki |
|||||
|
Ćwiczenie nr 6 |
|||||
Nazwisko: |
Jasiński Guzowski Grudzień |
Imię: |
Krzysztof Marek Artur |
Semestr: III |
Grupa: E.D.3.1. |
Rok akademicki: 1999/2000 |
Temat ćwiczenia: Obwody nieliniowe zawierające prostowniki. |
Data wykonania: 25.11.99 r. |
Ocena: |
||||
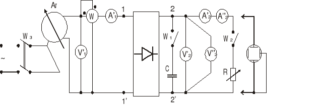
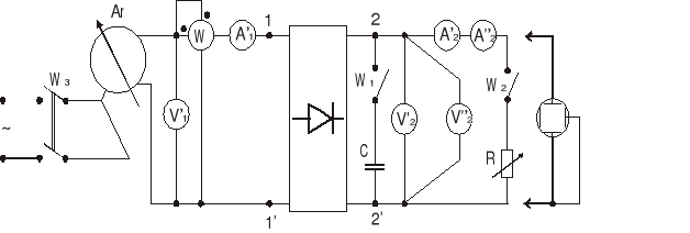
1.Badanie układów z prostownikami niesterowanymi.

Układ pomiarowy nr 1.
Badanie układu prostowania półfalowego bez wygładzania i z wygładzaniem.
Badanie układu prostowania całofalowego bez wygładznia i z wygładzaniem.
Układ |
U'1 |
I'1 |
P |
U'2 |
U''2 |
I'2 |
I''2 |
R |
PU |
|
V |
A |
W |
V |
V |
A |
A |
Ω |
W |
|
|
|
|
|
|
|
|
|
|
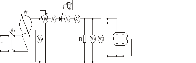
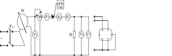
2. Badanie układów z prostownikami sterowanymi.

Układ pomiarowy nr 2.
Układ |
U'1 |
I'1 |
P |
U'2 |
U''2 |
I'2 |
I''2 |
θ |
R |
PU |
|
V |
A |
W |
V |
V |
A |
A |
rad |
Ω |
W |
|
|
|
|
|
|
|
|
|
|
|
3. Wykaz przyrządów.
OS - HUNG CHANG 3502C,
W - EP 43-3/1492,
V - EP 43-3/042,
V - EP 43-3/743,
V - EP 43-3/1789,
A - EP 43-4/1640,
A - EP 43-3/297,
A - EP 43-3/1466,
R - 335Ω 0,6A,
mostek prostowniczy - prostowanie całofalowe,
dioda prostownicza - prostowanie półfalowe.
4. Analiza hamonicznych.
Przebieg wyprostowany całofalowo z obciążeniem bez wygładznia i bez obciążenia, bez wygładzania.
k |
1 |
2 |
3 |
4 |
5 |
6 |
7 |
ak |
-0,141 |
-92,831 |
0,055 |
-4,430 |
0,016 |
0,155 |
-0,002 |
bk |
-0,022 |
-29,82 |
0,027 |
-3,173 |
0,016 |
0,209 |
-0,004 |
|
U=87,156V |
Umax=123 |
Uśr=78,35V |
k=1,99 |
s=1,4 |
z=1,72 |
|
Suma ak=118,822 Suma bk=-32,76
Przebieg wyprostowany całofalowo z obciążeniem z wygładzaniem.
k |
1 |
2 |
3 |
4 |
5 |
6 |
7 |
ak |
-1,096 |
-25,467 |
-2,583 |
-15,757 |
6,925 |
-4,270 |
-0,584 |
bk |
2,964 |
25,084 |
2,204 |
-0,514 |
0,856 |
-6,376 |
1,417 |
|
U=216,5V |
Umax=230V |
Uśr=137V |
k=1,58 |
s=1,06 |
z=0,69 |
|
Suma ak=305,16 Suma bk=25,633
Przebieg wyprostowany całofalowo i półfalowo bez obciążenia z wygładzaniem.
k |
1 |
2 |
3 |
4 |
5 |
6 |
7 |
ak |
-0,201 |
-0,190 |
-0,188 |
-0,176 |
-0,161 |
-0,141 |
-0,116 |
bk |
-0,036 |
-0,063 |
-0,095 |
-0,126 |
-0,158 |
-0,190 |
-0,222 |
|
U=282V |
Umax=282V |
Uśr=282 |
K=1 |
s=1 |
z=0,53 |
|
Suma ak=398,820 Suma bk=-0,885
Przebieg wyprostowany półfalowo z obciążeniem bez wygładzania i bez obciążenia, bez wygładzania.
k |
1 |
2 |
3 |
4 |
5 |
6 |
7 |
ak |
-14,954 |
-46,392 |
5,772 |
-2,210 |
1,997 |
0,077 |
-0,334 |
bk |
88,602 |
-14,984 |
-11,402 |
-1,594 |
-2,014 |
0,105 |
0,173 |
|
U=56V |
Umax=79,2V |
Uśr=25,2V |
K=2,22 |
s=1,144 |
z=2,67 |
|
Suma ak=52,956 Suma bk=58,887
Przebieg wyprostowany półfalowo z obciążeniem i wygładzaniem.
k |
1 |
2 |
3 |
4 |
5 |
6 |
7 |
ak |
-23,682 |
-19,619 |
-11,226 |
-4,845 |
-1,571 |
2,217 |
4,099 |
bk |
37,236 |
6,180 |
-3,990 |
-5,912 |
5,064 |
-3,915 |
-1,887 |
|
U=159,8V |
Umax=200V |
Uśr=200 |
k=0,799 |
s=1,251 |
z=0,93 |
|
Suma ak=224,874 Suma bk=22,649
Obliczenia:
![]()



Uśr=0,637*Umax=0,637*123V=78,35V
k=U/Uśr=87,156/78,35=1,99
s=Umax/U=123/87,156=1,4
z=U1/U=150/87,156=1,72
5. Analiza harmonicznych dla układu z prostownikiem sterowanym i kąta zapłonu π/6.
k |
1 |
2 |
3 |
4 |
5 |
6 |
7 |
ak |
-0,226 |
-146,006 |
0,104 |
4,849 |
0,037 |
20,951 |
-0,103 |
bk |
-0,061 |
-70,990 |
0,820 |
-32,197 |
0,099 |
2,979 |
0,048 |
|
U=175,3V |
Umax=311V |
Uśr=124V |
k=1,413 |
s=1,77 |
z=1,6 |
|
Suma ak=226,807 Suma bk=-100,103
Obliczenia:
Napięcie maksymalne z zależności:

![]()


Wnioski:
Po wykonaniu ćwiczenia można dostrzec, że przebiegi prostowane całofalowo i półfalowo bez wygładzania z obciążeniem czy bez nie różniły się kształtem. Natomiast przy zastosowaniu wygładzania różnice były widoczne. W układzie bez obciążenia otrzymaliśmy stałe napięcie a w układzie z obciążeniem napięcie to się zmieniało okresowo. Przebiegi wyprostowane półfalowo i całofalowo różniły się wartością napięcia wskazywanego przez woltomierze. Przy dołączonym kondensatorze w obu układach niższe jest w układzie z prostownikiem półfalowym. Świadczy to o niższej sprawności tego układu.

