LABORATORIUM NAPĘDU ELEKTRYCZNEGO
Imię i Nazwisko ######### |
Grupa ED 6.2 |
||||
Data wyk. ćwicz. |
Numer ćwiczenia 24 |
Temat ćwiczenia: Badanie układu napędowego ze sprzęgłem indukcyjnym. |
Ocena |
||
I. Cel ćwiczenia :
Celem ćwiczenia jest zapoznanie się z budową i zasadą działania sprzęgła indukcyjnego.
II. Tok ćwiczenia:
1.Wyznaczanie charakterystyki momentu rozruchowego sprzęgła w funkcji jego prądu
magnesującego Mr=f(I2).

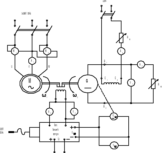
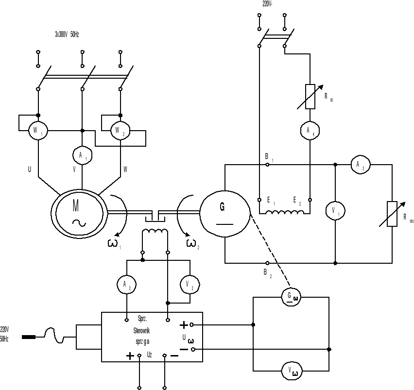
Schemat pomiarowy :
Silnik napędowy : typ. SZJe 34a; Un=220/380V; In=11,3/6,5A; 50Hz; nn=1430 obr/min;
Pn=3kW; cosn=0,83
Hamownica : typ.PZMb446; Pn=2,2kW; Un=220V; In=12,3A , nn=1450 obr/min
Prądnica tachometryczna: typ.PZT112-80; Pmax=80W; n=3000 obr/min; Imax=0,2A; U=300V
Sprzęgło indukcyjne : Un=24V; Rw=3,13Ω; Iwmax=4A; l=0,28[m]
1.Wyznaczanie statycznych charakterystycznych układu otwartego.
Tabela 1
Lp. |
PM |
I2 |
U2 |
U |
2 |
U1 |
I3 |
P1 |
Ps |
P2 |
|
M |
|
W |
A |
V |
V |
rad/s |
V |
A |
W |
W |
W |
- |
Nm |
1 |
100 |
1 |
5 |
148 |
155,0 |
160 |
0 |
105 |
5 |
111 |
1,06 |
0,72 |
2 |
250 |
1 |
5,5 |
141 |
147,7 |
152 |
1 |
255,5 |
5,5 |
294,5 |
1,15 |
1,99 |
3 |
300 |
1 |
5,5 |
134 |
140,3 |
140 |
2 |
305,5 |
5,5 |
445,4 |
1,46 |
3,17 |
4 |
400 |
1 |
5,5 |
124 |
129,9 |
130 |
3 |
405,5 |
5,5 |
444,9 |
1,10 |
3,43 |
5 |
500 |
1 |
5,5 |
114 |
119,4 |
118 |
4 |
505,5 |
5,5 |
547,8 |
1,08 |
4,59 |
6 |
550 |
1 |
5,5 |
100 |
104,7 |
100 |
5 |
555,5 |
5,5 |
126,5 |
0,23 |
1,21 |
7 |
600 |
1 |
5 |
88 |
92,2 |
84 |
6 |
605 |
5 |
139,8 |
0,23 |
1,52 |
1 |
100 |
2 |
8,5 |
148 |
155,0 |
160 |
0 |
117 |
17 |
111 |
0,95 |
0,72 |
2 |
200 |
2 |
8,5 |
144 |
150,8 |
156 |
1 |
217 |
17 |
315,5 |
1,45 |
2,09 |
3 |
300 |
2 |
8,5 |
141 |
147,7 |
148 |
2 |
317 |
17 |
498,4 |
1,57 |
3,38 |
4 |
400 |
2 |
9 |
136 |
142,4 |
142 |
3 |
418 |
18 |
653,9 |
1,56 |
4,59 |
5 |
500 |
2 |
9 |
132 |
138,2 |
136 |
4 |
518 |
18 |
769,8 |
1,49 |
5,57 |
6 |
570 |
2 |
9 |
126 |
131,9 |
128 |
5 |
588 |
18 |
865,5 |
1,47 |
6,56 |
7 |
680 |
2 |
9 |
120 |
125,7 |
120 |
6 |
698 |
18 |
765 |
1,10 |
6,09 |
1 |
150 |
3 |
12 |
148 |
155,0 |
160 |
0 |
186 |
36 |
114 |
0,61 |
0,74 |
2 |
200 |
3 |
12 |
146 |
152,9 |
156 |
1 |
236 |
36 |
498,4 |
2,11 |
3,26 |
3 |
300 |
3 |
12 |
142 |
148,7 |
150 |
2 |
336 |
36 |
788,8 |
2,35 |
5,30 |
4 |
400 |
3 |
12 |
12 |
12,6 |
144 |
3 |
436 |
36 |
996,8 |
2,29 |
79,32 |
5 |
500 |
3 |
12 |
136 |
142,4 |
140 |
4 |
536 |
36 |
1048 |
1,96 |
7,36 |
6 |
600 |
3 |
12 |
132 |
138,2 |
134 |
5 |
636 |
36 |
924 |
1,45 |
6,68 |
7 |
650 |
3 |
12 |
128 |
134,0 |
128 |
6 |
686 |
36 |
504,2 |
0,73 |
3,76 |
Wykorzystywane wzory :
![]()
![]()
P2=U1*I3+PG0(*)+PGI PS=U2*I2
P1=PM+PS η=P2/P1 M=P2/ω2
Charakterystyka mechaniczna sprzęgła indukcyjnego ω2=f(M)
Charakterystyka zależności mocy dostarczonej do układu P1 od momentu M , P1=f(M).
Charakterystyka zależności mocy oddanej do układu P2 od momentu M , P2=f(M).
Charakterystyka zależności sprawności układu ηod momentu M ; η=f(M).
2.Wyznaczanie charakterystyk układu automatycznej stabilizacji prędkości kątowej.
Tabela 2
Lp. |
U? |
I2 |
U1 |
I3 |
PM |
P2 |
2 |
M |
|
V |
A |
V |
A |
W |
W |
rad/s |
Nm |
1 |
40 |
0,1 |
44 |
0 |
100 |
25 |
41,9 |
0,60 |
2 |
40 |
0,3 |
40 |
1 |
200 |
170,9 |
41,9 |
4,08 |
3 |
40 |
0,5 |
38 |
2 |
300 |
293,3 |
41,9 |
7,00 |
4 |
40 |
0,6 |
36 |
3 |
400 |
404,3 |
41,9 |
9,65 |
5 |
40 |
0,7 |
34 |
4 |
500 |
504,5 |
41,9 |
12,04 |
6 |
40 |
0,8 |
32 |
5 |
550 |
586,5 |
41,9 |
14,00 |
7 |
40 |
0,9 |
32 |
6 |
600 |
633,8 |
41,9 |
15,13 |
1 |
70 |
0,15 |
74 |
0 |
100 |
14 |
73,3 |
0,19 |
2 |
68 |
0,4 |
72 |
1 |
200 |
103,4 |
71,2 |
1,45 |
3 |
68 |
0,55 |
70 |
2 |
300 |
177,8 |
71,2 |
2,50 |
4 |
68 |
0,65 |
68 |
3 |
400 |
236,8 |
71,2 |
3,33 |
5 |
68 |
0,65 |
66 |
4 |
500 |
285 |
71,2 |
4,00 |
6 |
68 |
0,8 |
64 |
5 |
550 |
290,8 |
71,2 |
4,08 |
1 |
120 |
0,3 |
132 |
0 |
100 |
84 |
125,7 |
0,67 |
2 |
122 |
0,6 |
130 |
1 |
200 |
256,5 |
127,8 |
2,01 |
3 |
122 |
0,8 |
128 |
2 |
300 |
425,4 |
127,8 |
3,33 |
4 |
122 |
1 |
126 |
3 |
400 |
587,9 |
127,8 |
4,60 |
5 |
122 |
1,3 |
124 |
4 |
500 |
751,3 |
127,8 |
5,88 |
6 |
122 |
1,65 |
122 |
5 |
600 |
799,5 |
127,8 |
6,26 |
7 |
122 |
2,05 |
120 |
6 |
650 |
824,8 |
127,8 |
6,46 |
Wykorzystywane wzory :
![]()
![]()
P2=U1*I3+PG0(ω)+PGI M=P2/ω2
Charakterystyka zależności prądu sprzęgła I2 w zależności od momentu I2=f(M).
Charakterystyka mechaniczna sprzęgła indukcyjnego ω2=f(M)
Wnioski :
W pierwszym punkcie pomiarowym wyznaczaliśmy charakterystyki mechaniczne dla różnych prądów sprzęgła I2.Otrzymane charakterystyki zgodne są z teoretycznymi. Tak więc im większy prąd I2 tym łagodniej zmienia się prędkość i uzyskuje się większy moment na sprzęgle. Charakterystyka mocy dostarczonej do układu jak widać na charakterystyce sprawność posiada swoje maksimum przy określonym momencie. Im mniejszy prąd I2 tym maksimum to występuje przy mniejszej wartości momentu.
Następnie badaliśmy układ przy sterowaniu automatycznym, przy trzech położeniach potencjometru zadającego. Charakterystyki mechaniczne są liniowe, prędkość się praktyczni nie zmienia. Zależność prądu I2 w funkcji momentu jak należało się spodziewać prąd rośnie ze wzrostem momentu.
