Instrukcja do ćwiczenia
Temat: Badanie silnika trójfazowego indukcyjnego klatkowego.
1. Wiadomości wstępne
Stanowisko pomiarowe składa się z :
silnika trójfazowego indukcyjnego klatkowego SZJe z wyprowadzonymi końcami uzwojenia stojana oraz wyprowadzonym przewodem ochronnym, układu sterowania automatycznego za pomocą stycznika, łącznika warstwowego pełniącego funkcję przełącznika gwiazda - trójkąt, hamulca tarczowego do regulacji momentu oporowego, schowka na przewody, amperomierza, woltomierza, przycisków sterowniczych,

UWAGA! Przy zasilaniu w trójkąt napięcie przewodowe sieci powinno wynosić UN = 230 V. Cewka stycznika jest zasilana napięciem UN = 380 V
dane znamionowe silnika:
napięcie znamionowe UN = 380 V dla połączenia w gwiazdę
napięcie UN = 220 V dla połączenia w trójkąt
prąd IN = 2,9 A dla połączenia w gwiazdę
częstotliwość fN = 50 Hz
prędkość obrotowa nN = 940 obr/min
cosφN = 0,77
rodzaj pracy S1
stopień ochrony IP44
T = 75 °C
Zamontowany amperomierz mierzy prąd przewodowy - nie wolno przekraczać prądu o wartości Ip = 5 A
Silnik indukcyjny klatkowy posiada w stojanie trzy uzwojenia fazowe, których początki ( U1, V1, W1 ) i końce ( U2, V2, W2 ) wyprowadzone są do tabliczki zaciskowej. Uzwojenia stojana można łączyć w gwiazdę lub trójkąt. Pręty uzwojenia wirnika tworzą zwartą klatkę - stąd nazwa silnika.
Pod wpływem przyłożonego napięcia trójfazowego w uzwojeniach stojana płyną prądy, wzbudzając wirujące pole magnetyczne. Pole to indukuje w prętach wirnika SEM transformacji, a że pręty są zwarte płyną prądy. Na skutek oddziaływania elektrodynamicznego pola wirującego na pręty wirnika z prądem, na wirnik działa moment zgody z kierunkiem pola wirującego.
Względną różnicę pomiędzy prędkością wirowania pola magnetycznego ( prędkość synchroniczna ) n1 i wirnika n nazywamy poślizgiem s.
S = ![]()
Ponieważ wirnik przy pracy silnikowej nie osiąga prędkości synchronicznej nazywany jest też silnikiem asynchronicznym.
Oględziny. Tabliczka znamionowa. Identyfikacja uzwojeń. Pomiar rezystancji izolacji megaomomierzem induktorowym 500 V. Pomiar rezystancji uzwojeń stojana. Badanie rozruchu silnika: bezpośredni, przełącznik gwiazda/trójkąt. Pomiar prędkości biegu jałowego. Zmiana kierunku wirowania i regulacja prędkości. Praca silnika przy połączeniu w gwiazdę i trójkąt. Wyznaczenie charakterystyk: biegu jałowego, obciążenia, zwarcia. Symulacja uszkodzeń. Lokalizacja podstawowych uszkodzeń silnika. Ocena przyczyn uszkodzeń silnika na podstawie pomiarów. Usunięcie uszkodzenia.
Przebieg ćwiczenia:
Oględziny.
Zapisanie danych znamionowych silnika.
Pomiar rezystancji izolacji
Wyszukiwanie początków i końców uzwojeń fazowych dokonujemy induktorowym miernikiem izolacji - następnie mierzymy tym samym przyrządem izolację pomiędzy poszczególnymi uzwojeniami fazowymi oraz pomiędzy każdym uzwojeniem fazowym a korpusem ( Rdop.iż = 1kΩ/V ).
RU-V =.......MΩ ; RU-W =........MW ; RV-W =........MΩ ; RU-K =.........MΩ ;
RV-K = ......MΩ ; RW-K = .......MΩ
4. Pomiarów rezystancji uzwojeń dokonujemy mostkiem prądu stałego lub omomierzem
RU =.......Ω ; RV = ......Ω ; RW = .......Ω
5. Badanie rozruchu silnika. Przy połączeniu w gwiazdę i w trójkąt za pomocą przełącznika gwiazda/trójkąt zmierz prąd. (U=220V). Przy rozruchu bezpośrednim dokonać zmiany kierunku wirowania.
Kierunek wirowania zmieniamy zamieniając miejscami dwa dowolne przewody zasilające
( L1, L2, L3 ).
Przebieg rozruchu:
Przełącznik P gwiazda-trójkąt należy nastawić w położenie ,,0''. Zamknąć wyłącznik w i przełącznik P przestawić w położenie „![]()
” (uzwojenie stojana jest wówczas połączone w gwiazdę). Odczytać wartość prądu rozruchu. Gdy silnik osiągnie ustaloną prędkość obrotową przełączyć przełącznik P w położenie „” . Przełączanie z w powinno być wykonane szybko, aby okres pracy beznapięciowej był jak najkrótszy, a zmniejszenie prędkości obrotowej silnika jak najmniejsze, gdyż w przeciwnym przypadku nastąpi nadmierny wzrost prądu (zwłaszcza gdy silnik jest uruchamiany przy obciążeniu). W chwili pomiaru prądu (przy połączeniu w ![]()
) wirnik zahamować.
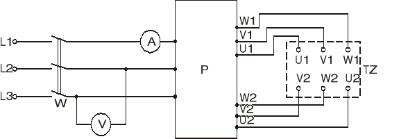
Układ połączeń:

Rys.9.7. Oznaczenia: A - amperomierz, V - woltomierz, P - przełącznik O--,
TZ -tabliczka zaciskowa silnika, w - wyłącznik
6. Próba biegu jałowego.
Zmieniając napięcie U0 odczytaj wartość mocy, prędkości i prądu. Na podstawie pomiarów wykreślić charakterystyki cosφ0, I0, P0 = f(U0)
L.p. |
U0 [V] |
I0 [A] |
n [obr/min] |
P1 [W] |
P2 [W] |
P0 [W] |
cosφ |
1 |
220 |
|
|
|
|
|
|
2 |
200 |
|
|
|
|
|
|
3 |
180 |
|
|
|
|
|
|
4 |
150 |
|
|
|
|
|
|
5 |
130 |
|
|
|
|
|
|
6 |
100 |
|
|
|
|
|
|
7 |
80 |
|
|
|
|
|
|
8 |
50 |
|
|
|
|
|
|
P0 = P1+P2
cosφ0 = 
7. Próba obciążenia
Utrzymując stałe napięcie U0 odczytaj wartość mocy, prędkości i prądu. Na podstawie pomiarów wykreślić charakterystyki n = f(I), n = f(P),
L.p. |
U0 [V] |
I0 [A] |
n [obr/min] |
P1 [W] |
P2 [W] |
P0 [W] |
cosφ |
1 |
220 |
|
|
|
|
|
|
2 |
|
|
|
|
|
|
|
3 |
|
|
|
|
|
|
|
4 |
|
|
|
|
|
|
|
5 |
|
|
|
|
|
|
|
6 |
|
|
|
|
|
|
|
7 |
|
|
|
|
|
|
|
8 |
|
|
|
|
|
|
|
L1 L2 L3
L1 L2 L3
W1
W2
U1
U2
V1
V2
stojan
U1 V1 W1
W2 U2 V2
a b c
U1 V1 W1
W2 U2 V2
a b c
Trójkąt Gwiazda
Tabliczka zaciskowa
wirnik
Schemat silnika klatkowego
L1 L2 L3
U1 V1 W1
W2 U2 V2
a b c
U1
V1
W1
ATR3F
Lampa stroboskopowa
n
V
I0
A
380 [V]
W2
W1
U0