POLITECHNIKA
WYDZIAŁ BUDOWNICTWA
KATEDRA KONSTRUKCJI BETONOWYCH
STUDIA
Przedmiot: Konstrukcje żelbetowe
Temat: Projekt techniczny rygla ramy, słupa i stopy fundamentowej - budynku przemysłowego.
Wykonał:
sem. ; rok akad. 2001/2002
nr albumu 9629
Projekt techniczny
Poz. 3 Rama
Zebranie obciążeń
na podstawie projektu wstępnego przyjmuję grubość płyty hf = 0,09 m
|
obc. charakterystyczne |
obc. obliczeniowe |
||
stałe równomiernie rozłożone (ciężar własny rygla ramy) [kN/m] |
gk p = |
5,686 kN/m |
g p = |
6,323 kN/m |
stałe skupione (ciężar żebra) [kN] |
Gk p = |
61,589 kN |
G p = |
71,360 kN |
zmienne skupione [kN] |
Pk p = |
108,864 kN |
P p = |
130,637 kN |
Schemat statyczny
Niezbędne wielkości statyczne
obwiednia momentów
obwiednia sił tnących
obwiednia sił normalnych
Nr pręta x [m] M [kNm] T [kN] N [kN] Kombinacja
* - wartości ekstremalne
Sprawdzenie stanów granicznych nośności w przypadku zginania
Dane wyjściowe

1,5 ≤ ![]()
≤ 2,5 → 1,5 ≤ ![]()
≤ 2,5
przyjęto: |
wysokość przekroju |
h = 0,70 m |
|
szerokość przekroju |
bw = 0,35 m |
|
grubość półki górnej |
hf = 0,09 m |
|
Beton B-25 |
fcd = 13,3 MPa; fck = 20 MPa; fctd =1,0 MPa; fctk = 1,5 MPa |
|
Stal klasy A-III /RB 400W/ |
fyd =350 MPa; fyk = 400 MPa; ftk = 440 MPa |
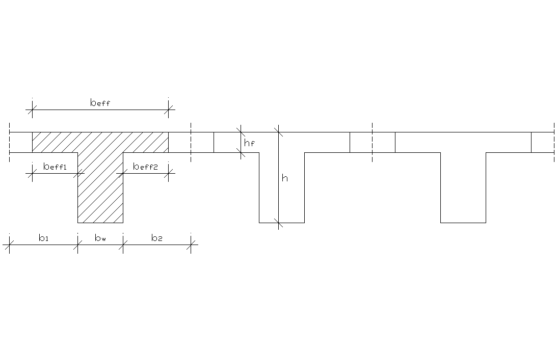
z uwagi na sposób obciążenia półka przekroju belki znajduje się w strefie ściskanej w celu ustalenia obliczeniowego kształtu przekroju należy określić efektywną szerokość beff półki.


przyjmuję ![]()
![]()
Wysokość efektywna przekroju - d
minimalna grubość otulenia prętów c = 15 mm
zwiększenie grubości o dopuszczalną odchyłkę Δh = 5 mm
wymagana grubość otulenia c + Δh = 15 + 5 = 20 mm
przewidywana średnica prętów zbrojenia Ø ≤ 20 mm
przewidywana średnica strzemion Ø = 6 mm
odległość środka ciężkości od krawędzi rozciąganej a1 = 20 + 0,5 ⋅ 20 + 6 = 0,036 m
efektywna wysokość przekroju d = h - a1 = 0,70 - 0,036 = 0,664 m
![]()
Przęsło skrajne
Przekrój α - α (pręt 1; x = 1,92 m)
![]()
= 297,33 kNm = Msd

Przyjmuję zbrojenie dołem 4 Ø 16 + 2 Ø 18 o przekroju poprzecznym ![]()
Przekrój β - β (pręt 1; x = 3,84 m)
![]()
= 183,52 kNm = Msd

Przyjmuję zbrojenie dołem 4 Ø 16 o przekroju poprzecznym ![]()
![]()
= - 28,86 kNm = Msd

Przyjmuję zbrojenie górą 2 Ø 12 o przekroju poprzecznym ![]()
Przęsło środkowe
Przekrój γ - γ (pręt 2; x = 1,92 m)
![]()
= 163,70 kNm = Msd

Przyjmuję zbrojenie dołem 3 Ø 16 + 2 Ø 18 o przekroju poprzecznym ![]()
![]()
= - 0,53 kNm = Msd

Przyjmuję zbrojenie górą 2 Ø 12 o przekroju poprzecznym
![]()
Przekrój δ - δ (pręt 2; x = 3,84 m)
![]()
= 366,80 kNm = Msd

Przyjmuję zbrojenie dołem 3 Ø 16 + 4 Ø 18 o przekroju poprzecznym ![]()
Przekrój podporowy
(przewiduję że zbrojenie nad podporą nie zmieści się w jednym rzędzie)

d = 0,645 m
d1 = d + ![]()
= 0,645 + ![]()
= 0,703 m
w osi podpory
![]()
= - 524,81 kNm = Msd

Przyjmuję zbrojenie górą 4 Ø 16 + 8 Ø 18 o przekroju poprzecznym
![]()
na krawędzi podpory

M(q) - pomijam jako mało znaczący
![]()
= 524,81 - 339,74 · ![]()
![]()
= 465,36 kNm = Msd

Przyjmuję zbrojenie górą 2 Ø 16 + 8 Ø 18 o przekroju poprzecznym
![]()
Sprawdzenie stanów granicznych nośności w przypadku ścinania
Dane wyjściowe

Przekrój podpory (1)
V1 = 160,93 kN
VSd = V1 - q · aj aj = 0,175 m (- odległość od krawędzi do osi podpory)
Siła poprzeczna na krawędzi podpory
![]()
= 160,93 - 6,32 · 0,175 = 159,82 kN
Zbrojenie doprowadzone do podpory (zbrojenie w przekroju α - α)
4 Ø 16 + 2 Ø 18 o przekroju poprzecznym ![]()
Stopień zbrojenia podłużnego

ρL = 0,006 ≤ 0,01
Graniczna siła poprzeczna w elemencie bez zbrojenia poprzecznego ![]()
![]()
k = 1,6 - d lecz nie mniej niż 1,0
k = 1,6 - 0,664 = 0,936 stąd k = 1,0
naprężenie ![]()
![]()
= 117,13 kN
159,82 kN = ![]()
> ![]()
= 117,13 kN - zachodzi potrzeba wymiarowania na ścinanie
Graniczna siła poprzeczna w ściskanych ukośnych krzyżulcach betonowych modelu kratownicowego elementu zginanego ![]()
. Zbrojenie w postaci strzemion prostopadłych do osi podłużnej α = 90° stąd ctg α = 0
![]()
![]()
z = 0,9 · d = 0,9 · 0,664 = 0,598 m
1,0 ≤ ctg θ ≤ 2,0
dla ctg θ = 1
![]()
= 768,30 kN
dla ctg θ = 2
![]()
= 614,64 kN
ponieważ: 117,13 kN < 159,82 kN < 614,64 kN,
czyli zachodzi warunek:![]()
< ![]()
< ![]()
to na odcinku na którym: ![]()
< ![]()
, czyli odcinku drugiego rodzaju należy policzyć zbrojenie strzemionami:

1) |
|
2) |
|
3) |
|
![]()
=148,79 kN
![]()
= - 73,72 kN
czyli: ![]()
= 1,92 m
Zgodnie z normą zbrojenie poprzeczne na tym odcinku powinno przenieść całą siłę poprzeczną co oznacza, że musi być spełniony warunek
![]()
≤ ![]()
= 159,82 kN
Na rozpatrywanym odcinku drugiego rodzaju zastosowano dwuramienne strzemiona o średnicy Ø 6 ze stali A-II - fywd = 310 MPa
pole przekroju jednego strzemienia ![]()
liczba ramion nw = 2
pole przekroju ramion strzemienia ![]()
Maksymalny rozstaw ramion strzemion :
w kierunku podłużnym
smax ≤ 0,75 · d = 0,75 · 0,664 = 0,498 m; i smax ≤ 0,4 m
w kierunku poprzecznym
smax ≤ d = 0,664 m; i smax ≤ 0,6 m
Faktyczny odstęp ramion strzemienia w kierunku poprzecznym
![]()
= 0,298 m
Wymagany rozstaw strzemion w kierunku podłużnym ze względu na nośność.
(zakładamy ![]()
= ![]()
)

= 0,131 m
przyjmuję s1 = 0,13 m
Sprawdzenie siły poprzecznej dla przyjętego rozstawu

= 161,14 kN
Liczba strzemion na odcinku l1α
![]()
= 15,76 szt.
przyjmuję 16 szt.
Ustalenie długości odcinka przypodporowego
![]()
= 1,95 m
Stopień zbrojenia strzemionami na ścinanie


![]()
Przekrój podpory (2) z lewej strony
![]()
= 300,00 kN (-w osi podpory)
VSd = V2 - q · aj aj = 0,175 m (- odległość od krawędzi do osi podpory)
Siła poprzeczna na krawędzi podpory
![]()
= 300,00 - 6,32 · 0,175 = 298,89 kN
Zbrojenie doprowadzone do podpory (zbrojenie w węźle 2)
2 Ø 16 + 8 Ø 18 o przekroju poprzecznym ![]()
Stopień zbrojenia podłużnego

≤ 0,01 (69) PN-B-03264 grudzień 2002
ρL = 0,01
Graniczna siła poprzeczna w elemencie bez zbrojenia poprzecznego ![]()
![]()
k = 1,6 - d lecz nie mniej niż 1,0
k = 1,6 - 0,664 = 0,936 stąd k = 1,0
naprężenie ![]()
![]()
= 126,42 kN
298,89 kN = ![]()
> ![]()
= 126,42 kN - zachodzi potrzeba wymiarowania na ścinanie
Graniczna siła poprzeczna w ściskanych ukośnych krzyżulcach betonowych modelu kratownicowego elementu zginanego ![]()
. Zbrojenie w postaci prętów odgiętych i strzemion prostopadłych do osi podłużnej α = 90° stąd ctg α = 0. W belkach pręty odgięte mogą być uwzględniane jako zbrojenie na ścinanie tylko wtedy gdy strzemiona pionowe przenoszą co najmniej 50% siły Vsd.
Na rozpatrywanym odcinku drugiego rodzaju zastosowano dwuramienne strzemiona o średnicy Ø 6 ze stali A-II - fywd = 310 MPa
pole przekroju jednego strzemienia ![]()
liczba ramion nw = 2
pole przekroju ramion strzemienia ![]()

Z warunku dotyczącego minimalnego zbrojenia poprzecznego otrzymuję:

= 0,179 m
wstępnie przyjmuję rozstaw s1 = 0,15 m < 0,179 m
![]()
![]()
z = 0,9 · d = 0,9 · 0,645 = 0,580 m
1,0 ≤ ctg θ ≤ 2,0
dla ctꗬÁ䀵Е ዸ¿
က ‐橢橢㋏㋏ Е逼墭 墭 䪁
Դ Դ Դ Դ
ظ ظ ظ ऒ 貺 貺 貺 8 賲 ȴ 輦 ļ ऒ w Ũ 遮 ူ ꂞ ꂢ ꂢ ꃮ ꕗ . ꖅ ꖙ ﶪ ﶬ ﶬ ﶬ ﶬ
ﶬ ﶬ $ ¿ɒ ̑f Ł ظ ꖥ
ꓛ | ꕗ ꖥ ꖥ trzemion :
w kierunku podłużnym
smax ≤ 0,75 · d = 0,75 · 0,645 = 0,484 m; i smax ≤ 0,4 m
w kierunku poprzecznym
smax ≤ d = 0,645 m; i smax ≤ 0,6 m
przyjmuję s1 = 0,13 m < 0,4 m = smax , rozstaw lokuje się po stronie bezpiecznej
Sprawdzenie siły poprzecznej dla przyjętego rozstawu

= 156,53 kN
obliczona nośność jest równa 52,37% maksymalnej granicznej siły poprzecznej
Pręty odgięte mają do przeniesienia różnicę sił
![]()
= 142,36 kN
Największy dopuszczalny rozstaw prętów
![]()
= 0,785 m
przyjmuję s2 = 0,70 m


= 2,31 · 10-4 m2
wystarczy odgiąć jeden pręt Ø 18 ![]()
określenie odcinka drugiego rodzaju

lβ2 = 1,92 m
ponieważ zgodnie ze wzorem ![]()
, obecność prętów odgiętych powiększa wartość granicznej siły poprzecznej ![]()
, więc obliczona poprzednio (z uwagi wyłącznie na strzemiona) wartość ![]()
= 596,14 kN > ![]()
= 298,89 kN - nie wymaga korekty.
Liczba strzemion na odcinku lβ2
![]()
= 15,76 szt.
przyjmuję 16 szt.
Ustalenie długości odcinka przypodporowego
![]()
= 1,95 m
Środkowy odcinek belki

![]()
= 1,51 m
Na rozpatrywanym odcinku pierwszego rodzaju zastosowano dwuramienne strzemiona o średnicy Ø 6 ze stali A-II - fywd = 310 MPa
Maksymalny rozstaw ramion strzemion :
w kierunku podłużnym
smax ≤ 0,75 · d = 0,75 · 0,645 = 0,484 m; i smax ≤ 0,4 m
przyjmuję s = 0,25 m < 0,4 m = smax ,
Liczba strzemion na odcinku lαβ
![]()
= 5,04 szt.
przyjmuję 5 szt.
Ustalenie długości odcinka środkowego
![]()
= 1,50 m
różnica - 0,01 m dla równego podziału strzemion rozkładam różnicę po połowie na obydwa końce belki.
Przekrój podpory (2) z prawej strony
![]()
= 339,74 kN (-w osi podpory)
VSd = V2 - q · aj aj = 0,175 m (- odległość od krawędzi do osi podpory)
Siła poprzeczna na krawędzi podpory
![]()
= 339,74 - 6,32 · 0,175 = 338,63 kN
Zbrojenie doprowadzone do podpory (zbrojenie w węźle 2)
2 Ø 16 + 8 Ø 18 o przekroju poprzecznym ![]()
Stopień zbrojenia podłużnego

≤ 0,01 (69) PN-B-03264 grudzień 2002
ρL = 0,01
Graniczna siła poprzeczna w elemencie bez zbrojenia poprzecznego ![]()
![]()
k = 1,6 - d lecz nie mniej niż 1,0
k = 1,6 - 0,664 = 0,936 stąd k = 1,0
naprężenie ![]()
![]()
= 126,42 kN
338,63 kN = ![]()
> ![]()
= 126,42 kN - zachodzi potrzeba wymiarowania na ścinanie
Graniczna siła poprzeczna w ściskanych ukośnych krzyżulcach betonowych modelu kratownicowego elementu zginanego ![]()
. Zbrojenie w postaci prętów odgiętych i strzemion prostopadłych do osi podłużnej α = 90° stąd ctg α = 0. W belkach pręty odgięte mogą być uwzględniane jako zbrojenie na ścinanie tylko wtedy gdy strzemiona pionowe przenoszą co najmniej 50% siły Vsd.
Na rozpatrywanym odcinku drugiego rodzaju zastosowano dwuramienne strzemiona o średnicy Ø 6 ze stali A-II - fywd = 310 MPa
pole przekroju jednego strzemienia ![]()
liczba ramion nw = 2
pole przekroju ramion strzemienia ![]()

Z warunku dotyczącego minimalnego zbrojenia poprzecznego otrzymuję:

= 0,179 m
wstępnie przyjmuję rozstaw s1 = 0,15 m < 0,179 m
![]()
![]()
z = 0,9 · d = 0,9 · 0,645 = 0,580 m
1,0 ≤ ctg θ ≤ 2,0
dla ctg θ = 1
![]()
= 745,17 kN
dla ctg θ = 2
![]()
= 596,14 kN
przyjmuję kąt nachylenia krzyżulców betonowych ctg θ = 2 i kąt nachylenia prętów odgiętych α = 45°
![]()
= 0,568 > 0,2
Maksymalny rozstaw ramion strzemion :
w kierunku podłużnym
smax ≤ 0,75 · d = 0,75 · 0,645 = 0,484 m; i smax ≤ 0,4 m
w kierunku poprzecznym
smax ≤ d = 0,645 m; i smax ≤ 0,6 m
przyjmuję s1 = 0,11 m < 0,4 m = smax , rozstaw lokuje się po stronie bezpiecznej
Sprawdzenie siły poprzecznej dla przyjętego rozstawu

= 184,99 kN
obliczona nośność jest równa 54,63% maksymalnej granicznej siły poprzecznej
Pręty odgięte mają do przeniesienia różnicę sił
![]()
= 153,64 kN
Największy dopuszczalny rozstaw prętów
![]()
= 0,785 m
przyjmuję s2 = 0,70 m


= 2,49 · 10-4 m2
wystarczy odgiąć jeden pręt Ø 18 ![]()
określenie odcinka drugiego rodzaju

l2γ = 1,92 m
ponieważ zgodnie ze wzorem ![]()
, obecność prętów odgiętych powiększa wartość granicznej siły poprzecznej ![]()
, więc obliczona poprzednio (z uwagi wyłącznie na strzemiona) wartość ![]()
= 596,14 kN > ![]()
= 338,63 kN - nie wymaga korekty.
Liczba strzemion na odcinku l2γ
![]()
= 18,45 szt.
przyjmuję 19 szt.
Ustalenie długości odcinka przypodporowego
![]()
= 1,98 m
Środkowy odcinek belki

![]()
= 3,37 m
Na rozpatrywanym odcinku pierwszego rodzaju zastosowano dwuramienne strzemiona o średnicy Ø 6 ze stali A-II - fywd = 310 MPa
Maksymalny rozstaw ramion strzemion :
w kierunku podłużnym
smax ≤ 0,75 · d = 0,75 · 0,645 = 0,484 m; i smax ≤ 0,4 m
przyjmuję s = 0,28 m < 0,4 m = smax ,
Liczba strzemion na odcinku lγ γ'
![]()
= 11,03 szt.
przyjmuję 11 szt.
Ustalenie długości odcinka środkowego
![]()
= 3,36 m
różnica - 0,01 m dla równego podziału strzemion rozkładam różnicę po połowie na obydwa końce belki.
Sprawdzenie stanów granicznych zarysowania
Najbardziej wytężonym przekrojem jest przekrój przęsłowy w środkowym przęśle podciągu.
Moment od charakterystycznych obciążeń długotrwałych wynosi: 309,97 kNm
Dane wyjściowe

fctm = 2,2 MPa
Ecm = 30 GPa
Es = 200 GPa
![]()
wlim = 0,2 mm

= 0,007
Obliczenie wartości momentu rysującego MCr


= 0,431 m
![]()
= 0,0161 m4

= 0,0374 m3
Moment rysujący
![]()
= 82,28 kNm
Obliczenie wartości średniego odkształcenia zbrojenia rozciąganego


xII - wysokość strefy ściskanej obliczona na podstawie teorii fazy II
![]()
![]()
= 0,172 m
![]()
= 22,52
![]()
= 0,294 m
naprężenie w zbrojeniu (przekrój przez rysę)

=300,65 MPa
naprężenie w zbrojeniu (przekrój przez rysę) odpowiadające momentowi rysującemu MCr

= 79,81 MPa
Średnie odkształcenie zbrojenia rozciąganego
b1 = 1,0 - z uwagi na zastosowanie stali żebrowanej
b2 = 0,5 - z uwagi na obciążenia długotrwałe

= 1,45 · 10-3 = 1,45 ‰
Obliczenie wartości średniego rozstawu rys
![]()
k1 = 0,8 - z uwagi na zastosowanie stali żebrowanej
k2 = 0,5 - z uwagi na zginanie

= 17 mm

= 0,0578
![]()
= 79,39 mm
Obliczenie szerokości rys normalnych
![]()
= 0,195 mm
![]()
= 0,195 mm < 0,2 mm = ![]()
Sprawdzenie stanów granicznych ugięć
Metoda uproszczona
W ujęciu ogólnym weryfikacja stanu granicznego ugięć konstrukcji żelbetowych polega na wykazaniu że ugięcia elementu nie przekraczają wartości granicznych, przyjętych jako dopuszczalne
Dane wyjściowe

fctm = 2,2 MPa
Ecm = 30 GPa
Es = 200 GPa
![]()

= 0,007
Sprawdzenie stanu granicznego użytkowania metoda uproszczoną
![]()
alim =![]()
= 30,72 mm
![]()
= 0,8
![]()
= 301,43 MPa
![]()
= 0,83
![]()
= 1,0
![]()
= 11,57 mm
![]()
= 22,4
![]()
= 11,57 mm ≤ ![]()
= 14,87 mm
Obliczenie nośności obliczeniowej MRd w charakterystycznych przekrojach podciągu


![]()
Obliczenia dla MSd > 0
przekrój α - α
![]()
= 0,0260 m ![]()
4 Ø 16 + 2 Ø 18
![]()
= 299,17 kNm
przekrój β - β
![]()
= 0,0159 m ![]()
4 Ø 16 ![]()
= 184,61 kNm
przekrój γ - γ
![]()
= 0,0220 m ![]()
3 Ø 16 + 2 Ø 18
![]()
= 254,15 kNm
przekrój δ - δ
![]()
= 0,0359 m ![]()
4 Ø 16 + 4 Ø 18
![]()
= 410,62 kNm
Obliczenia dla MSd < 0

przekrój α - α
![]()
= 0,0170 m ![]()
2 Ø 12 ![]()
= 51,85 kNm
przekrój β - β
![]()
= 0,0170 m ![]()
2 Ø 12 ![]()
= 51,85 kNm
przekrój γ - γ
![]()
= 0,0170 m ![]()
2 Ø 12 ![]()
= 51,85 kNm
przekrój δ - δ
![]()
= 0,0170 m ![]()
2 Ø 12 ![]()
= 51,85 kNm
Obliczenia dla MSd < 0 - przekrój podporowy

przekrój 2 -2 w osi podpory
![]()
= 0,1833 m ![]()
2 Ø 16 + 8 Ø 18 ![]()
= 525,21 kNm
przekrój 2 -2 na krawędzi podpory
![]()
= 0,1833 m ![]()
2 Ř 16 + 8 Ř 18 ![]()
= 472,17 kNm



