
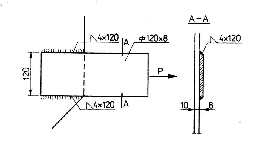
PRZYKŁAD 3-9
Zaprojektować połączenie płaskownika rozciąganego o przekroju 120 x 8 mm z blachą węzłową o grubości 10 mm. Przyjąć stal St3V , (fd=215 MPa) , obliczeniowa siła rozciągająca P=80 kN.
Na podstawie wzoru ![]()
możemy określić wymaganą długość spoin , zakładając ich jednakową grubość - a
![]()
Ze względów konstrukcyjnych należy przedłużyć spoiny z każdej strony połączenia do l=b=12 cm.
Ostatecznie przyjęto więc dwie spoiny grubości a=4 mm i długości 120 mm każda.