|
Pracownia elektryczna i elektroniczna |
Rok szkolny
|
||
|
Badanie obwodów prądu stałego z jednym i z kilkoma źródłami energii. |
Nr.ćw
|
||
|
Data
|
Sprawdzanie |
|
|
|
|
Zaliczanie |
|
|
|
|
Wykonanie |
|
|
|
|
Ocena ogólna |
|
|
Cel ćwiczenia
Celem ćwiczenia jest poznanie i sprawdzenie podstawowych praw, zasad i twierdzeń dotyczących rezystancji, prądów i napięć oraz sprawdzenie słuszności I i II prawa Kirchhoffa, prawa Ohma i nabycia umiejętności w łączeniu prostych obwodów elektrycznych.
Podstawy teoretyczne
Elektryczne obwody rozgałęzione są utworzone z wielu elementów połączonych ze sobą szeregowo, równolegle i w sposób mieszany.
W przypadku połączenia szeregowego koniec jednego rezystora łączy się z początkiem następnego. Przez wszystkie rezystory płynie ten sam prąd a ich rezystancja zastępcza :
Rz=R1 + R2 +...+ RN.
W przypadku połączenia równoległego początki i końce wszystkich rezystorów zwiera się ze sobą. Napięcie na każdym rezystorze jest jednakowe i równe różnicy potencjałów między punktami węzłowymi układu.
1 1 1 1
Rz R1 R2 RN
Prawa Kirchhoffa sformułowane zostały w 1845 roku i wynikają one z prawa zachowania energii. Pierwsze prawo Kirchhoffa, dotyczące bilansu prądów w węźle obwodu elektrycznego prądu stałego, można sformułować następująco:
-dla każdego węzła obwodu elektrycznego suma algebraiczna prądów jest równa zeru
ქ Iၡ = 0
ၡ
przy czym wskaźnik ၡ przyjmuje wartości 1,2,3... w zależności od liczby gałęzi zbiegających się w węźle obwodu.
Drugie prawo Kirchhoffa dotyczące bilansu napięć w oczku obwodu elektrycznego prądu stałego, można sformułować następująco:
-w dowolnym oczku obwodu elektrycznego prądu stałego suma algebraiczna napięć źródłowych oraz suma algebraiczna napięć odbiornikowych występujących na rezystancjach rozpatrywanego oczka jest równa zeru;
ქ Eၡ + ქ Eၢ Iၢ = 0
Elektryczne obwody rozgałęzione są utworzone z wielu elementów połączonych ze sobą szeregowo, równolegle i w sposób mieszany. W obwodach takich, dla rozpływu prądów i dla rozkładu napięć na elementach, obowiązuje szereg praw i twierdzeń. Ćwiczenie obejmuje sprawdzenie podstawowych praw obowiązujących w rozgałęzionych obwodach elektrycznych.
Przebieg ćwiczenia

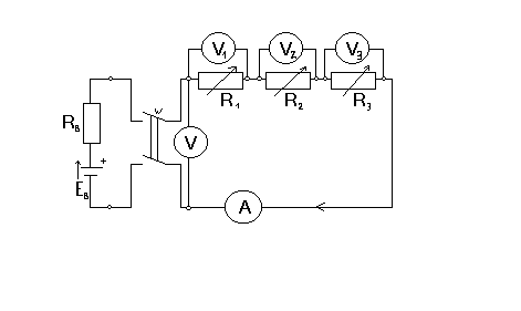
Badania połączenia szeregowego rezystorów
I |
UAB |
UBC |
UCD |
UAD |
R1' |
R2' |
R3' |
Rz' |
R1 |
R2 |
R3 |
Rz |
[A] |
[V] |
[V] |
[V] |
[V] |
[Ω] |
[Ω] |
[Ω] |
[Ω] |
[Ω] |
[Ω] |
[Ω] |
[Ω] |
0,5 |
4,4 |
8 |
10 |
21,2 |
8,8 |
16 |
20 |
44,8 |
10 |
20 |
15 |
45 |
0,47 |
8 |
9,6 |
8 |
21,2 |
17 |
11,9 |
17 |
45 |
18 |
17 |
12 |
47 |
Rz1' = Uab/I + Ubc/I + Ucd/I = Rz1=R1+R2+R3
=4,4/0,5 +8/0,5 +10/0,5= Rz1=10+20+15
=44,8Ω Rz1=45Ω
R'1=Uab/I=4,4/0,5=8,8Ω
R'2=Ubc/I=8/0,5=16Ω
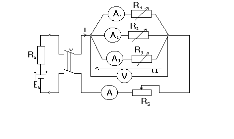
Badanie połączenia równoległego rezystorów

UAB |
I1 |
I2 |
I3 |
I0 |
R1' |
R2' |
R3' |
Rz' |
R1 |
R2 |
R3 |
Rz |
[V] |
[A] |
[A] |
[A] |
[A] |
[Ω] |
[Ω] |
[Ω] |
[Ω] |
[Ω] |
[Ω] |
[Ω] |
[Ω] |
1,6 |
0,08 |
0,12 |
0,06 |
0,28 |
20 |
13,3 |
26,6 |
6 |
18 |
17 |
12 |
5,2 |
R'1=Uab/I1 =1,6/0,08=20Ω
R'2=Uab/I2=1,6/0,12=13,3Ω
Rz'=Uab/I=1,6/0,28=6Ω
(R1 R2) (18*17)
R12 = = = 8,7 [Ω]
(R1+R2) (18+17 )
(R12 R3) (8,7 * 13)
Rz = = = 5,2 [Ω]
(R12+R3) (8,7+13)
Sprawdzanie prądowego prawa Kirchhoffa
|
Wartości zmierzone |
Obliczone |
Id |
||||
E1 |
1,6 |
8 |
14,8 |
1,6 |
8 |
148 |
V |
I1 |
0 |
0,08 |
0,16 |
0 |
0,08 |
0,16 |
A |
I2 |
0,04 |
0,02 |
0 |
0,04 |
0,02 |
0 |
A |
I0 |
0,04 |
0,1 |
0,17 |
0,04 |
0,1 |
0,17 |
A |
U0 |
1,5 |
3,5 |
7 |
0 |
2 |
2 |
V |
Sprawdzanie napięciowego prawa Kirchhoffa
Wartości zmierzone
|
Jednostka |
Wartości obliczone
|
|||||
E1 |
10 |
18 |
22 |
[V] |
10 |
18 |
22 |
UR1 |
4 |
9 |
11 |
[V] |
5 |
9,5 |
12 |
UR2 |
0,8 |
1,6 |
2,4 |
[V] |
0,5 |
1,5 |
2,5 |
UR0 |
5,6 |
6,8 |
7,6 |
[V] |
5,5 |
6,5 |
8 |
I1 |
0,1 |
0,19 |
0,24 |
[A] |
0,08 |
0,18 |
0,22 |
I2 |
0,01 |
0,03 |
0,05 |
[A] |
0,01 |
0,03 |
0,04 |
I0 |
0,11 |
0,13 |
0,16 |
[A] |
0,11 |
0,13 |
0,16 |
UR1 = I1 * R R = 50 [Ω]
UR1 = 0,1 * 50 = 5[V]
UR2 = I2 * R
UR2 = 0,01 * 50 = 0,5 [V]
UR0 = I0 * R
UR0 = 0,11* 50 = 5,5 [V]
Spis przyrządów
Opornica 127 [Ω] / 1,1[A]
Opornica 163 [Ω] / 1,1 [A]
Opornica 104 [Ω] / 1,1 [A]
Opornica 20 [Ω] / 3 [A]
Opornica 20 [Ω] / 3 [A]
Opornica 20 [Ω] / 3 [A]
Amperomierz magnetoelektryczny 960710
Amperomierz magnetoelektryczny 96079
Amperomierz magnetoelektryczny 960729
Woltomierz magnetoelektryczny 96007
Woltomierz magnetoelektryczny 1305194
Miernik cyfrowy 3503
Miernik cyfrowy 3503
Zestaw do badania prądu stałego
Wnioski
Powstałe błędy wynikały z:
Niedokładności przyrządów pomiarowych
Wahające się napięcie w sieci
Niedokładne odczyty z przyrządów gdy wskazówka znajdowała się między działkami
Przybliżeń w obliczeniach
Zmiany parametrów rezystorów gdy te się ogrzały
Złymi stykami miedzy przewodami i ich połączeniami
W ćwiczeniach występowała duża liczba przewodów skutkiem czego występują na nich spadki napięć powodujące straty
Potwierdziło się prawo Ohma jest zachowane dla wszystkich elementów obwodu.Prąd płynący w obwodzie jest wprost proporcjonalny do napięcia i odwrotnie proporcjonalny do rezystancji
Połączenia szeregowe oporników spowoduje ,że rezystancja zastępcza w obwodzie , będzie równa sumie rezystancji poszczególnych oporników
Badając rezystory połączone równolegle obserwujemy ,że odwrotność rezystancji zastępczej jest równa sumie odwrotności rezystancji poszczególnych rezystorów
Uwzględniając stosunkowo małe błędy możemy stwierdzić słuszność prawa prądowego jak i napięciowego Kirchhoffa
Wnioski jakie wyciągnąłem z ćwiczenia to przede wszystkim to że:
Potwierdziło się prawo Ohma, gdyż im większa rezystancja występowała w obwodzie podłączonym do stałego napięcia, tym mniejszy prąd płynął w obwodzie, a spadek napięcia na rezystorze zależy od rezystancji tego opornika i prądu przez niego płynącego.
Połączenia szeregowe oporników spowoduje, że rezystancja zastępcza w obwodzie, będzie równa sumie rezystancji poszczególnych oporników. Suma spadków napięć występujących na poszczególnych rezystorach jest równa napięciu źródła, a przez taki obwód płynie prąd, który jest taki sam, dla każdego elementu, czyli w taki obwód wystarczy wpiąć jeden amperomierz. W obwodzie w którym oporniki połączone są równolegle jak w ćwiczeniu drugim spadek napięcia na każdym rezystorze jest taki sam, a prąd płynący przez każdy z elementów po zsumowaniu dają prąd jaki płynie w obwodzie głównym. Tym samym potwierdziło się I prawo Kirchhoffa. Rezystancja oporników połączonych równolegle jest równa sumie odwrotności poszczególnych rezystancji. Potwierdziło się również II prawo Kirchhoffa gdyż suma spadków napięć na poszczególnych elementach jest równa napięciu źródła.