Wydział Chemiczny |
|
Wymiennik ciepła typu „rura w rurze” - wyznaczanie współczynników wnikania i przenikania ciepła
Cel ćwiczenia:
Celem ćwiczenia jest eksperymentalne wyznaczenie współczynników przenikania ciepła w wymienniku ciepła typu „rura w rurze” dla dwóch różnych przepływów wody gorącej i odpowiadającym im rożnym warunkom przepływu wody zimnej.

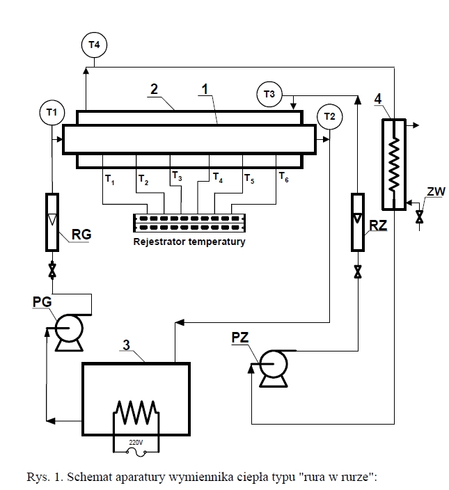
Schemat układu pomiarowego
1 - rura wewnętrzna
2 - rura zewnętrzna
3 - podgrzewacz elektryczny wody gorącej
4 - chłodnica wody zimnej
PG, PZ - pompy obiegowe wody gorącej i zimnej
RG, RZ - rotametry wody gorącej i zimnej
T1, T2, T3, T4 - termometry rtęciowe do pomiaru
temperatur wlotowych i wylotowych wody
ZW - zawór odcinający dopływ wody
wodociągowej do chłodnicy
Opracowanie wyników i przykłady obliczeniowe
3.1. Obliczenie masowego natężenia przepływu dla:
a). rotametru z wodą gorącą:
![]()
[kg/s]
b). rotametru z wodą zimną:
![]()
[kg/s]
wg. wzorów z wykresu: 
3.2. Obliczenie cieplnego natężenia przepływu dla wody gorącej:
![]()
[J/s]
3.3. Obliczenie kd dla wody gorącej ze wzoru Peceta:

[K]
![]()
[K]
![]()
[K]

∆Tm - średnia logarytmiczna temperatury
Am - średnia powierzchnia wymiany ciepła, równa 0,1621 m2
kd - współczynnik przenikania ciepła
3.4. Obliczenie współczynników wnikania ciepła dla wody gorącej αg i zimnej αz:

![]()
[m/s] ![]()
[m/s]

![]()
![]()
![]()
![]()
![]()

![]()
![]()
3.5. Obliczenie 1/kteoret. wg. wzoru:
stąd : ![]()
gdzie:
αg - współczynnik wnikania ciepła dla wody gorącej
αz - współczynnik wnikania ciepła dla wody zimnej
s - grubość ścianki, równa 4,5 mm = 4,5 · 10-3 m (1,5 mm + 3 mm)
λ - współczynnik przewodzenia dla mosiądzu, równy 100 W/m·K
Tabele z wynikami
T1 |
T2 |
T3 |
T4 |
V1(g) |
V2(z) |
m1(g) |
m2(z) |
342,15 |
337,35 |
293,65 |
304,65 |
200
|
200 |
0,0594 |
0,0496 |
343,15 |
337,15 |
294,65 |
301,15 |
|
300 |
0,0594 |
0,0773 |
344,25 |
338,15 |
295,15 |
303,15 |
|
400 |
0,0594 |
0,1049 |
344,35 |
339,65 |
293,65 |
307,15 |
300
|
200 |
0,0897 |
0,0496 |
344,65 |
339,65 |
295,15 |
304,15 |
|
300 |
0,0897 |
0,0773 |
344,65 |
339,15 |
295,15 |
303,15 |
|
400 |
0,0897 |
0,1049 |
ΔT1 |
ΔT2 |
ΔTm |
Q1(g) |
kd |
αg |
αz |
37,50 |
43,70 |
40,521 |
1198,4000 |
182,4479 |
142,4546 |
114,8474 |
42,00 |
42,50 |
42,250 |
1498,0000 |
218,7294 |
|
163,5826 |
41,10 |
43,00 |
42,043 |
1522,9667 |
223,4680 |
|
208,8760 |
37,20 |
46,00 |
41,444 |
1771,1167 |
263,6321 |
198,0193 |
114,8474 |
40,50 |
44,50 |
42,469 |
1884,1667 |
273,6959 |
|
163,5826 |
41,50 |
44,00 |
42,738 |
2072,5833 |
299,1691 |
|
208,8760 |
Reg |
Rez |
Pr |
Nug |
Nuz |
1/kteoret. |
kteoret. |
12,83501 |
15,31368 |
0,042 |
0,049859 |
0,057424 |
0,016177 |
61,81621 |
12,83501 |
23,82866 |
0,042 |
0,049859 |
0,081791 |
0,013583 |
73,62199 |
12,83501 |
32,34363 |
0,042 |
0,049859 |
0,104438 |
0,012257 |
81,58398 |
19,37247 |
15,31368 |
0,042 |
0,069307 |
0,057424 |
0,014207 |
70,38675 |
19,37247 |
23,82866 |
0,042 |
0,069307 |
0,081791 |
0,011613 |
86,10942 |
19,37247 |
32,34363 |
0,042 |
0,069307 |
0,104438 |
0,010288 |
97,20495 |
T1,2,3,4 - pomiary temperatur wlotowych i wylotowych wody [K]
V1,2 - objętościowe natężenie przepływu wody gorącej/zimnej [l/h]
m1,2 - masowe natężenie przepływu wody gorącej/zimnej [kg/s]
ΔT1,2 - różnice temperatur na wlocie i wylocie wymiennika (ΔT1=T1-T4, ΔT2=T2-T3)
Q1,2 - strumień cieplny dla wody gorącej/zimnej [J/s]
kd - doświadczalna wartość współczynnika przenikania ciepła
αg - współczynnik wnikania ciepła dla wody gorącej
αz - współczynnik wnikania ciepła dla wody zimnej
kteoret. - teoretyczna wartość współczynnika przenikania ciepła
Reg - wartość liczby Reynoldsa dla wody gorącej
Rez - wartość liczby Reynoldsa dla wody zimnej
Pr - liczba Prandtla
Nug - wartość liczby Nusselta dla wody gorącej
Nuz - wartość liczby Nusselta dla wody zimnej
6. Wnioski
W wyniku przeprowadzonego doświadczenia oraz obliczeń dokonanych na podstawie danych doświadczalnych, można zauważyć wyraźną zależność miedzy strumieniem cieplnym wody gorącej Q a współczynnikiem przenikania ciepła kd. Z wykresu widać, że zależność ta jest praktycznie liniowa. W ogólnym przybliżeniu można stwierdzić, iż wraz ze wzrostem cieplnego natężenia przepływu wody wzrasta wartość współczynnika przenikania, tzn. że kd jest wprost proporcjonalny do Q.
Porównując kd oraz kteoret. możemy zaobserwować, że przy każdym pomiarze, doświadczalna wartość współczynnika przenikania ciepła jest prawie dokładnie 3 razy wyższa od policzonej teoretycznej.
