Laboratorium Maszyn Elektrycznych |
|||||||
Nazwisko i Imię: Karpiński Marcin
|
Grupa: Edi. 5.1 |
||||||
Data wykonania ćwiczenia 12.10.1999 |
Ćwiczenie nr: 9 |
Temat Zadania: Badanie prądnicy prądu stałego |
|||||
ZALICZENIE |
Ocena |
Data |
Podpis
|
||||
Cel ćwiczenia.
Celem ćwiczenia jest zapoznanie się z podstawowymi własnościami prądnicy prądu stałego przy biegu jałowym i obciążeniu, a także wyznaczenie charakterystyk biegu jałowego, obciążenia i charakterystyki zewnętrzej.
1.Dane znamionowe:
a) prądnicy
Typ PZMb - 44a Nr 468074
PL-E10-P3-67
PN = 1,2 kW
UN = 230 V
IN = 5,2 A
nN = 1450 obr/min
IWN = 0,36 A
b) silnika napędowego (prądu stałego)
Typ PZMb - 54a Nr 568069
PL-E10-P3-66
PN = 3,7 kW
UN = 220 V
IN = 19,6 A
nN = 1450 obr/min
IWN = 0,58 A
2. Pomiar rezystancji uzwojeń.
R1B1-2B1 = 8,30 Ω
RD1-D2 = 0,223 Ω
RE1-E2 = 436 Ω
3. Pomiary charakterystyk biegu jałowego

Pomiar charakterystyki biegu jałowego przy czynnym uzwojeniu bocznikowym:
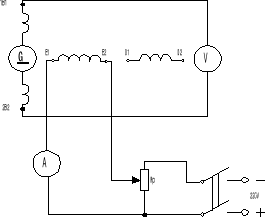
Rys. 1 Układ połączeń do wyznaczania charakterystyki biegu jałowego przy czynnym uzwojeniu bocznikowym.
n=nn=1450 obr/min |
||||
|
Gałąź dolna |
Gałąź górna |
||
Lp. |
If |
Uo |
If |
Uo |
|
A |
V |
A |
V |
1 |
0 |
15 |
0,36 |
277 |
2 |
0,05 |
62 |
0,34 |
260 |
3 |
0,10 |
117 |
0,32 |
255 |
4 |
0,15 |
162 |
0,30 |
249 |
5 |
0,20 |
200 |
0,25 |
230 |
6 |
0,25 |
225 |
0,20 |
207 |
7 |
0,30 |
250 |
0,15 |
171 |
8 |
0,34 |
260 |
0,10 |
139 |
9 |
0,36 |
277 |
0,05 |
72 |
10 |
|
|
0 |
15 |

Rezystancja krytyczna dla znamionowej prędkości obrotowej:

Pomiar charakterystyki biegu jałowego przy czynnym uzwojeniu szeregowym
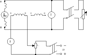
Rys. 2 Układ połączeń do wyznaczania charakterystyki biegu jałowego przy czynnym uzwojeniu szeregowym
n=nn=1450 obr/min |
||||
|
Gałąź dolna |
Gałąź górna |
||
Lp. |
If |
Uo |
If |
Uo |
|
A |
V |
A |
V |
1 |
0 |
-4,0 |
6,0 |
30,0 |
2 |
0,5 |
0,0 |
5,5 |
27,0 |
3 |
1,0 |
0,0 |
5,0 |
25,0 |
4 |
1,5 |
2,5 |
4,5 |
22,5 |
5 |
2,0 |
5,0 |
4,0 |
20,0 |
6 |
2,5 |
8,0 |
3,5 |
18,0 |
7 |
3 |
10,0 |
3,0 |
15,0 |
8 |
3,5 |
15,0 |
2,5 |
12,0 |
9 |
4 |
17,0 |
2,0 |
8,0 |
10 |
4,5 |
20,0 |
1,5 |
5,0 |
11 |
5,0 |
22,0 |
1,0 |
2,5 |
12 |
5,5 |
25,0 |
0,5 |
0,0 |
13 |
6,0 |
30 |
0 |
-4,0 |


4. Pomiar charakterystyki obciążenia prądnicy obcowzbudnej.
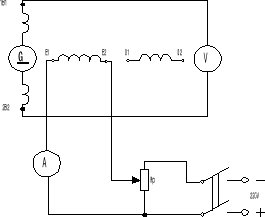
Rys. 3 Układ połączeń do wyznaczania charakterystyki obciążenia.
Ia=IN=5 A |
|||
Lp. |
n |
U |
If |
|
obr/min |
V |
A |
1 |
1450 |
245 |
0,40 |
2 |
1450 |
235 |
0,35 |
3 |
1450 |
212 |
0,30 |
4 |
1450 |
190 |
0,25 |
5 |
1450 |
170 |
0,20 |
6 |
1450 |
140 |
0,15 |
7 |
1450 |
100 |
0,10 |
8 |
1450 |
50 |
0,05 |
9 |
1450 |
0 |
0,00 |

5. Pomiary charakterystyk zewnętrznych.
Lp. |
U |
I |
If |
Charakter pracy |
|
V |
A |
A |
|
1 |
220 |
6,0 |
0,36
|
obcowzbudna |
2 |
225 |
5,4 |
|
|
3 |
235 |
5,0 |
|
|
4 |
240 |
4,5 |
|
|
5 |
245 |
4,0 |
|
|
6 |
250 |
3,5 |
|
|
7 |
260 |
2,5 |
|
|
8 |
260 |
1,5 |
|
|
9 |
265 |
1,0 |
|
|
10 |
265 |
0,5 |
|
|
11 |
270 |
0 |
|
|
Lp. |
U |
I |
If |
Charakter pracy |
|
V |
A |
A |
|
1 |
220 |
6,0 |
0,340 |
Szeregowo-bocznikowa dozwojenie zgodne
|
2 |
230 |
5,5 |
0,360 |
|
3 |
242 |
5,0 |
0,370 |
|
4 |
245 |
4,4 |
0,380 |
|
5 |
255 |
3,8 |
0,390 |
|
6 |
260 |
3,5 |
0,395 |
|
7 |
260 |
3,0 |
0,400 |
|
8 |
270 |
2,3 |
0,405 |
|
9 |
278 |
1,0 |
0,420 |
|
10 |
282 |
0,5 |
0,425 |
|
11 |
285 |
0,0 |
0,430 |
|
Dla prądnicy obcowzbudnej:
Dla prądnicy bocznikowej:
Dla prądnicy szeregowo-bocznikowej skompensowanej:
Dla prądnicy obcowzbudnej:

Wnioski:
Jako charakterystykę biegu jałowego uznaje się krzywą średnią z górnej gałęzi (dla wzrastającego prądu wzbudzenia) i dolnej (dla malejącego prądu wzbudzenia). . Podczas wykonywania pomiarów zauważyliśmy istnienie pewnego napięcia szczątkowego, którego wartość wynosi: Uoszcz = 10V. Jest to napięcie z istnienia magnetyzmu szczątkowego obwodu magnetycznego maszyny. Napięcie to jest konieczne do wzbudzenia maszyny samowzbudnej.

Lp. |
U |
I |
If |
Charakter pracy |
|
V |
A |
A |
|
1 |
205 |
6,00 |
0,350 0,380 0,405 0,415 0,430 0,460 0,470 0,475 0,480 0,495 0,500 |
Szeregowo-bocznikowa dozwojenie przeciwne |
2 |
220 |
5,50 |
|
|
3 |
235 |
5,00 |
|
|
4 |
245 |
4,45 |
|
|
5 |
252 |
3,95 |
|
|
6 |
272 |
3,00 |
|
|
7 |
277 |
2,00 |
|
|
8 |
280 |
1,50 |
|
|
9 |
282 |
1,00 |
|
|
10 |
292 |
0,50 |
|
|
11 |
295 |
0,00 |
|
|
1 |
230 |
5,2 |
0,360 |
bocznikowa |
2 |
212 |
6,1 |
0,340 |
|
3 |
225 |
5,5 |
0,360 |
|
4 |
237 |
5,0 |
0,380 |
|
5 |
238 |
4,5 |
0,375 |
|
6 |
250 |
4,0 |
0,400 |
|
7 |
260 |
3,5 |
0,400 |
|
8 |
265 |
3,0 |
0,420 |
|
9 |
270 |
2,5 |
0,420 |
|
10 |
275 |
1,5 |
0,430 |
|
11 |
280 |
1,0 |
0,440 |
|
12 |
275 |
0,5 |
0,440 |
|
13 |
290 |
0,0 |
0,450 |
|





