Opis przedsiębiorstwa
Opis
Firma Specialized rozpoczęła swoją działalność w 1995 roku. Główny zakres działalności firmy obejmuje produkcję ram rowerowych przeznaczonych na sprzedaż na terenie kraju oraz za granicą. Odbiorcami ram są zarówno klienci indywidualni jak i profesjonalne zespoły, współpracujące z firmą w zakresie unowocześniania konstrukcji. Produkcja obejmuje wykonanie ram typu hardtail oraz fullsuspension o 4 punktowym systemie zawieszenia. Projektowane ramy są przede wszystkim tworzone z myślą o takich dyscyplinach jak freeride, downhill, dirt jumping i street.
W roku 2002 firma wprowadziła system zarządzania w wyniku czego firma otrzymała Certyfikat Systemu Zarządzania Jakością zgodny z normą PN-ISO 9001:2001. Zarządzanie produkcją realizowane jest w systemie ERP z zastosowaniem nowoczesnych rozwiązań informatycznych. Działalność firmy opiera się na licznych umowach kooperacyjnych z firmami produkującymi systemy amortyzacji roweru, a w szczególności z firmą Manitou. Firma zatrudnia ponad 205 osób w obszarze produkcji i administracji.
Teren zakładu obejmuje halę produkcyjną obejmującą spawalnie ram rowerowych, lakiernie oraz w pełni zautomatyzowany i zintegrowany z systemem ERP magazyn wysokiego składowania.
Firma Specialized jest obecnie czołowym producentem rowerów w Europie i na polskim rynku (27% rynku krajowego), jest również liderem eksportu, który stanowi obecnie ponad 50% całości wolumenu sprzedaży.
Środki techniczne:
Firma posiada zakład produkcyjny mieszczący się w Przasnyszu. Teren zakładu obejmuje 1250m2. W skład infrastruktury budowlanej wchodzą:
budynek hali produkcyjnej o łącznej powierzchni 450m2
magazyn materiałów i produktów gotowych o powierzchni 230m2
budynek laboratorium testowego 102 m2
budynek centrum projektowego 80m2
budynek administracji 240m2
W skład wyposażenia hali produkcyjnej wchodzą:
15 stanowisk spawaczy wyposażonych w:
- spawarkę Master TIG 2300 ACDC 1 szt.
- butle z argonem 2 szt.
- stół roboczy z uchwytami montażowymi 1 szt.
- zestaw pomiarowy (suwmiarka, poziomnica) 1 szt.
- palnik acetylenowy 1 szt.
20 stanowisk obróbkowe wyposażone w:
- centrum obróbcze CNC 1 szt.
- gwintownica 1 szt.
5 stanowisk obróbki wykańczającej wyposażone w:
- urządzenie piaskujące 1 szt.
- szlifierka stołowa 1 szt.
- narzędzia pomiarowe o wysokiej dokładności (poziomnica elektroniczna,
kątownik elektroniczny) po 1 szt.
- stół traserski 1 szt.
3 stanowiska do malowania natryskowego obejmujące:
- komorę natryskową 1 szt.
- zestaw natryskowy (pistolet, przewody) 1 szt.
- urządzenie do grawerowania nadruków ZN200 1 szt.
Ponadto wyposażenie hali obejmuje generator ENERCON E66 oraz instalację gazową.
Budynek Laboratorium wyposażony jest w 4 stanowiska kontrolno-testowe obejmujące:
- aparaturę do stymulacji obciążeń 1 szt.
- siłomierz piezoelektryczny 2 szt.
- mikroskop pomiarowy 1 szt.
- zestaw komputerowy wraz z oprogramowaniem TRNSYS i EES 2 szt.
- czujnik ultradźwiękowy do pomiaru grubości lakieru 2 szt.
Budynek administracyjny wyposażony jest w:
- stanowisko komputerowe klasy PC 24 szt.
- skaner HP2300 12 szt.
- kopiarkę 4 szt.
- niszczarkę do dokumentów 8 szt.
Wyposażenie magazynu wraz z środkami transportu wewnątrz hali produkcyjnej obejmuje:
- wózek widłowy 6 szt.
- wózek ręczny 12 szt.
Budynek centrum projektowego wyposażony jest w:
- stół kreślarski 4 szt.
- zestaw komputerowy z oprogramowaniem CAD 3 szt.
- przyrządy kreślarskie
Przedsiębiorstwo dysponuje własnym taborem samochodowym, który obejmuje 5 samochodów dostawczych typu FORD Transit.
Głównymi materiałami stosowanymi w procesie produkcyjnym ram są:
rury ze stopu aluminium 6061-T6 oraz A1
rury i tuleje ze stopu aluminium 7005
odlewy aluminiowe dostarczane
- lakiery metaliczne o różnych barwach
wolframowe elektrody nietopliwe
Budynki zakładu zasilane są z miejskiej sieci energetycznej. Energia dostarczana jest na podstawie umowy zawartej z firmą pośredniczącą ENEA. Zakład produkcyjny posiada ponadto własne źródło zasilania (generator ENERCON E66 o mocy 3MW) uruchamiane w razie problemów z przesyłem energii od dostawcy. Budynek hali produkcyjnej, laboratorium i administracji posiada dostęp do miejskiej sieci gazowniczej, wodociągowej i ciepłowniczej.
Paliwa ciekłe (benzyna bezołowiowa E95) jest dostarczana zgodnie z umową podpisaną ze stacją paliw MULTI i składowana na terenie zakładu w podziemnym zbiorniku. Gazy techniczne (argon i acetylen) są dostarczane w butlach przez dostawców zewnętrznych.
Zasoby ludzkie:
W przedsiębiorstwie jest zatrudnionych ogółem 205 pracowników.
4 kierowników produkcji o wykształceniu wyższym w zakresie zarządzania
2 kierowników działów administracji i 2 zastępców kierownika
5 pracowników administracyjnych o wykształceniu w zakresie transportu i 4 marketingu z bardzo dobrą znajomością j.angielskiego i dobrą znajomością j.niemieckiego
8 pracowników laboratorium o wykształceniu wyższym w zakresie kontroli jakości
1 główny księgowy
6 księgowych o wykształceniu wyższym
10 pracowników administracji
2 sekretarki
8 projektantów (konstruktorów) o wykształceniu wyższym
8 brygadzistów
30 spawaczy o wykształceniu min. średnim w zawodzie technik spawacz
10 ślusarzy o wykształceniu min. średnim w zawodzie technik ślusarz
6 lakierników o wykształceniu min. zawodowym
30 pracowników technicznych z upoważnieniem do prowadzenia wózków widłowych
5 kierowców z kategorią prawa jazdy B i C
40 operatorów obrabiarek o wykształceniu średnim
4 pracowników sanitarnych o wykształceniu zawodowym
1 specjalista ds. BHP i p.poż.
4 magazynierów
4 serwisantów
9 pracowników ochrony
Praca pracowników bezpośrednio produkcyjnych (dotyczy: spawaczy, ślusarzy, lakierników) odbywa się w systemie dwuzmianowym, system ten obejmuje ponadto kontrolerów jakości oraz kierowników produkcji. Pozostali pracownicy administracji pracują w 8 godzinnym systemie jednozmianowym.
Proces produkcyjny:
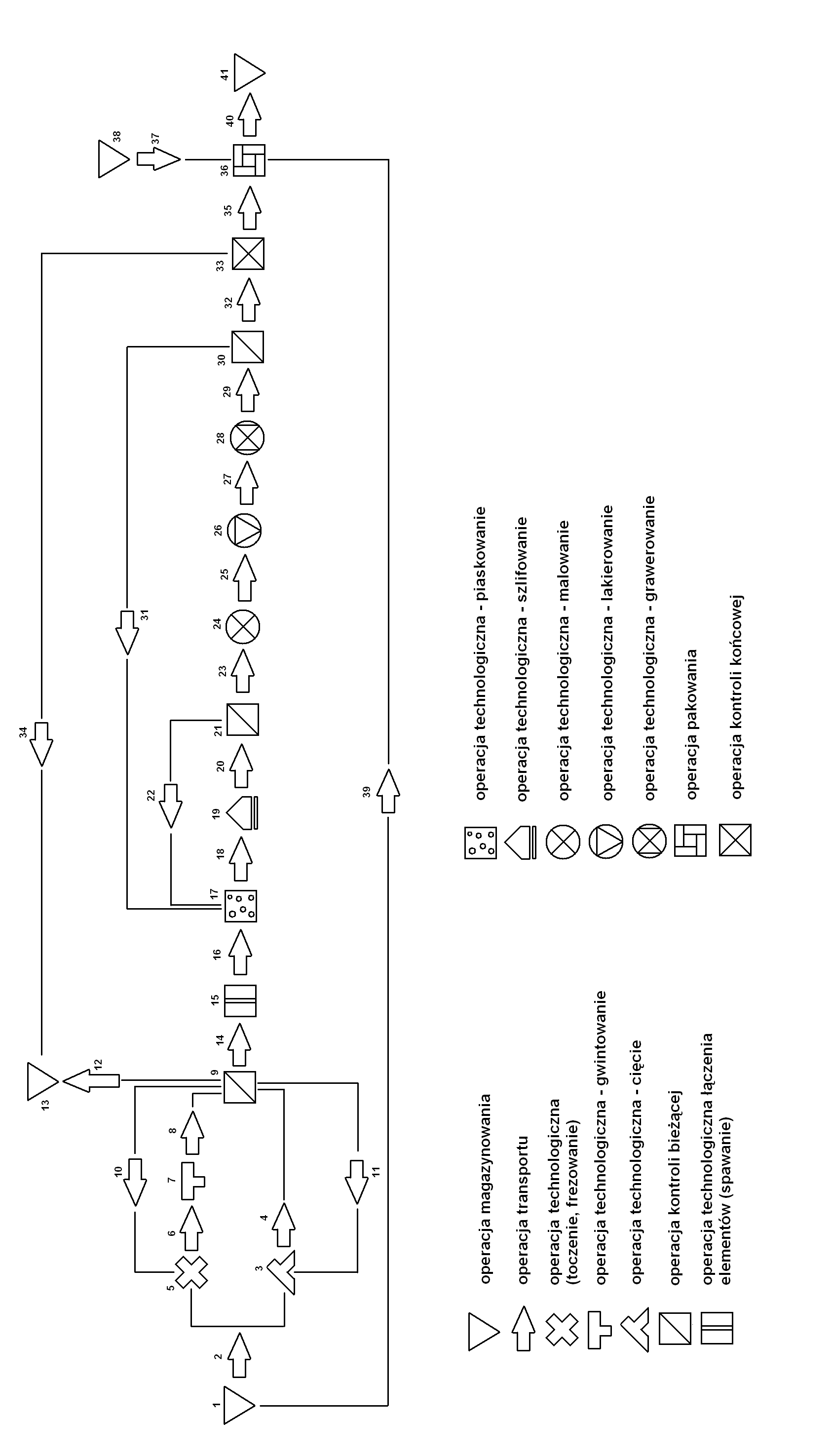
Proces produkcyjny rozpoczyna się od pobrania elementów konstrukcyjnych dostarczonych przez dostawców zewnętrznych z magazynu materiałów i produktów gotowych, które następnie są transportowane za pośrednictwem wózków widłowych do budynku hali technologiczno-produkcyjnej. Transport odbywa się w tym wypadku na dwa stanowiska: elementy o nieregularnych kształtach trafiają na stanowisko CNC, a elementy o kształtach regularnych bezpośrednio na stanowisko spawacza. Na stanowisku obróbkowym CNC dokonuje się frezowania i toczenia powierzchni, wykonywane jest gwintowanie otworów. Po obróbce elementy ze stanowiska CNC dostarczane są kolejno na stanowiska spawaczy, gdzie uprzednio docina się elementy o kształtach regularnych. Przed łączeniem poddawane są kontroli wymiarowej, w przypadku wykrycia elementów o zbyt małych wymiarach (brak możliwości korekty) są one odrzucane i zastępowane nowymi, w przypadku zbyt dużych wymiarów są docinane. Za stanowiska spawaczy wykonane konstrukcje transportowane są na stanowisko obróbki wykańczającej, gdzie poddaje się je piaskowaniu, szlifowaniu i dokładnemu pomiarowi. Następnie wędrują na stanowisko do malowania natryskowego, na którym są malowane, lakierowane i pokrywane nadrukami. Transport ram pomiędzy stanowiskami odbywa się za pośrednictwem wózków ręcznych. Po przejściu całego procesu produkcyjnego ramy trafiają do budynku laboratorium pomiarowego, gdzie na dwóch stanowiskach poddaje się je szczegółowej kontroli w szerokim zakresie. Kontroli podlega przede wszystkim charakterystyka wytrzymałości ram podczas stymulowania obciążeń. Ramy, które pozytywnie przeszły proces kontroli transportowane są przy pomocy wózków widłowych do magazynu wyrobów gotowych, gdzie są pakowane i składowane. Podczas pakowania ram dołączana jest instrukcja obsługi, karta gwarancyjna oraz damper (system amortyzacji tylnej) znajdujący się w zestawie.

Magazynowanie elementów konstrukcyjnych, gotowych systemów amortyzacji tylnej.
Transport wózkiem widłowym z magazynu do budynku hali produkcyjnej
Docinanie elementów owalnych (o regularnych kształtach) na stanowisku spawacza
Transport ręczny elementów o regularnych kształtach do kontrolnego obszaru stanowiska
Operacje frezarskie na elementach o kształtach nieregularnych oraz toczenie otworów na stanowisku CNC
Transport ręczny
Gwintowanie otworów w elementów nieregularnych
Transport wózkiem ręcznym do obszaru kontrolnego stanowiska spawacza
Kontrola wymiarowa dostarczonych elementów
Transport wózkiem ręcznym elementów nieregularnych (o zbyt dużych wymiarach) do korekty na stanowisku CNC
Transport ręczny elementów o regularnym kształcie (zbyt duży wymiar- długość) do ponownego docięcia
Transport elementów konstrukcyjnych wadliwie wykonanych (zbyt małe wymiary), w stosunku do których nie ma możliwości zastosowania korekty wymiarowej
Składowanie braków i odpadów w budynku magazynu
Transport ręczny z obszaru kontrolnego stanowiska spawacza do obszaru w którym dokonywany jest proces spawania elementów
Łączenie elementów konstrukcyjnych (spawanie)
Transport wózkiem ręcznym na stanowisko obróbki wykańczającej
Piaskowanie ram
Transport ręczny (w obrębie stanowiska obróbki wykańczającej)
Szlifowanie ram
Transport ręczny (w obrębie stanowiska obróbki wykańczającej)
Kontrola efektów wykonanych operacji na stanowisku obróbki wykańczającej
Transport ręczny elementów konstrukcyjnych z wykrytymi wadami powierzchni do korekty (piaskowania)
Transport wózkiem ręcznym ram na stanowisko do malowania natryskowego
Malowanie ram
Transport ręczny (w obrębie stanowiska - z komory natryskowej do lakierniczej)
Lakierowanie ram
Transport ręczny (w obrębie stanowiska - z komory lakierniczej do automatu nanoszącego nadruki)
Nakładanie nadruków firmowych
Transport ręczny (w obrębie stanowiska)
Kontrola nałożonej warstwy wierzchniej
Transport wózkiem ręcznym ram z wadami warstwy powierzchniowej do ponownego jej usunięcia (piaskowania)
Transport wózkiem widłowym ram do budynku laboratorium pomiarowego
Kontrola wytrzymałości ram podczas stymulowania obciążeń dynamicznych na stanowisku pomiarowym
Transport ram nie spełniających norm wytrzymałościowych do działu braków w magazynie
Transport wózkiem widłowym do magazynu
Pakowanie ram w kartony
Transport wózkiem ręcznym dokumentacji technicznej dołączanej do ram
Składowanie dokumentacji
Transport wózkiem ręcznym systemów amortyzacji w obrębie magazynu
Transport wózkiem ręcznym zapakowanych ram do obszaru składowania
Magazynowanie produktów gotowych
Badanie i rozwój:
Corocznie 55% rocznych dochodów przeznaczanych jest na cele rozwojowo-badawcze zapewniające stałe doskonalenie i dostosowywanie do potrzeb klientów oferowanej gamy wyrobów.
Opierając się na swojej długoletniej działalności na rynku sprzętu rowerowego firma Specialized wyrobiła sobie odpowiednią markę i znak firmowy. Dzięki ciągłej współpracy opierającej się na wieloletnich umowach podpisanych z zawodowymi zespołami kolarstwa górskiego takimi jak Mountain Bike Team i Rocky Mountain możliwe jest ciągłe doskonalenia konstrukcji w zakresie poprawy wytrzymałości i cech geometrycznych proponowanych ram. Firma posiada już ustabilizowaną pozycję w sektorze i 23% udziałem w rynku w roku 2006 znajduje się w czołówce producentów.
W wyniku prowadzonej w sposób równoległy współpracy z firmą MOTOX działającą na rynku pojazdów motocyklowych nasza firma prowadzi adaptację jej rozwiązań konstrukcyjnych w nowych modelach ram rowerowych.
Firma stale doskonali system zarządzania opierając się na okresowych szkoleniach kadry kierowniczej w zakresie nowych technik kontroli i motywacji. Do szybkiego rozwoju w dużej mierze przyczynia się usprawnianie systemu produkcyjnego poprzez częstą wyminę infrastruktury maszynowej, pozwalającej na osiąganie jeszcze lepszych wyników pracy.
Badania rynku przeprowadzane są sukcesywnie co kwartał i opierają się przede wszystkim na danych dostarczanych przez bezpośrednich sprzedawców sprzętu oraz danych pochodzących z punktów serwisowych.
Prognozowanie i planowanie strategiczne odbywa się w oparciu o uzyskane dane z lat ubiegłych podlegające wnikliwej ocenie oraz w oparciu o zaobserwowane na drodze badań okresowych trendy na rynku.
Dystrybucja i obsługa klienta:
Sprzedaż ram prowadzona jest w dwóch autoryzowanych punktach oraz w sklepach oferujących części i akcesoria rowerowe, z którymi firma podpisała umowy kooperacyjne. Istnieje również możliwość zakupu ram drogą elektroniczną poprzez internatowy sklep firmowy realizujący zamówienia na drodze wysyłkowej. W wyniku tego, iż firma Specialized jest sponsorem licznych zawodów rowerowych ma również możliwość w sposób okresowy sprzedaży swoich produktów bezpośrednim odbiorcą na tych właśnie imprezach.
Obsługa serwisowa sprowadza się jedynie do wymiany wadliwych, bądź uszkodzonych podczas użytkowania ram, których wady powstały podczas prawidłowego ich użytkowania zgodnego z warunkami reklamacji. Wymiana uszkodzonych egzemplarzy prowadzona jest jedynie w odniesieniu do produktów objętych okresem gwarancji (to jest okresem 2lat od daty zakupu potwierdzonej paragonem lub fakturą VAT). Nie przewiduje się naprawy serwisowej uszkodzonych części ponieważ wszelka ingerencja w konstrukcje prowadziła by do zmniejszenia jej wytrzymałości.
Planowanie i organizowanie:
Planowanie przyszłego zakresu produkcji opiera się przede wszystkim na przeprowadzanych w sposób okresowy i ciągły badaniach rynkowych. W ostatnich latach notuje się wyraźny trend wzrostowy liczby użytkowników sprzętu rowerowego. W związku z tym firma planuje w długim okresie czasu modernizacje organizacji produkcji, tak by minimalizowała ona czas jednostkowy wytworzenia produktu, a tym samym ogólny koszt produkcji. Przebudowa organizacyjna będzie prowadzona w taki sposób, by zwiększyć liczbę operacji wykonywanych jednocześnie na różnych stanowiskach. W celu dotarcia do jeszcze szerszego grona odbiorców sprzętu, a także zaspokojenia potrzeb dotychczasowych użytkowników planowane jest stałe poszerzanie oferowanej gamy modeli ram. Asortyment ma zostać powiększony przede wszystkim o ramy kolarskie, których dotychczasowa produkcja nie obejmowała oraz o ramy do rowerów dziecięcych.
Dotychczasowa działalność firmy obejmowała rynek polski i europejski. W planach długoterminowych znajduje się rozbudowa strefy dystrybucji produktów o nowe rynki zbytu. Realizacja tego celu ma opierać się na nawiązaniu współpracy z detalicznymi sprzedawcami sprzętu w krajach nie objętych do chwili obecnej zasięgiem sieci dystrybucji. Na przyszły rok planowane jest również otwarcie dwóch firmowych sklepów internetowych, których zakres działalności obejmie Stany Zjednoczone i Kanadę.
W przypadku wstąpienia firmy na rynek amerykański planuje się rozbudowę istniejącej infrastruktury produkcyjnej oraz otwarcie nowego kompleksu produkcyjnego na terytorium Ameryki Północnej. W najbliższym okresie czasu firma planuje pozyskanie nowych dostawców elementów konstrukcyjnych. Dotychczasowa organizacja zaopatrzenia obejmowała konkretnych dostawców dostarczających wybrane elementy. Taka organizacja nie zapewnia możliwości kontynuowania produkcji w przypadku nie wywiązania się jednego z dostawców z warunków umowy. Wywołuje to konieczność dywersyfikacji źródeł pozyskania materiałów i innych środków niezbędnych do procesu produkcji.
Motywowanie:
System motywacyjny przedsiębiorstwa opiera się głównie na pobudzaniu kreatywności pracowników poprzez bodźce finansowe jak i niefinansowe. System nagród jest ściśle związany z wywiązywaniem się z własnych obowiązków i wkładem intelektualnym pracowników pozwalającym firmie na ciągły rozwój. Pracownik na każdym stanowisku pracy ma możliwość wnoszenia własnych projektów pomysłów dotyczących organizacji jego pracy jak i spostrzeżeń związanych z produkowanym asortymentem.
Kadra pracownicza ma możliwość rozwoju własnych umiejętności i nabywania nowych doświadczeń na organizowanych przez firmę kursach, szkoleniach i pokazach. Ponieważ głównym priorytetem firmy jest zapewnienie najwyższej jakości oferowanych produktów ze względu na wzgląd na bezpieczeństwo użytkowników, pracowników produkcyjnych motywuje za pośrednictwem takich instrumentów jak premie, podnoszenie progu wynagrodzeń, a w dłuższej perspektywie oferuje możliwość awansu zawodowego. Każdy pracownik jest dokładnie rozliczany z wykonanych zadań i poddawany comiesięcznym statystycznym kontrolą, dzięki którym możliwa jest rzetelna ocena jego wkładu i efektów pracy. Każdy z pracowników prowadzi jednocześnie kontrole własnych czynności co czyni go odpowiedzialnym za uzyskane efekty pracy.
Zadania marketingu:
Analiza danych rynkowych opiera się przede wszystkim na informacjach dostarczanych przez bezpośrednich sprzedawców sprzętu oraz danych pochodzących z autoryzowanych przysklepowych punktów serwisowych. Na podstawie tych wyników powiększonych o wartości uwzględniające sprzedaż wysyłkową realizowaną przez sklepy internatowe sporządza się statystyki sprzedaży produktów, pozwalające śledzić bieżące tendencje i trendy na rynku. Dane te pozwalają na określenie optymalnej wielkości sprzedaży oraz wpływają na kierunek rozwoju i zmian asortymentu produkcyjnego.
Firma prowadzi intensywną reklamę swoich wyrobów za pośrednictwem prasy specjalistycznej, reklam umieszczanych u bezpośrednich sprzedawców sprzętu, środkach masowego przekazu zajmujących się popularyzacją sportów rowerowych np.: Extreme Sports Canal, jak również w bezpośrednim kontakcie z klientem na sponsorowanych imprezach sportowych.
Prognozowanie i planowanie marketingowe odbywa się w oparciu o uzyskane dane z lat ubiegłych podlegające wnikliwej ocenie oraz w oparciu o zaobserwowane na drodze badań okresowych trendy na rynku. Szeroko prowadzone działania marketingowe mają prowadzić do utrzymania, a nawet zwiększenia liczby użytkowników produkowanego sprzętu, zwiększenia obszaru oddziaływania i właściwego dopasowania oferty produkcyjnej do potrzeb klientów zewnętrznych.
Know How:
Efektem współpracy z odbiorcami sprzętu (profesjonalnymi zespołami) stało się przede wszystkim skonstruowanie 4 zawiasowego systemu zawieszenia objętego patentem nr E4582 w Urzędzie Patentowym oraz technologii Centerfold zapewniającej unikalność wykonywanych ram.
Firma Specialized posiada wypracowany system rekrutacji i doboru pracowników, w wyniku czego kadra produkcyjna i projektowa opiera się na wykształconych i doświadczonych specjalistach. W zakresie wprowadzania nowych rozwiązań i rozwoju umiejętności pracowników prowadzone są comiesięczne kursy i szkolenia pozwalające na ciągłe podnoszenie ich kwalifikacji zawodowych. W roku 2002 został wprowadzony system zarządzania przez jakość w wyniku czego firma otrzymała Certyfikat Systemu Zarządzania Jakością ISO 9001 zgodny z wymogami Unii Europejskiej.
Działalność firmy opiera się na licznych umowach kooperacyjnych z firmami produkującymi systemy amortyzacji, a w szczególności z firmą Manitou.
Misja
Misją firmy jest optymalne zaspokajanie oczekiwań i potrzeb klientów poprzez produkowanie ram wysokiej jakości, atrakcyjnych pod względem użytkowym i estetycznym oraz dostępnych dla możliwie szerokiego grona odbiorców.
Wizja
Firma pragnie poprzez nieustanną, ciężką pracę nad doskonaleniem produktów i organizacji rozwinąć się na nowe rynki oraz umocnić swoją pozycję na dotychczasowych, tak aby produkty tej marki pozostały kojarzone z wysoką jakością, funkcjonalnością i niepowtarzalnym designem.
Bieżąca strategia firmy
Strategia przedsiębiorstwa została opracowana w oparciu o wnioski z:
analizy SWOT,
analizy atrakcyjności sektora wg modelu Portera,
analizy portfela produkcji (macierz BCG).
Firma Specialized przyjęła agresywną strategię rynkową. Działania skupiają się na wykorzystaniu w sposób maksymalny szans związanych przede wszystkim ze sferą społeczną i technologiczną. Prowadzone działania opierają się na istniejących silnych stronach firmy, a w szczególności kreatywnej kadry menedżerskiej.
Do strategicznych celów należą:
a) podniesienie poziomu jakościowego wyrobów:
modernizacja zaplecza naukowo - badawczego
wdrożenie nowoczesnych metod obróbki,
b) wzrost zainteresowania ofertą firmy oraz zwiększenie obszaru działania poprzez:
czynny udział przedsiębiorstwa w szerzeniu i promocji zdrowego trybu życia,
ekspansje na rynek niemiecki i rozpoczęcie dystrybucji internetowej,
promocję sprzętu rowerowego w okresie wakacyjnym (cel krótkoterminowy)
sponsoring imprez sportowych (cel krótkoterminowy),
sponsoring kół sportowych.
Realizując powyższe zadania firma dąży do umocnienia swojej pozycji w sektorze.
Metody opracowania misji, wizji i celów strategicznych.
Wizja i misja przedsiębiorstwa została nakreślona przez zespół składający się z przedstawicieli kierownictwa w skład którego wchodzili:
- prezes zarządu,
- wiceprezes zarządu ds. produkcji,
- kierownik działu jakości,
- główny księgowy,
- pełnomocnik prezesa ds. ZSJ.
Zespół został powołany przez Prezesa Zarządu. Ustalenie wizji, misji i strategii przedsiębiorstwa zostało oparte o wyniki z przeprowadzonych wcześniej analiz rynkowych przez pracowników Działu Handlowego tj:
analizy SWOT,
analizy atrakcyjności sektora wg modelu Portera,
analizy portfela produkcji (macierz BCG).
oraz wcześniejsze doświadczenie rynkowe związane z działalnością firmy.
Analiza spójności misji, wizji i strategii przedsiębiorstwa
Firma niewłaściwie zinterpretowała założenia misji i wizji, w wyniku czego informacje zawarte w opisie misji powinny znaleźć się w wizji i na odwrót. Czynnikiem wiążącym misję, wizję i cele strategiczne jest ciągłe dążenie do doskonalenia jakości, które wpływa na zaspokojenie potrzeb i oczekiwań klientów. Dotarcie do szerokiego grona odbiorców ma swoje odzwierciedlenie w chęci umocnienia pozycji oraz zdobycia nowych rynków zbytu.
Mimo błędnego sformułowania misji i wizji można stwierdzić, że misja, wizja i cele strategiczne są spójne.
Analiza sensowności SMART
Konkretność celów
Firma dąży do osiągnięcia wysokiego poziomu jakości, dlatego cel związany z podniesieniem jakości wyrobów jest zgodny z jej rzeczywistymi interesami. Cel ten jest możliwy do zrealizowania z technicznego i finansowego punktu widzenia. Określone są one w sposób jasny i precyzyjny, co wpływa na lepszą motywacje pracowników.
Mierzalność celów
Większość celów jest mierzalnych np.: podniesienie poziomów jakości, ale występują również cele niemierzalne np.: czynny udział przedsiębiorstwa w szerzeniu i promocji zdrowego trybu życia.
Osiągalne cele
Wyżej wymienione cele strategiczne (podniesienie poziomu jakościowego wyrobu i wzrost zainteresowania ofertą firmy) są osiągalne przez naszą firmę. Na osiągnięcie tych celów potrzebne jest zaangażowanie wszystkich komórek przedsiębiorstwa, oraz ich sprawne komunikowanie się.
Racjonalne cele
Cele maja określony termin realizacji, oraz posiadają uporządkowaną hierarchię ważności.
Cele możliwe do prześledzenia
Na każdym etapie zostały ustalone kryteria oceny wskazujące na stopień zaawansowania realizacji celu. W przypadku niezgodności uruchamiane są działania korygujące oraz korekcyjne w ramach odpowiednich procedur.
1.4 Struktura organizacyjna
PROCES |
CEL PROCESU |
WARTOŚĆ DODANA |
RODZAJ PROCESU |
UZASADNIENIE |
||
|
|
|
Główny |
Pomocniczy |
Zarządczy |
|
Realizacja wyrobu |
Celem procesu jest wytwarzanie specjalistycznych ram rowerowych przeznaczonych do montażu w rowerach wyczynowych |
Proces tworzy wartość dodaną ponieważ, ponieważ generuje wyroby gotowe, przeznaczone do sprzedaży, będące źródłem potencjalnych dochodów. |
X |
|
|
Działalność firmy opiera się na produkcji wyrobów i jest to proces podstawowy |
Kontrola jakości |
Celem procesu jest zapewnienie wymaganej jakości materiałów na etapie przyjęcia dostaw, prawidłowości realizowanych operacji na stanowiskach roboczych oraz ocena istotnych parametrów technicznych |
Proces tworzy wartość dodaną ponieważ, zgodnie z celami strategicznymi firmy pozwala na dostarczenie klientom firmy wyrobów zgodnych z ich wymaganiami. |
X |
|
|
Firma kładzie duży nacisk na jakość i rzutuje ona na bezpieczeństwo wyrobów |
Ofertowanie / zawieranie umów |
Celem procesu jest doprowadzenie do sprzedaży wyrobów firmy poprzez właściwe rozpoznanie potrzeb klienta, zweryfikowanie zapytania ofertowego, przygotowanie oferty i negocjacja warunków umowy satysfakcjonujących obie strony. |
Proces tworzy wartość dodaną ponieważ, służy pozyskaniu nowych klientów oraz materiałów zgodnych z wymaganiami firmy zapewniając najwyższą jakość wyrobów. |
X |
|
|
Proces ten jest procesem głównym ponieważ wpływa bezpośrednio na wielkość sprzedaży i zyski przedsiębiorstwa |
Zarządzanie finansami |
Celem procesu jest poprawa zarządzania gotówką, finansowania spółki, planowania finansowego i controllingu, Dodatkowym celem jest obniżenie kosztów działalności poprzez outsourcing. |
Proces tworzy wartość dodaną ponieważ, pozwala na dynamiczny rozwój firmy poprzez pozyskiwanie kapitału, ciągłe podnoszenie wartości firmy, działalności inwestycyjne. |
X |
|
|
Proces pozwala na zapewnienie płynności finansowej i ciągłości produkcji. Jest procesem nadrzędnym ponieważ dotyczy wszystkich procesów w organizacji |
Projektowanie |
Celem procesu jest wykonanie projektu konstrukcyjnego wyrobu spełniającego stawiane wymagania |
Proces tworzy wartość dodaną ponieważ, pozwala wyeliminować błędy konstrukcyjne oraz dobrać odpowiednie parametry techniczne w procesie koncepcji wyrobu |
X |
|
|
Jest podstawą realizacji procesu produkcyjnego |
Remonty |
Celem procesu jest zapewnienie sprawnego funkcjonowania maszyn i urządzeń będących ogniwem procesu technologicznego oraz urządzeń kontrolno pomiarowych. |
Proces wspierający realizację wyrobów, nie tworzy wartości dodanej. |
|
X |
|
Proces ten wspomaga proces produkcji wyrobów |
Magazynowanie |
Celem procesu jest magazynowanie surowców do zapewnienia ciągłości produkcji oraz przechowywanie surowców w warunkach zapobiegających powstawaniu strat, powstających w wyniku działania czynników fizycznych i chemicznych. |
Proces wspierający realizację wyrobów, nie tworzy wartości dodanej. |
|
X |
|
Proces ten wspomaga proces produkcji wyrobów zapewniając ciągłość produkcji |
Zakupy |
Celem procesu jest zapewnienie środków niezbędnych do realizacji wyrobu. Zakup towarów i usług na jak najwyższym poziomie jakości i przy zachowaniu minimalnego poziomu reklamacji oraz wybór dostawców spełniających kryteria jakościowe wynikające z przyjętych umów i zleceń realizowanych przez Firmę. |
Proces wspierający realizację wyrobów, nie tworzy wartości dodanej. |
|
X |
|
Proces ten wspomaga proces produkcji wyrobów zapewniając ciągłość produkcji |
Zarządzanie personelem |
Celem procesu jest realizacja strategii personalnej firmy dotyczącej planowania, organizowania, nadzorowania i motywowania zasobów ludzkich. |
Proces wspierający realizację wyrobów, nie tworzy wartości dodanej. |
|
X |
|
Proces ten wspomaga procesy główne |
Księgowość |
Celem procesu jest poprawa kontroli wewnętrznej, zarządzania majątkiem obrotowym, współpracy z dostawcami i odbiorcami, a także codziennej obsługi pracowników innych działów firmy. |
Proces wspierający realizację wyrobów, nie tworzy wartości dodanej. |
|
X |
|
Proces ten wspomaga procesy główne |
Badania laboratoryjne |
Celem procesu jest określenie wytrzymałości ram podczas stymulowania obciążeń dynamicznych na stanowisku pomiarowym oraz zbieranie danych pozwalających na doskonalenie rozwiązań technicznych |
Proces wspierający realizację wyrobów, nie tworzy wartości dodanej. |
|
X |
|
Wspomagają proces projektowania poprzez dostarczenie informacji o parametrach ram |
Reklamacje |
Celem procesu jest obsługa ewentualnych reklamacji w sposób gwarantujący szybkie ustalenie przyczyn i ich skutków oraz usunięcie przyczyn reklamacji |
Proces wspierający realizację wyrobów, nie tworzy wartości dodanej. |
|
X |
|
Proces ten wspomaga procesy główne poprzez dostarczenie informacji zwrotnej o wadach wyrobu |
Badania rynkowe |
Celem procesu jest analizowanie potencjału rynkowego, środowiska konkurencyjnego, trendów branżowych, oraz test gustów wśród potencjalnych klientów w okolicy oraz dostarczenie danych pozwalających na prognozowanie i planowanie strategiczne |
Proces wspierający realizację wyrobów, nie tworzy wartości dodanej. |
|
X |
|
Wspomagają proces projektowania i zarządzania |
Marketing |
Celem procesu jest promocja, reklama wyrobów firmy, kreowanie wizerunku firmy poprzez sponsoring oraz dostarczenie danych pozwalających na prognozowanie i planowanie marketingowe |
Proces wspierający realizację wyrobów, nie tworzy wartości dodanej. |
|
X |
|
Wspomagają proces projektowania i zarządzania |
Nadzór nad dokumentami |
Celem procesu jest właściwe zarządzanie dokumentacją niezbędną w Zintegrowanym Systemie Zarządzania Jakością oraz jej nadzorowanie. |
Proces wspierający funkcjonowanie procesów głównych i pomocniczych, nie tworzy wartości dodanej |
|
|
X |
Zapewnia organizację i standaryzację dokumentów zakresie ZSZ we wszystkich realizowanych procesach |
Nadzór nad zapisami |
Celem procesu jest właściwe nadzorowanie zapisów powstających w Zintegrowanym Systemie Zarządzania Jakością, w tym właściwe ich wykorzystanie i przechowywanie. |
Proces wspierający funkcjonowanie procesów głównych i pomocniczych, nie tworzy wartości dodanej |
|
|
X |
Zapewnia organizację i standaryzację zapisów w zakresie ZSZ we wszystkich realizowanych procesach |
Nadzór nad wyrobem niezgodnym |
Celem procesu są działania umożliwiające separację wyrobów niezgodnych od wyrobów zgodnych oraz zapewnienie właściwego sposobu postępowania z wyrobami niezgodnymi. |
Proces wspierający funkcjonowanie procesów głównych i pomocniczych, nie tworzy wartości dodanej |
|
|
X |
Proces reguluje i opisuje zarządzanie wyrobem niezgodnym |
Szkolenie personelu |
Celem procesu jest zapewnienie fachowego wykonywania procesów produkcyjnych przez pracowników firmy poprzez ciągłe doskonalenie i podnoszenie kwalifikacji zawodowych. |
Proces wspierający funkcjonowanie procesów głównych i pomocniczych, nie tworzy wartości dodanej |
|
|
X |
Zapewnia poprawę jakości wyrobu i wzrost wydajności pracowników i kadry kierowniczej poprzez szkolenia w zakresie ZSZ |
Weryfikacja działalności firmy |
Celem procesu jest ustalanie, kontrola realizacji celów strategicznych oraz kontrola finansowa firmy. |
Proces wspierający funkcjonowanie procesów głównych i pomocniczych, nie tworzy wartości dodanej |
|
|
X |
Zapewnia poprawę jakości wyrobu i wzrost wydajności firmy poprzez kontrole w zakresie ZSZ |
Nadzór nad finansami |
Celem procesu jest nadzorowanie przepływu gotówki, finansowania spółki oraz planowania finansowego i controllingu. |
Proces wspierający funkcjonowanie procesów głównych i pomocniczych, nie tworzy wartości dodanej |
|
|
X |
Proces zapewnia zarządzani e i planowanie finansów firmy |
Nadzór nad zakupami |
Celem procesu jest nadzorowanie zakupu surowców, materiałów, wyrobów i usług, w tym także usług dealerskich ze względu na spełnienie wymagań jakościowych dostarczanych elementów i warunków dostaw. |
Proces wspierający funkcjonowanie procesów głównych i pomocniczych, nie tworzy wartości dodanej |
|
|
X |
Proces zapewnia zarządzani e i planowanie zakupów firmy oraz usług dealerskich |
Nadzór nad ofertowaniem i sprzedażą |
Celem procesu jest nadzór nad zawieranymi umowami sprzedaży, weryfikacją zapytań ofertowych, przygotowaniem ofert i negocjacjami handlowymi. |
Proces wspierający funkcjonowanie procesów głównych i pomocniczych, nie tworzy wartości dodanej |
|
|
X |
Proces zapewnia weryfikację i nadzór nad dokumentami dotyczącymi sprzedaży |
Doskonalenie Zintegrowanego Systemu Zarządzania |
Celem procesu jest ustawiczne podnoszenie skuteczności i efektywności Zintegrowanego Systemu Zarządzania. |
Proces wspierający funkcjonowanie procesów głównych i pomocniczych, nie tworzy wartości dodanej |
|
|
X |
Zapewnia doskonalenie i rozwój przedsiębiorstwa w zakresie ZSZ |
Ogólny schemat procesu produkcyjnego