Ochrona PPorażeniowa cz1V1a

background image
background image

Prawo
Budowlane

Ustawa – Prawo budowlane, normuje

działalność obejmującą sprawy

projektowania, budowy, utrzymania i

rozbiórki obiektów budowlanych oraz

określa zasady działania organów

administracji publicznej w tych

dziedzinach. Ponadto normuje zasady

nadawania uprawnień osobom pełniącym

samodzielne funkcje techniczne w

budownictwie.

Dokument elektroniczny prawo budowlane

background image

Rozporządzenie ministra infrastruktury w

sprawie warunków technicznych jakim

powinny odpowiadać budynki i ich

usytuowanie.

(Dz.U.02.75.690, zm. z

2009r., Dz.U.Nr 56,poz.461)

(Akt

wykonawczy do ustawy prawo budowlane)

Przeanalizuj wytyczne z tego rozporządzenia w

dokumencie (wersja elektroniczna) i zapoznaj się z tym

jakie instalacje oraz jakie główne rozwiązania powinny
być stosowane w obiektach budowlanych jeśli chodzi o

ich wyposażenie elektryczne.

Dokument elektroniczny rozporządzenie

background image

Prawo
Energetyczne

Ustawa określa zasady kształtowania

polityki energetycznej państwa,

zasady i warunki zaopatrzenia i

użytkowania paliw i energii, w tym

ciepła, oraz działalności

przedsiębiorstw energetycznych, a

także określa organy właściwe w

sprawach gospodarki paliwami i

energią. Celem ustawy jest tworzenie

warunków do zrównoważonego

rozwoju kraju, zapewnienia

bezpieczeństwa energetycznego,

oszczędnego i racjonalnego

użytkowania paliw i energii.

Dokument elektroniczny prawo energetyczne

background image

Rozporządzenie Ministra Gospodarki, Pracy

I Polityki Społecznej z dnia 28 kwietnia 2003

r.

w sprawie szczegółowych zasad stwierdzania

posiadania kwalifikacji przez osoby

zajmujące się eksploatacją urządzeń,

instalacji i sieci. (Akt wykonawczy do ustawy

Prawo energetyczne)

Przeanalizuj wytyczne z tego rozporządzenia w

dokumencie (wersja elektroniczna) i zapoznaj się z tym,

przy jakich rodzajach prac i na jakich stanowiskach

wymagane jest posiadanie kwalifikacji potwierdzonych

zdaniem egzaminu i uzyskaniem uprawnień

kwalifikacyjnych „E”

Dokument elektroniczny rozporządzenie o kwalifikacjach

Wniosek o egzamin „E” grupa 1

background image

Kodeks Pracy

Określa prawa i obowiązki pracowników

i pracodawców. W dziale dziesiątym

szczegółowo określono przepisy

bezpieczeństwa i higieny pracy, których

celem jest ochrona zdrowia i życia oraz

zdolności do pracy pracowników w

procesie pracy.

Dokument elektroniczny kodeks pracy

background image

Ustawa o ogólnym bezpieczeństwie
produktów

Ustawa określa ogólne wymagania dotyczące

bezpieczeństwa produktów, zasady i tryb

przeciwdziałania naruszeniom tych wymagań przez

przedsiębiorców, oraz organy sprawujące nadzór, a

dotyczy przede wszystkim wyrobów nowych

używanych i naprawianych przeznaczonych do

użytku przez konsumentów, którzy najczęściej są

osobami niewykwalifikowanymi. W związku z

powyższym wobec tych urządzeń obowiązują

zaostrzone wymagania co do bezpieczeństwa

obsługi i eksploatacji a co za tym idzie wymagana

jest procedura badawcza przeprowadzana przez

jednostki certyfikujące lub producentów

(uzależnione od rodzaju urządzenia), która nadaje

urządzeniu po spełnieniu kryteriów badawczych i

załączonej przez producenta dokumentacji znak B

lub CE. Od 01.01. 2005r we wszystkich krajach Unii

a od 01.05.2004 również w Polsce obowiązuje znak

CE.

Dokument elektroniczny UOBP

background image

Dyrektywy

Normy

We wszystkich krajach Unii Europejskiej przepisy

dotyczące ochrony konsumenta bezpieczeństwa

transakcji ochrony środowiska zawarte są w

Dyrektywach Nowego Podejścia, które są

dokumentami obligatoryjnymi. Celem dyrektyw jest

ochrona interesów publicznych np. zdrowia życia

bezpieczeństwa oraz zapobieganie wprowadzaniu na

rynek wyrobów niebezpiecznych. Dyrektywy Nowego

Podejścia nie określają szczegółowych wymagań

technicznych jakie muszą spełniać wyroby zawierają

jedynie wymagania ogólne, podstawową zasadą zawartą

w każdej dyrektywie jest założenie, że wyroby

wykonywane są w oparciu o przyjęte zharmonizowane

normy NE wdrożone do systemu norm danego kraju, w

Polsce normy PN – EN(HD) lub PN-IEC(HD).

Wymagania norm nie są obligatoryjne, a stają się

obligatoryjne wówczas gdy zostaną przywołane przez

producenta.

EN -Normy Europejskie; IEC- Normy

międzynarodowe

HD – Normy zharmonizowane

Dokument elektroniczny DNP

background image

Ćwiczenie 1

W udostępnionych przez prowadzącego wersjach

elektronicznych omawianych ustaw wyszukaj i wynotuj

następujące zagadnienia:

Prawo budowlane:
1-
Jakie wymagania powinno się spełnić na etapie
projektowania i budowy obiektu budowlanego aby być w
zgodzie z tymi przepisami?
2- Co to są samodzielne funkcje techniczne w
budownictwie na jakich zasadach można je uzyskać?
Prawo energetyczne:
1-
Jakie elementy powinna zawierać umowa sprzedaży i
świadczenia usług przesyłowych energii by być w zgodzie
z ustawą?
Ustawa o bezpieczeństwie produktów:
1-
Co pozwala uznać, że produkt wprowadzany na polski
rynek jest bezpieczny, jeżeli brak jest szczegółowych
przepisów UE i norm unijnych w tym zakresie?

background image

Podstawowe określenia

Aparatura rozdzielcza i sterownicza:

urządzenia

przeznaczone do włączania w obwody elektryczne, spełniające
jedną lub więcej z następujących funkcji : zabezpieczenie,
rozdzielenie, sterowanie, odłączanie i łączenie.

Bariera ochronna elektryczna (przeszkoda

ochronna elektryczna):

element chroniący przed

niezamierzonym dotykiem bezpośrednim do części
czynnych, lecz nie chroniący przed dotykiem
bezpośrednim spowodowanym działaniem rozmyślnym.

Część czynna:

przewód lub część przewodząca

urządzenia lub instalacji elektrycznej przeznaczona do
pracy pod napięciem w warunkach normalnych, w tym
przewód neutralny N.
Częścią czynną nie jest: przewód ochronny PE,
przewód ochronno – neutralny PEN, przewód ochronno
– środkowy PEM, ani przewód ochronno – liniowy PEL

background image

Podstawowe określenia

Część czynna niebezpieczna:

część czynna , która w określonych

okolicznościach może spowodować porażenie elektryczne.

Części jednocześnie dostępne:

przewody lub części

przewodzące, które mogą być dotknięte jednocześnie
przez człowieka lub zwierzę. Mogą nimi być części
czynne, części przewodzące dostępne, części
przewodzące obce, przewody ochronne, grunt lub
podłoga przewodząca.

Część przewodząca:

część która może przewodzić

prąd elektryczny.

Część przewodząca dostępna:

część przewodząca

urządzenia lub instalacji elektrycznej, która może być
dotknięta, i która w warunkach normalnej pracy
instalacji nie znajduje się pod napięciem, lecz w wyniku
uszkodzenia izolacji podstawowej może znaleźć się pod
napięciem.

background image

Podstawowe określenia

Część przewodząca obca:

część przewodząca nie będąca

częścią urządzenia ani instalacji elektrycznej, która może
się znaleźć pod określonym potencjałem, zwykle pod
potencjałem ziemi lokalnej. Zaliczają się do niej metalowe
konstrukcje i rurociągi oraz przewodzące podłogi i ściany.

Dotyk

bezpośredni:

dotknięcie przez człowieka lub

zwierzę części czynnych.

Dotyk pośredni:

dotknięcie przez człowieka lub

zwierzę części przewodzących dostępnych, które w
stanie uszkodzenia znalazły się pod napięciem .

Doziemienie:

powstanie niezamierzonej ścieżki

przewodzącej między przewodem czynnym a ziemią.

background image

Podstawowe pojęcia i terminologia,

której używa norma PN-IEC(HD)-

60364

Dotyk bezpośredni

R

U

I

f

r

background image

Podstawowe pojęcia i terminologia,

której używa norma PN-IEC(HD)-

60364

Dotyk pośredni

R

U

I

d

r

R

s

t

R

c

U

uszk

U

d

I

r

background image

Podstawowe określenia

Impedancja uziemienia:

impedancja, przy danej

częstotliwości, między określonym punktem sieci,
instalacji lub urządzenia a ziemią odniesienia.

Instalacja elektryczna:

zespół połączonych ze sobą

urządzeń elektrycznych o skoordynowanych
parametrach technicznych, przeznaczonych do
określonych funkcji.

Instalacja uziemiająca:

zespół wszystkich połączeń

elektrycznych i elementów służących do uziemienia
sieci, instalacji i/lub urządzenia.

Izolacja podstawowa:

izolacja części czynnych

niebezpiecznych zastosowana w celu zapewnienia
ochrony przeciwporażeniowej podstawowej.

background image

Podstawowe określenia

Izolacja podwójna:

izolacja składająca się z izolacji

podstawowej oraz izolacji dodatkowej.

Izolacja wzmocniona:

izolacja części czynnych

niebezpiecznych, zapewniająca ochronę
przeciwporażeniową w stopniu równoważnym izolacji
podwójnej.

Klasa ochronności:

umowne oznaczenie cech budowy

urządzenia elektrycznego według PN-EN 61140:2005,
określające możliwości objęcia go ochroną
przciwporażeniową, istnieją tu klasy 0, I, II, III.

Napięcie przy uszkodzeniu:

napięcie między

punktem w którym wystąpiło uszkodzenie a ziemią
odniesienia , powstałe w wyniku uszkodzenia izolacji.

background image

Podstawowe określenia

Napięcie dotykowe dopuszczalne długotrwale U

L

:

największa wartość napięcia dotykowego
spodziewanego , której nieograniczone utrzymywanie
jest dopuszczalne w określonych warunkach
oddziaływań zewnętrznych.

Napięcie krokowe:

napięcie między dwoma punktami

na powierzchni ziemi, odległymi od siebie o 1m, co jest
przyjmowane jako długość kroku człowieka.

Obciążalność prądowa długotrwała:

największa

wartość prądu elektrycznego, który może bez przerwy
przepływać przez przewód, urządzenie lub aparat, w
określonych warunkach, w stanie ustalonym , nie
powodując przekraczania określonej temperatury.

background image

Podstawowe określenia

Obszar o ograniczonym dostępie:

strefa dostępna jedynie dla osób

wykwalifikowanych i osób poinstruowanych w zakresie elektryki.

Obudowa ochronna elektryczna:

obudowa

przeciwporażeniowa otaczająca wewnętrzne części
urządzenia w celu ochrony przed dostępem, z
dowolnego kierunku, do części czynnych
niebezpiecznych.

Obwód instalacji elektrycznej:

zespół elementów

instalacji elektrycznej chronionych przed skutkami
przetężeń wspólnym zabezpieczeniem.

Obwód rozdzielczy:

obwód elektryczny zasilający co

najmniej jedną rozdzielnicę.

background image

Podstawowe określenia

Obwód PELV:

obwód elektryczny bardzo niskiego

napięcia (ELV), stosowany jako środek ochrony
przeciwporażeniowej we wszystkich sytuacjach. Ten
środek ochrony wymaga zastosowania separacji
ochronnej elektrycznej od wszystkich innych obwodów
i izolacji podstawowej między obwodami SELV i PELV.
Obwód PELV jest uziemiony.

Obwód SELV:

obwód elektryczny bardzo niskiego

napięcia (ELV), stosowany jako środek ochrony
przeciwporażeniowej we wszystkich sytuacjach. Ten
środek ochrony wymaga zastosowania separacji
ochronnej elektrycznej od wszystkich innych obwodów
i izolacji podstawowej między obwodami SELV i PELV
oraz izolacji podstawowej między obwodem SELV i
ziemią.

background image

Podstawowe określenia

Ochrona przed porażeniem prądem elektrycznym:

zespół

środków technicznych zapobiegających porażeniom prądem
elektrycznym ludzi i zwierząt w normalnych i uszkodzeniowych
warunkach pracy urządzeń elektrycznych. W urządzeniach
niskiego napięcia rozróżnia się ochronę podstawową, ochronę
przy uszkodzeniu oraz ochronę uzupełniającą.

Ochrona przeciwporażeniowa podstawowa:

zespół

środków technicznych chroniących przed zetknięciem
się człowieka lub zwierzęcia z częściami czynnymi w
warunkach braku uszkodzenia.

Ochrona przeciwporażeniowa przy uszkodzeniu:

zespół środków technicznych chroniących przed
porażeniem prądem elektrycznym przy pojedynczym
uszkodzeniu , głównie z uwagi na uszkodzenie izolacji
podstawowej.

background image

Podstawowe określenia

Ochrona przeciwporażeniowa uzupełniająca:

zespół środków technicznych uzupełniających ochronę
podstawową i/lub ochronę przy uszkodzeniu.

Odbiornik energii elektrycznej:

urządzenie

przeznaczone do przetwarzania energii elektrycznej w
inną formę energii (np. światło, ciepło, energia
mechaniczna).

Odłączenie izolacyjne:

działanie mające na celu

odcięcie od zasilania, ze względów bezpieczeństwa,
całej instalacji lub jej określonej części przez
odseparowanie od wszystkich źródeł energii
elektrycznej.

Oprzewodowanie :

zestaw składający się z jednego

lub większej liczby izolowanych przewodów, kabli lub
przewodów szynowych i części zapewniających ich
umocowanie oraz, jeżeli jest to konieczne,
odpowiednich osłon mechanicznych.

background image

Podstawowe określenia

Osoba poinstruowana w zakresie elektryki:

osoba wystarczająco

pouczona lub nadzorowana przez osoby wykwalifikowane, co
pozwala jej stwierdzić zagrożenie i uniknąć zagrożeń.

Osoba postronna:

osoba nie będąca ani osobą

wykwalifikowaną, ani osobą poinstruowaną.

Osoba wykwalifikowana w zakresie elektryki:

osoba tak przeszkolona i doświadczona, aby mogła
stwierdzić zagrożenie i uniknąć niebezpieczeństwa,
jakie może stwarzać elektryczność.

Połączenie wyrównawcze:

połączenie elektryczne

między częściami przewodzącymi dokonane w celu
wyrównania potencjałów.

Połączenie wyrównawcze

dodatkowe

:

połączenie

wyrównawcze, wykonane w innym miejscu niż
połączenie wyrównawcze główne.

background image

Podstawowe określenia

Połączenie wyrównawcze główne:

połączenie wyrównawcze,

wykonane najczęściej w przyziemnej kondygnacji budynku, w
pobliżu miejsca wprowadzenia sieci lub instalacji elektrycznej do
budynku (na przykład w pobliżu złącza).

Prąd obliczeniowy obwodu elektrycznego:

prąd

elektryczny równy spodziewanemu prądowi obciążenia
w normalnych warunkach pracy obwodu.

Prąd przeciążeniowy obwodu elektrycznego:

prąd

przetężeniowy w obwodzie elektrycznym
niespowodowany zwarciem lub doziemieniem.

background image

Podstawowe określenia

Prąd upływowy:

prąd, który w urządzeniu niedotkniętym

zwarciem płynie od części czynnych do ziemi. W wielofazowym
urządzeniu prądu przemiennego wypadkowy prąd upływowy
jest
geometryczną (wektorową) sumą prądów upływowych
poszczególnych faz. Zawiera on składową czynną wynikającą z
upływności izolacji oraz składową pojemnościową wynikającą z
pojemności doziemnych urządzenia i pojemności przyłączonych
kondensatorów.

Prąd wyłączający:

najmniejszy prąd wywołujący w

wymaganym czasie zadziałanie urządzenia za
bezpieczającego, powodującego samoczynne
wyłączenie zasilania.

background image

Podstawowe określenia

Przyłącze:

jest to linia łącząca zasilany obiekt z rozdzielczą

siecią zasilającą. Przyłącze może być wykonane jako
napowietrzne lub kablowe, przewodami izolowanymi lub gołymi.

Punkt neutralny:

wspólny punkt połączonego w

gwiazdę układu wielofazowego albo uziemiony punkt
środkowy układu jednofazowego.

Rażenie prądem elektrycznym:

zdarzenie polegające

na przepływie prądu rażeniowego.

Rezystancja stanowiska:

rezystancja między ziemią

odniesienia a elektrodą odwzorowującą (elektrodami
odwzorowującymi) styczność ze stanowiskiem bosych
stóp człowieka.

background image

Podstawowe określenia

Rezystancja uziemienia:

rezystancja między określonym

punktem sieci, instalacji lub urządzenia a ziemią odniesienia.

Rozdzielnica:

urządzenie zawierające różnego typu

aparaturę rozdzielczą i sterowniczą, co najmniej z
jednym elektrycznym obwodem odbiorczym, zasilane
co najmniej z jednego elektrycznego obwodu
rozdzielczego, łącznie z zaciskami do przewodów
ochronnych i neutralnych.

Rozdzielnica mieszkaniowa:

urządzenie rozdzielcze

zlokalizowane w mieszkaniu, w którym następuje
rozdział energii elektrycznej na poszczególne obwody
odbiorcze danej instalacji elektrycznej, zasilane jedną
linią bezpośrednio z urządzenia pomiarowego.
Rozdzielnica mieszkaniowa grupuje zabezpieczenia
przetężeniowe tych obwodów, urządzenia ochronne
różnicowoprądowe oraz niektóre urządzenia
sterownicze danej instalacji elektrycznej, jeśli jest ona
w takie urządzenia wyposażona.

background image

Podstawowe określenia

Samoczynne wyłączenie zasilania:

przerwanie

ciągłości co najmniej jednego przewodu liniowego ,
spowodowane samoczynnym zadziałaniem urządzenia
zabezpieczającego w przypadku uszkodzenia.

Separacja elektryczna:

środek ochrony

przeciwporażeniowej przy uszkodzeniu polegający na
zasilaniu urządzenia elektrycznego za pomocą źródła
separacyjnego (transformator separacyjny lub inne
źródło, zapewniające poziom bezpieczeństwa nie
mniejszy niż transformator separacyjny), przy czym
części czynne niebezpieczne obwodu separowanego są
odizolowane od wszystkich innych obwodów
elektrycznych, od części przewodzących dostępnych i
części przewodzących obcych oraz od ziemi lokalnej.

Stanowisko dostępne:

stanowisko, na którym

człowiek o przeciętnej sprawności fizycznej może się
znaleźć bez korzystania ze środków pomocniczych,
takich jak drabina lub słupołazy.

background image

Podstawowe określenia

Szyna uziemiająca:

szyna lub zacisk, które są częścią

instalacji uziemiającej i zapewniają połączenia
elektryczne pewnej liczbie przewodów celem ich
uziemienia.

Transformator bezpieczeństwa:

transformator

ochronny o napięciu wtórnym nie wyższym od napięcia
bardzo niskiego w normalnych warunkach pracy.

Transformator ochronny:

transformator wykonany

zgodnie z PN-EN-61558, zapewniający niezawodne
oddzielenie elektryczne obwodu wtórnego od obwodu
pierwotnego.

Urządzenie pomiarowe:

licznik energii elektrycznej

lub inne, jeśli jest wymagane przez dystrybutora
energii.

background image

Podstawowe określenia

Uziom fundamentowy:

część przewodząca umieszczona w

gruncie pod fundamentem budynku lub w betonie fundamentu
budynku, zwykle w formie zamkniętej pętli. Rozróżnia się
uziom fundamentowy naturalny (stalowe zbrojenie betonowego
fundamentu) lub uziom fundamentowy sztuczny (taśma lub pręt
stalowy, zatopione w betonowym fundamencie).

Wewnętrzna linia zasilająca:

element instalacji

elektrycznej mający za zadanie połączenie instalacji ze
złączem (napowietrznym lub kablowym) bezpośrednio
lub za pośrednictwem rozdzielnicy głównej budynku.

Wyłącznik ochronny różnicowoprądowy:

wyłącznik

samoczynny wyposażony w człon pomiarowy i człon
wyzwalający. Działanie wyłącznika następuje w
przypadku wystąpienia prądów różnicowych większych
od prądu wyzwalającego. Wyłącznik ochronny
różnicowoprądowy wysokoczuły jest wyłącznikiem o
znamionowym prądzie różnicowym nie większym niż
30 mA.

background image

Podstawowe określenia

Zabezpieczenie nadprądowe:

urządzenie służące do

ochrony przewodów instalacyjnych określonego
obwodu i odbiorników energii elektrycznej zasilanych z
tego obwodu przed skutkami przepływu prądów
przetężeniowych. Zabezpieczeniem nadprądowym jest
zwykle wyłącznik nadprądowy lub bezpiecznik
topikowy.

Zabezpieczenie przedlicznikowe:

ostatnie

zabezpieczenie nadprądowe przed urządzeniem
pomiarowym, patrząc od strony źródła zasilania,
chroniące daną instalację odbiorczą od skutków
przetężeń.

Złącze instalacji elektrycznej:

urządzenie

elektryczne, w którym następuje połączenie wspólnej
sieci elektroenergetycznej rozdzielczej z instalacją
elektryczną odbiorcy i z którego energia elektryczna
jest dostarczana do instalacji elektrycznej.

background image

Ćwiczenie 2

Mając na uwadze omówione wcześniej podstawowe
określenia jakimi posługuje się norma PN-IEC (HD)

60364 napisz własnymi słowami co rozumiesz pod

pojęciem :

1.Dotyk bezpośredni:
2.Ochrona przed porażeniem prądem elektrycznym:
3.Osoba poinstruowana w zakresie elektryki:
4.Połączenie wyrównawcze główne:

background image

Czynniki mające wpływ na wartość prądu rażeniowego:

Elektryczne :

– rodzaj prądu (stały, przemienny),
– wielkość natężenia prądu,
– czas przepływu prądu,
– droga przepływu,

– częstotliwość w przypadku

prądu przemiennego.

background image

Czynniki mające wpływ na wartość prądu rażeniowego:

Fizjologiczne:

– budowa ciała (mężczyzna, kobieta lub

dziecko),

– stan emocjonalno-psychiczny,
– stany chorobowe: choroba wieńcowa,

astma, gruźlica, padaczka, cukrzyca,
choroby skóry,

– alkoholizm.

background image

Czynniki mające wpływ na wartość prądu rażeniowego:

Zewnętrzne :

– czynniki wpływające na zmniejszenie

odporności ciała ludzkiego (wilgotność,
temperatura),

– czynniki ułatwiające przepływ prądu

do ziemi (stanowiska na gołej ziemi,
podłoga przewodząca).

background image

Strefy skutków oddziaływania prądu przemiennego o

f=50/60 Hz

na ciało ludzkie, na drodze lewa ręka - stopy

Brak reakcji

organizmu próg

odczuwania

Brak skutków

patofizjologicznych próg

samouwolnienia

Skurcz mięśni trudnościz

oddychaniem

niebezpieczeństwo zakłóceń

w pracy serca przy t > 2s

Wzrastające z czasem i prądem

niebezpieczeństwo migotania

komór i zatrzymania akcji

serca

background image

Strefy skutków oddziaływania prądu stałego

na ciało ludzkie, na drodze lewa ręka - stopy

Brak reakcji

organizmu próg

odczuwania

Brak skutków

patofizjologicznych próg

samouwolnienia

Skurcz mięśni trudności z

oddychaniem

niebezpieczeństwo zakłóceń

w pracy serca przy t > 2s

Wzrastające z czasem i prądem

niebezpieczeństwo migotania

komór i zatrzymania akcji

serca czasem oparzeń

background image

Tak człowiek reaguje na prąd

background image

Współczynnik prądu serca dla różnych dróg jego

przepływu

F

I

I

,

I

I

F

d

d

I- prąd płynący przez ciało na drodze lewa ręka stopy przedstawiony na rys.
poprzedni slajd.
I

d

- prąd płynący przez ciało na drogach przedstawionych w tablicy,

wywołujący te same skutki jak prąd I,
F- współczynnik prądu serca, o wartościach dla różnych dróg przepływu
prądu Id podanych w tablicy.

Droga przepływu prądu przez ciało ludzkie

Współczynnik prądu

serca F

Lewa ręka do lewej stopy, prawej stopy lub obydwu

stóp

1,0

Obydwie ręce do obydwu stóp

1,0

Lewa ręka do prawej ręki

0,4

Prawa ręka do lewej stopy, prawej stopy lub obydwu

stóp

0,8

Plecy do prawej ręki

0,3

Plecy do lewej ręki

0,7

Klatka piersiowa do prawej ręki

1,3

Klatka piersiowa do lewej ręki

1,5

Pośladek do lewej ręki, prawej ręki lub obydwu rąk

0,7

background image

Ćwiczenie 3

Uwzględniając wartość współczynnika prądu serca oblicz

charakterystyczne wartości prądów płynących na drogach

wymienionych w tabeli zakładając, że wartość prądu płynącego na

drodze lewa ręka stopy wynosi 80mA .

Które z dróg przepływu prądu I

d

w świetle wyników powodują

poważniejsze skutki?

Droga przepływu prądu przez

ciało ludzkie

Współczynnik prądu

serca F

Równoważny prąd

obliczony

Lewa ręka do lewej stopy, prawej

stopy lub obydwu stóp

1,0

Obydwie ręce do obydwu stóp

1,0

Lewa ręka do prawej ręki

0,4

Prawa ręka do lewej stopy, prawej

stopy lub obydwu stóp

0,8

Plecy do prawej ręki

0,3

Plecy do lewej ręki

0,7

Klatka piersiowa do prawej ręki

1,3

Klatka piersiowa do lewej ręki

1,5

Pośladek do lewej ręki, prawej ręki

lub obydwu rąk

0,7

F

I

I

d

80

80

200

100

267

114

62

53

114

background image

Warunki środowiskowe

Warunki środowiskowe:

nazywane również

wpływami środowiskowymi lub wpływami

zewnętrznymi, są to miejscowe warunki, w których

mają pracować urządzenia i instalacje elektryczne.
Urządzenia i instalacje elektryczne muszą być

przystosowane do pracy w tych warunkach, aby nie

niosły zagrożeń wynikających z ich eksploatacji.

Przystosowanie to polega na doborze:

• odpowiednich materiałów, z których są wykonane,
• rodzaju budowy,
• rodzaju i sposobu wykonania instalacji,
• wartości napięć roboczych,
• rodzaju ochrony przeciwporażeniowej.

background image

Warunki środowiskowe:

Normalne U=50V,

120V=

Obostrzone U=25V ,

60V=

 Lokale mieszkalne i biurowe
 Sale kinowe teatralne
 Klasy szkolne z wyjątkiem niektórych

laboratoriów

 Łazienki natryski
 Wymiennikownie ciepła
 Bloki operacyjne
 Przestrzenie ograniczone powierzchniami

przewodzącymi

 Kempingi pola biwakowe
 Gospodarstwa rolne
 Place budowy i rozbiórki

background image

Warunki środowiskowe:

Ekstremalnego zagrożenia U=12V, 30V=

Warunki te definiowane są jako praca
urządzenia elektrycznego w warunkach
szczególnego narażenia człowieka lub
zwierzęcia na możliwość porażenia prądem
elektrycznym tzn. np.:

 Urządzenia pracujące bezpośrednio na

powierzchni wody

 Urządzenia pracujące pod powierzchnią wody

background image

Podział napięć :

Napięcia I zakresu:

(napięcia do górnej granicy napięć

bezpiecznych)

50V~ 120V=

•Źródła typu SELV
•Źródła typu PELV
•Źródła typu FELV

Napięcia II zakresu:

( napięcia do 1000V~ i 1500V=)

•Napięcia w układach sieci typu TN-C, TN-

S, TN-C-S
•Napięcia w układzie sieci typu TT
•Napięcia w układzie sieci typu IT
•Napięcia separowane

background image

Napięcia bezpieczne I zakresu

Warunki środowiskowe

Rodzaj prądu

Normalne

Stały

Ekstremalne

Obostrzone

120V

60V

30V

Przemienny

50V

25V

12V

background image

Rodzaje odbiorników

 Odbiornik ręczny

– odbiornik, który w

czasie pracy jest trzymany w rękach może
być więc łatwo przemieszczany a w czasie
użytkowania może być przyłączany do
różnych fragmentów instalacji elektrycznej
np. elektronarzędzia z przewodzącymi
obudowami

 Odbiornik przenośny

- odbiornik

niekoniecznie w czasie użytkowania
trzymany w rękach ale można go łatwo
przemieszczać (możliwość współpracy z
różnymi fragmentami instalacji łatwość
uszkodzeń przewodów itp.) np.
ogrzewacze elektryczne

background image

Rodzaje odbiorników

 Odbiornik stały

– odbiornik, który jest na

stałe przytwierdzony do podłoża oraz
posiadający elektryczne podłączenie stałe
np. maszyny tokarka podnośniki itp.

 Odbiornik stacjonarny

- odbiornik

nieprzenośny odbiornik który ze
względu na dużą masę, (co najmniej
18kg w zastosowaniach domowych),
trudno jest przemieszczać nie
posiadający uchwytów do
przemieszczania

background image

Rodzaje odbiorników na napięcia I i II

zakresu:

 Odbiornik klasy 0

- urządzenia, których ochrona

przeciwporażeniowa polega na zastosowaniu izolacji
podstawowej jako środka ochrony podstawowej i bez
warunków dla ochrony przy uszkodzeniu. Urządzenia
te mogą być stosowane w instalacjach, w których jako
ochronę przeciwporażeniową przy uszkodzeniu
przyjęto izolowanie stanowiska lub separację
elektryczną obejmującą tylko jedno urządzenie - brak
symbolu graficznego.

Odbiornik klasy I

- urządzenia, których ochrona

przeciwporażeniowa polega na zastosowaniu izolacji
podstawowej jako środka ochrony podstawowej.
Urządzenia wyposażone są w zaciski połączenia
ochronnego umożliwiające przyłączenie przewodu
ochronnego, zapewniającego ochronę przy uszkodzeniu
polegającą na samoczynnym wyłączeniu zasilania. Zacisk
połączenia ochronnego urządzenia należy oznaczać
symbolem nr 5019 wg IEC 60417-2 lub literami PE, lub
kombinacją kolorów zielonego i żółtego.

background image

Rodzaje odbiorników na napięcia I i II

zakresu:

Odbiornik klasy II

- urządzenia, których ochrona

przeciwporażeniowa podstawowa polega na
zastosowaniu izolacji podstawowej, a ochrona
przeciwporażeniowa przy uszkodzeniu polega na
zastosowaniu izolacji dodatkowej, lub ochrona
przeciwporażeniowa podstawowa i ochrona przy
uszkodzeniu polega na zastosowaniu izolacji
wzmocnionej.
Urządzenia klasy ochronności II należy oznaczać
symbolem nr 5172 wg IEC 60417-2

Odbiornik klasy III

- urządzenia, których napięcie

znamionowe jest ograniczone do wartości napięcia
bardzo niskiego nie przekraczającego 50 V prądu
przemiennego i 120 V nietętniącego prądu stałego,
wyposażone w ochronę podstawową i nie wyposażone w
ochronę przy uszkodzeniu. Urządzenia należy przyłączać
tylko do obwodów SELV lub PELV. Urządzenia klasy
ochronności III należy oznaczać symbolem nr 5180 wg
IEC 60417-2

background image

Stopnie ochrony obudów

Stopnie ochrony obudów urządzeń elektrycznych są
oznaczone kodem IP (International Protection) w
następujący sposób:
IP X0, IP 0X lub IP XX, gdzie:

IP (International Protection) - oznaczenie literowe

pierwsza charakterystyczna cyfra (cyfry od 0 do 6 lub
litera X) - określa stopień ochrony przed przedostaniem
się obcych ciał stałych do wnętrza obudów urządzeń
elektrycznych i dostępem do części pod napięciem lub
części będących w ruchu,

druga charakterystyczna cyfra (cyfry od 0 do 8 lub
litera X) - określa stopień ochrony przed
przedostawaniem się wody do wnętrza obudów urządzeń
elektrycznych.

background image

Stopnie ochrony obudów

1) Kod IP oznaczony czerwonym drukiem – osłony do pomieszczeń
wilgotnych
2) Kod IP napisany kursywą – osłony do pomieszczeń mokrych

background image

Źródła napięć I zakresu typu SELV

 Transformator

 Prądnica napędzana silnikiem

spalinowym

 Bateria akumulatorów
 Przetwornica elektroniczna
 Inne źródło o izolacji między stroną pierwotną a

wtórną równoważnej wymienionym

background image

Źródła napięć I zakresu typu PELV

 Transformator

 Prądnica napędzana silnikiem

spalinowym

 Bateria akumulatorów
 Przetwornica elektroniczna
 Inne źródło o izolacji między stroną pierwotną a

wtórną równoważnej wymienionym

background image

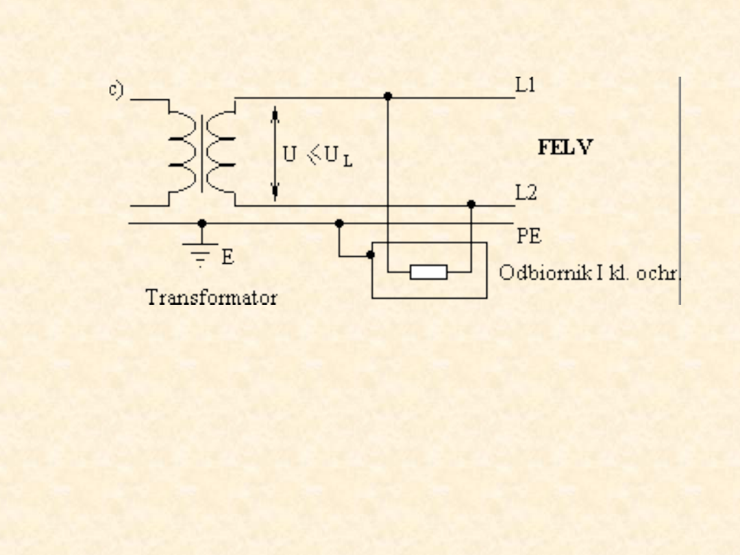
Źródła napięć I zakresu typu FELV

 Transformator w zwykłym

wykonaniu

 Ochrona przed dotykiem bezpośrednim realizowana

poprzez izolację roboczą

 Ochrona przed dotykiem pośrednim realizowana

poprzez urządzenia strony pierwotnej

background image

Układ sieciowy jak go rozumieć:

Transformator energetyczny

Sieć kablowa 3xL+PEN

Tabli
ca z
zabez
p

background image

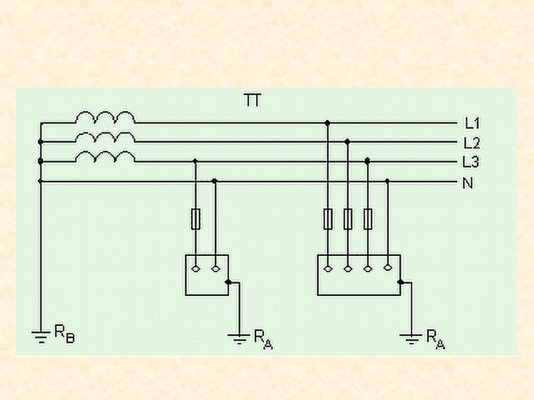
Układy sieciowe oznaczenia:

Układ sieciowy
TT

background image

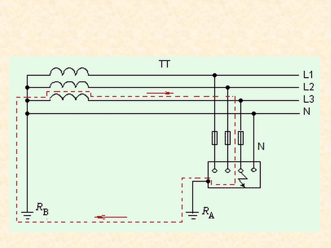
Przepływ prądu zwarciowego w systemie

TT :

background image

Układy sieciowe oznaczenia:

Układ sieciowy
TN-C

background image

Układy sieciowe oznaczenia:

Układ sieciowy
TN-S

background image

Układy sieciowe oznaczenia:

Układ sieciowy TN-
C-S

background image

Przepływ prądu zwarciowego w systemie

TN-C-S:

background image

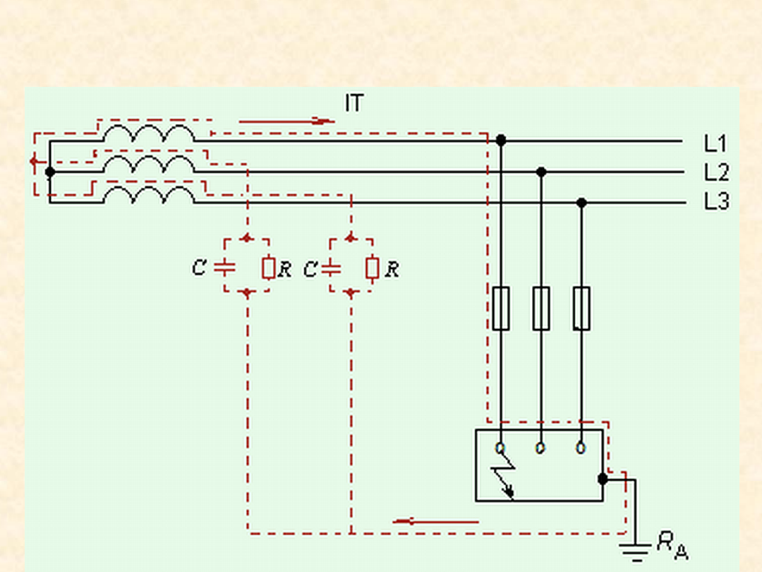
Układy sieciowe oznaczenia:

Układ sieciowy IT 3 przewodowy

background image

Przepływ prądu zwarciowego system 3

przewodowy IT zwarcie pojedyncze :

background image

Przepływ prądu zwarciowego system 3

przewodowy IT zwarcie podwójne :

background image

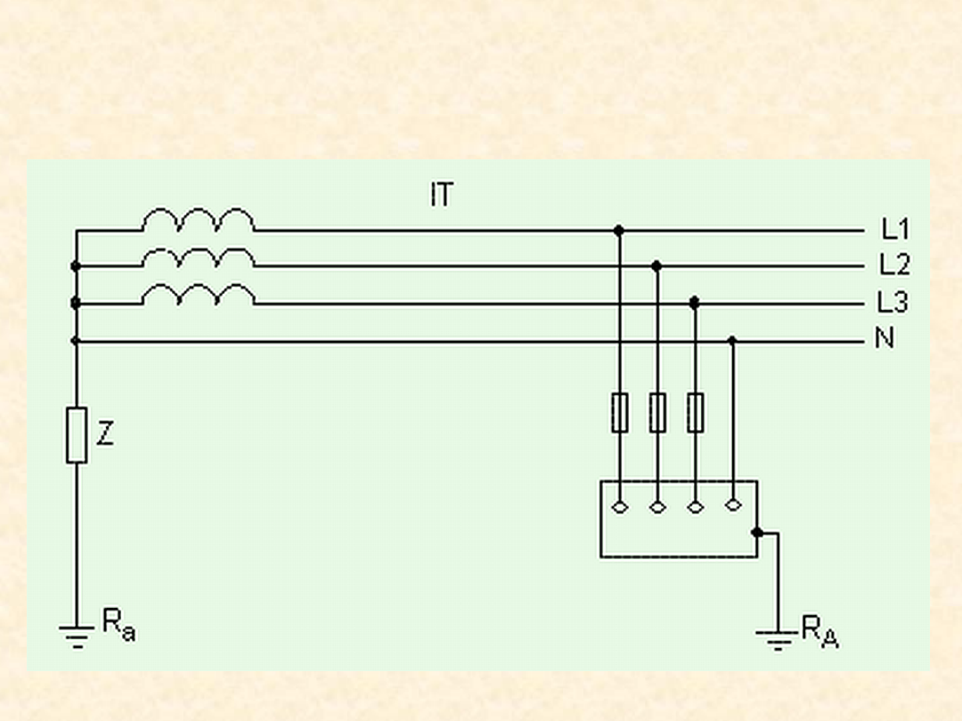
Układy sieciowe oznaczenia:

Układ sieciowy IT 4 przewodowy

background image

Najczęstsze przyczyny wypadków

śmiertelnych wynikające ze stanu instalacji

elektrycznych:

Powszechnie stosowany układ sieciowy TN-C w

instalacjach z przewodami o małym przekroju

 Możliwość uszkodzeń mechanicznych

przewodów, powodująca przerwy,
szczególnie niebezpieczne jeśli dotyczy
przewodów ochronno-neutralnych PEN

 Przerwy powodują możliwość pojawiania się

na częściach przewodzących dostępnych
niebezpiecznych napięć dotykowych.

 Zły stan uziomów przewodu PEN

powodujących w wyniku asymetrii obciążeń
występowanie na obudowach
niebezpiecznych napięć dotykowych, a w
momencie powstania przerwy w przewodzie
PEN niedostateczne obniżenie napięć
dotykowych.

background image

Układy sieciowe oznaczenia:

Układ sieciowy
TN-C

L

1

PEN

L

2

L

3

1

1

background image

Najczęstsze przyczyny wypadków

śmiertelnych wynikające ze stanu instalacji

elektrycznych:

Stosowanie układu sieciowego TT, który

nie zawsze gwarantuje bezpieczeństwo

 Problemy z uzyskaniem właściwej, dla

danego urządzenia zabezpieczającego,
rezystancji uziomu, co powoduje opóźnione
lub nie powoduje zadziałania urządzeń
zabezpieczających w odpowiednim czasie.

 Przerwy w przewodach uziemiających,

powodujące nieskuteczność ochrony
przeciwporażeniowej

 Wykorzystywanie do celów ochrony

przeciwporażeniowej przewodu neutralnego

background image

Układy sieciowe oznaczenia:

Układ sieciowy
TT

L

1

N

L

2

L

3

1

1

R

U

>R

D

background image

Najczęstsze przyczyny wypadków

śmiertelnych wynikające ze stanu instalacji

elektrycznych:

Niestosowanie połączeń wyrównawczych

miejscowych i głównych, oraz stosowanie

bezpieczników topikowych jako jedynych

urządzeń powodujących szybkie wyłączenie.

 Brak połączeń wyrównawczych powoduje, w

wyniku awarii, możliwość występowania
między różnymi elementami części
przewodzących obcych, różnic potencjałów
w kontakcie, z którymi człowiek może zostać
porażony .

 Stosowanie dla sprawdzania warunku

skuteczności, dla wkładki topikowej,
współczynnika k, a nie rzeczywistej wartości
prądu wynikającej z charakterystyki
czasowo prądowej.


Document Outline


Wyszukiwarka

Podobne podstrony:
ochrona pporazeniowa
Ochrona pporazeniowa instalacje elektryczne 3
ochrona pporazeniowa sn(3)
Ochrona pporażeniowa
Sprawdzanie środków ochrony pporaz
Ochrona pporazeniowa - instalacje elektryczne, 3
materialy szkoleniowe 29 10 200 ochrona pporaz id 285445
ochrona pporażeniowa, Inne, SEP 1kV + Pomiary
ochrona pporazeniowa
rodz śr ochrony pporażeniowej
Ochrona PPorażeniowa cz2
Ochrona PPorażeniowa cz3
Edward Musiał OCHRONA PPORAŻENIOWA W URZĄDZENIACH nn NAJCZĘSTSZE NIEPOROZUMIENIA
Ochrona własności intelektualnej 7
rodzaje ooznaczen i ich ochrona

więcej podobnych podstron