BEZPIECZEŃSTWO PRACY PRZY URZĄDZENIACH ELEKTRYCZNYCH
(PYTANIA TESTOWE NA KOLOKWIUM ZALICZENIOWE)
Próg odczuwania przy prądzie przemiennym wynosi:
0,5 mA,
1 mA,
2 mA.
Próg odczuwania przy prądzie stałym wynosi:
0,5 mA,
1 mA,
2 mA.
Fibrylacja komór sercowych polega na:
Zaniku skurczów komór,
Niesynchronicznych skurczach komór o częstotliwości 100/min,
Niesynchronicznych skurczach komór o częstotliwości 400/min.
Graniczny prąd fibrylacyjny przy rażeniach długotrwałych prądem przemiennym o częstotliwości technicznej wynosi:
25 mA,
50 mA,
75 mA.
Prąd fibrylacji podczas 1 s jest rzędu:
50 mA,
500 mA,
5 mA.
Prąd graniczny fibrylacyjny jest większy:
Dla prądu zmiennego 50 Hz niż dla prądu stałego,
Dla prądu stałego niż dla prądu zmiennego 50 Hz,
Taki sam dla prądu stałego jak dla prądu zmiennego 50 Hz.
Migotanie komór serca jest wynikiem działania prądu elektrycznego:
Pośredniego,
Bezpośredniego.
Od jakich elementów określających warunki rażenia zależy przede wszystkim impedancja skóry:
Droga rażenia,
Napięcie rażenia,
Kształt elektrody.
Impedancja wewnętrzna człowieka zależy przede wszystkim od:
Droga rażenia,
Napięcie rażenia,
Kształt elektrody.
Impedancja skóry ludzkiej suchej w porównaniu do skóry wilgotnej jest:
Większa,
Taka sama,
Mniejsza.
Impedancja człowieka podczas rażenia:
Maleje,
Rośnie,
Jest stała.
Impedancja skóry ludzkiej w warunkach normalnych wynosi:
1 kΩ,
100 kΩ,
100 Ω,
10 Ω.
Impedancja ciał człowieka w warunkach normalnych to około:
0,1 kΩ,
100 kΩ,
1 kΩ,
10 kΩ.
Rażenie w następstwie dotyku pośredniego to rażenie w wyniku:
Zetknięcia się z częściami, na których napięcie pojawiło się na skutek uszkodzenia izolacji roboczej,
Dotknięcia części urządzeń znajdujących się normalnie pod napięciem.
Rażenie w następstwie dotyku bezpośredniego to rażenie w wyniku:
Zetknięcia się z częściami, na których napięcie pojawiło się na skutek uszkodzenia izolacji roboczej,
Dotknięcia części urządzeń znajdujących się normalnie pod napięciem.
Ochrona przez umieszczenie poza zasięgiem ręki to ochrona:
Przed dotykiem pośrednim (dodatkowa),
Przed dotykiem bezpośrednim (podstawowa).
Ochrona przez zastosowanie izolacji ochronnej to ochrona:
Przed dotykiem bezpośrednim (podstawowa),
Przed dotykiem pośrednim (dodatkowa).
Ochrona przez zastosowanie izolowania części czynnych to ochrona:
Przed dotykiem pośrednim (dodatkowa),
Przed dotykiem bezpośrednim (podstawowa).
Ochrona przeciwporażeniowa dodatkowa to ochrona przed:
Dotykiem,
Napięciem dotykowym,
Napięciem rażeniowym.
Ochrona przeciwporażeniowa podstawowa to ochrona przed:
Dotykiem,
Napięciem dotykowym,
Napięciem rażeniowym.
Ochrona przed działaniem łuku elektrycznego zalicza się do ochrony:
Podstawowej,
Dodatkowej,
Podstawowej i dodatkowej.
Ochrona podstawowa jest to:
Zespół środków chroniących przed skutkami niebezpiecznego napięcia dotykowego, jakie może się pojawić na częściach urządzeń niebędących normalnie pod napięciem w wyniku awarii,
Zespół środków chroniących przed zetknięciem człowieka z częściami urządzeń lub instalacji elektrycznych będących normalnie pod napięciem oraz przed przeniesieniem napięcia na przedmioty nienależące do obwodu elektrycznego.
Ochrona dodatkowa jest to:
Zespół środków chroniących przed skutkami niebezpiecznego napięcia dotykowego, jakie może się pojawić na częściach urządzeń niebędących normalnie pod napięciem w wyniku awarii,
Zespół środków chroniących przed zetknięciem człowieka z częściami urządzeń lub instalacji elektrycznych będących normalnie pod napięciem oraz przed przeniesieniem napięcia na przedmioty nienależące do obwodu elektrycznego.
Człowiek dotykając przewodu fazowego doznaje najmniejszego porażenia w sieci:
TN-S,
TN-C,
IT.
Człowiek dotykający uziemionej obudowy urządzenia, w którym wystąpiło uszkodzenie izolacji roboczej, znajdzie się pod wpływem działania napięcia:
Rażeniowego,
Dotykowego,
Uziomowego
Przepływ prądu przez mózg spowoduje przede wszystkim:
Ustanie oddychania,
Zatrzymanie pracy serca,
Poparzenia.
Przepływ prądu 50 Hz przez ciało człowieka na drodze ręka-noga w stosunku do przepływu na drodze noga-noga jest:
Mniej groźny,
Równie groźny,
Bardziej groźny.
Spośród podanych najgroźniejsze jest rażenie prądem:
Stałym,
Zmiennym 50 Hz,
Zmiennym 1 kHz.
Odbiorniki o klasie ochronności 0 są to odbiorniki:
Których obudowy przeznaczone są do połączenia z przewodem ochronnym,
Urządzenia przeznaczone do zasilania napięciem bezpiecznym,
W których ochrona przeciwporażeniowa jest zapewniona jedynie przez izolację roboczą,
Urządzenia wykonane z zastosowaniem izolacji ochronnej.
Odbiorniki o klasie ochronności II są to odbiorniki:
W których ochrona przeciwporażeniowa jest zapewniona jedynie przez izolację roboczą,
Których obudowy przeznaczone są do połączenia z przewodem ochronnym,
Urządzenia wykonane z zastosowaniem izolacji ochronnej,
Urządzenia przeznaczone do zasilania napięciem bezpiecznym.
Odbiorniki o klasie ochronności III są to odbiorniki:
W których ochrona przeciwporażeniowa jest zapewniona jedynie przez izolację roboczą,
Których obudowy przeznaczone są do połączenia z przewodem ochronnym,
Urządzenia wykonane z zastosowaniem izolacji ochronnej,
Urządzenia przeznaczone do zasilania napięciem bezpiecznym.
Środkiem ochrony dodatkowej zastosowanym do odbiorników II klasy ochronności, jest:
Izolacja ochronna,
Separacja odbiornika,
Uziemienie ochronne.
Izolacja ochronna jest środkiem ochrony przeciwporażeniowej:
Podstawowej,
Dodatkowej,
Podstawowej i dodatkowej.
Jednym ze środków ochrony podstawowej jest izolacja:
Robocza,
Ochronna,
Wzmocniona.
Do środków ochrony podstawowej zalicza się:
Bariery i przegrody ochronne,
Tablice ostrzegawcze,
Rękawice ochronne.
Uziemienie robocze jest to:
Uziemienie określonego punktu obwodu elektrycznego wykonane w celu zapewnienia prawidłowej pracy urządzeń elektrycznych,
Służy do odprowadzenia do ziemi prądów wyładowań atmosferycznych,
Połączenie dostępnych dla dotyku przewodzących części urządzeń z uziomem w celu zapewnienia ochrony przeciwporażeniowej,
Uziemienie ochronne jest to:
Uziemienie określonego punktu obwodu elektrycznego wykonane w celu zapewnienia prawidłowej pracy urządzeń elektrycznych,
Służy do odprowadzenia do ziemi prądów wyładowań atmosferycznych,
Połączenie dostępnych dla dotyku przewodzących części urządzeń z uziomem w celu zapewnienia ochrony przeciwporażeniowej,
Napięcie bezpieczne przemienne, w normalnych warunkach środowiskowych wynosi:
25 V,
50 V,
65 V.
Napięcie bezpieczne stałe, w normalnych warunkach środowiskowych, wynosi:
30 V,
60 V,
120 V.
Napięcie bezpieczne stałe, w warunkach środowiska o dużej wilgotności i temperaturze, wynosi:
30 V,
60 V,
120 V.
Napięcie bezpieczne przemienne, w warunkach środowiska o dużej wilgotności i temperaturze wynosi:
25 V,
50 V,
65 V.
Napięcie panujące między dwoma punktami nienależącymi do obwodu elektrycznego, których może dotknąć człowiek obiema rękami, nazywa się:
Napięciem rażeniowym,
Napięciem dotykowym,
Napięciem uziomowym.
Napięcie bezpieczne dla prądu stałego w warunkach środowiskowych normalnych, w których nie występują dodatkowe zagrożenia, takie jak: możliwość wielkopowierzchniwego dotyku, wilgotność lub skrępowanie swobody ruchów, to:
25 V,
60 V,
50 V,
120 V.
Napięcie bezpieczne dla prądu stałego w warunkach środowiskowych trudnych, w których występuje co najmniej jedno dodatkowe zagrożenie, takie jak: możliwość wielkopowierzchniowego dotyku, wilgotność lub skrępowanie swobody ruchów, to:
25 V,
120 V,
50 V,
60 V.
Napięcie bezpieczne dla prądu zmiennego 50 Hz w warunkach środowiskowych normalnych, w których nie występują dodatkowe zagrożenia, takie jak: możliwość wielkopowierzchniwego dotyku, wilgotność lub skrępowanie swobody ruchów, to:
25 V,
120 V,
50 V,

60 V.
Napięcie dotykowe pod wpływem, którego znajdzie się człowiek dotykający obudowy urządzenia nr 1 na rysunku poniżej jest równe:
Napięciu fazowemu,
Napięciu uziomowemu,
Zeru.
Napięcie dotykowe pod wpływem, którego znajdzie się człowiek dotykający obudowy urządzenia nr 3 na rysunku poniżej jest równe:
Napięciu fazowemu,
Napięciu uziomowemu,
Zeru.
Próg samouwolnienia przy prądzie stałym nie przekracza:
3 mA,
30 mA,
300 mA.
Dla którego z wymienionych poniżej rodzajów prądów, prąd graniczny samouwolnienia będzie największy:
Prąd stały,
Prąd przemienny o częstotliwości technicznej,
Prąd przemienny o częstotliwości 5 kH.
Dla którego z wymienionych poniżej rodzajów prądów, prąd graniczny samouwolnienia będzie najmniejszy:
Prąd stały,
Prąd przemienny o częstotliwości technicznej,
Prąd przemienny o częstotliwości 5 kH.
Który z podanych poniżej wariantów przyłączenia odbiornika I-fazowego do sieci TN-C jest prawidłowy:
,
,
.
Prąd rażeniowy IR płynący przez człowieka pod wpływem napięcia krokowego UR określony jest zależnością:
![]()
,
![]()
,
![]()
,
przy czym RC jest rezystancją człowieka, a RP rezystancją przejścia.
Prąd rażeniowy IR płynący przez człowieka pod wpływem napięcia dotykowego UD określony jest zależnością:
![]()
,
![]()
,
![]()
,
przy czym RC jest rezystancją człowieka, a RP rezystancją przejścia.
Urządzenie elektryczne zasilane napięciem 12 V wymaga zastosowania ochrony przeciwporażeniowej:
Podstawowej,
Dodatkowej,
Żadnej.
Urządzenie elektryczne zasilane napięciem 24 V wymaga zastosowania ochrony przeciwporażeniowej:
Podstawowej,
Dodatkowej,
Żadnej.
Rezystancja uziemienia ochronnego zastosowanego w sieci IT musi spełniać warunek:
![]()
,
![]()
,
![]()
,
gdzie: UDB - napięcie dotykowe bezpieczne, IW - prąd wyłączający zabezpieczenie, IZ - prąd doziemny.
Rezystancja uziemienia ochronnego zastosowanego w sieci TT musi spełniać warunek:
![]()
,
![]()
,
![]()
,
gdzie: UDB - napięcie dotykowe bezpieczne, IW - prąd wyłączający zabezpieczenie, IZ - prąd doziemny.
Zerowanie można stosować w sieci:
TN,
TT,
IT.
W sieci TN-C wystąpiła przerwa w przewodzie PEN. Jakie napięcie wystąpi na tym przewodzie w czasie uszkodzenia izolacji roboczej urządzenia zasilanego z tej sieci, gdy rezystancja uziemienia dodatkowego RD jest równa rezystancji uziemienia roboczego:
UD,
UD/2,
0.
Minimalny przekrój aluminiowego przewodu PEN, ze względu na wytrzymałość mechaniczną, wynosi:
4 mm2,
10 mm2,
16 mm2.
Rezystancja stanowiska izolowanego urządzenia zasilanego napięciem UF=220 V, spełnia warunek:
![]()
,
![]()
,
![]()
.
Warunek skuteczności zerowania ma postać:
![]()
,
![]()
,
![]()
,
gdzie: UF - napięcie fazowe, ZP - impedancja pętli zwarciowej, IW - prąd wyłączający bezpiecznika, INB - prąd znamionowy bezpiecznika.
Zasada działania wyłącznika różnicowoprądowego polega na pomiarze:
Różnicy prądów w przewodach roboczych,
Sumy geometrycznej prądów w przewodach roboczych,
Sumy geometrycznej prądów w przewodach fazowych.
Ile odbiorników użytkowanych w instalacji przemysłowej można przyłączyć do obwodu separacyjnego;
1,
2,
5.
Jaki prąd różnicowy wyłącznika przeciwporażeniowego należy dobrać dla ochrony instalacji przed pożarem?
10 mA,
30 mA,
300 mA.
W przewodzie ochronnym sieci TN-S:
Trzeba umieszczać bezpieczniki,
Nie wolno umieszczać bezpieczników,
Umieszczenie bezpiecznika jest bez znaczenia.
W sieci TT odbiorniki połączone są:
Oddzielnym uziemieniem,
Wspólnym przewodem dołączonym do przewodu neutralnego.
Symbol PEN oznacza:
Przewód ochronny,
Przewód ochronno-neutralny,
Przewód neutralny,
Przewód fazowy.
Przewód neutralny za wyłącznikiem różnicowoprądowym w sieci TN (patrząc od strony zasilania):
Należy uziemić,
Jest to bez znaczenia ze względu na pracę wyłącznika,
Nie wolno uziemiać.
W sieci typu TT niebezpieczniejsze jest:
Rażenie w następstwie dotyku bezpośredniego,
Rażenie w następstwie dotyku pośredniego.
Pomiędzy prądem znamionowym obciążenia I0 a prądem znamionowym urządzenia zabezpieczającego przeciwporażeniowego IN wymagane jest spełnienie zależności:
![]()
,
![]()
,
![]()
,

![]()
.
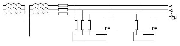
Przedstawiony rysunek przedstawia sieć:
TN-C,
TT,
TN-S,
IT.

Przedstawiony rysunek przedstawia sieć:
TT,
TN-C,
TN-S,
IT.

Przedstawiony rysunek przedstawia sieć:
TN-S,
TN-C,
TT,
IT.